Check Engine Light turned on with codes P0136 and P0138?

Tiny
SUNDAREPC2019
  • MEMBER
  • 2010 TOYOTA CAMRY
  • 2.5L
  • 4 CYL
  • TURBO
  • 2WD
  • AUTOMATIC
  • 225,000 MILES
Changed O2 Sensor and my mechanical checked wiring, exhaust leak and fuel injectors. Still the same code is coming. Also, after checking the fuel injector the fuel goes down fast which I can see which driving even 10 miles.
Thursday, December 8th, 2022 AT 1:43 PM

5 Replies

Tiny
KEN L
  • MASTER CERTIFIED MECHANIC
  • 55,281 POSTS
P0136 Code - O2 Sensor Circuit - Bank 1 Sensor 2
P0138 OBD - O2 Sensor Circuit High Voltage

So, these codes can come up if you have a bad fuel injector, I would remove all spark plugs to look for the one that looks different from the rest. This will be the cylinder that needs to injector replaced. Here is a guide to help with the spark plugs and instructions in the images below to help with the fuel injector:

https://www.2carpros.com/articles/how-to-change-spark-plugs

Check out the images (below). Please let us know what happens.
Was this
answer
helpful?
Yes
No
Friday, December 9th, 2022 AT 10:08 AM
Tiny
SUNDAREPC2019
  • MEMBER
  • 6 POSTS
Thank you for your suggestion. I have changed all fuel injectors and the problem remains the same as check engine light P0136 and P0138. But now the miles per gallon have increased. Do you have any suggestions?
Was this
answer
helpful?
Yes
No
Tuesday, January 3rd, 2023 AT 1:30 PM
Tiny
KEN L
  • MASTER CERTIFIED MECHANIC
  • 55,281 POSTS
Did you clear the codes once the repair was done? How does the engine seem to run also did you change out the spark plugs as well and if so, how did they look? Also, I would change out the bank one sensor 2 to see if that helps, the bad injectors could have ruined the sensor.

This guide can help walk you through the steps and I have included the sensor location below:

https://www.2carpros.com/articles/how-to-replace-an-oxygen-sensor

Check out the images (below). Please let us know what happens.
Was this
answer
helpful?
Yes
No
Wednesday, January 4th, 2023 AT 7:41 PM
Tiny
SUNDAREPC2019
  • MEMBER
  • 6 POSTS
Hi Ken,
Yes, I cleared the check engine light after changing the fuel injector ( I clear engine light every time trouble shoot I work)
Step 1 : Check engine light P0136 & P0138
Step 2 : Changed O2 Sensor. Same code again after 60 miles.
Step 3 : Visited Toyota dealer for Diagnosis.
They said to change whole exhaust system as they supply as complete set. The technician said personally that the exhaust is new in my car but the work was not good. He mentioned orally that the diameter of the pipe is not as per OEM. Also to check the welding.
After the work they asked to change OEM Sensors Air/Fuel sensor and Oxygen sensor. And advised to visit some muffle workshops
Step4 : Visited Shop called Affordable muffler, Lakewood, Ohio. They told the O2 sensor is cross thread and have to change new. Then I changed again new sensors. Also they told the exhaust is good and all ok. But they told to check for the engine tuning.
Step5: Got P0136 & P0138. So I have changed Fuel injector.
Step 6: Again Check engine light †Then changed 4 Spark Plug ( the old spark plug is very bad and almost burnt)
Step7 : P0136 and P0137 ---?
Engine : While starting the engine, The noise will be very high and immediately it become normal in one second. And also I have driven 1000 miles during last vacation. The engine is very smooth while driving even at 230,000 miles.
This is the whole history which may help you to suggest.
Was this
answer
helpful?
Yes
No
Friday, January 6th, 2023 AT 1:13 PM
Tiny
KEN L
  • MASTER CERTIFIED MECHANIC
  • 55,281 POSTS
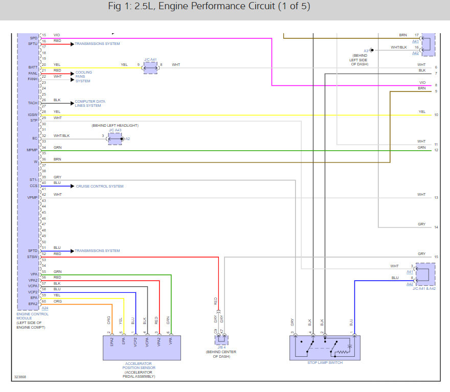
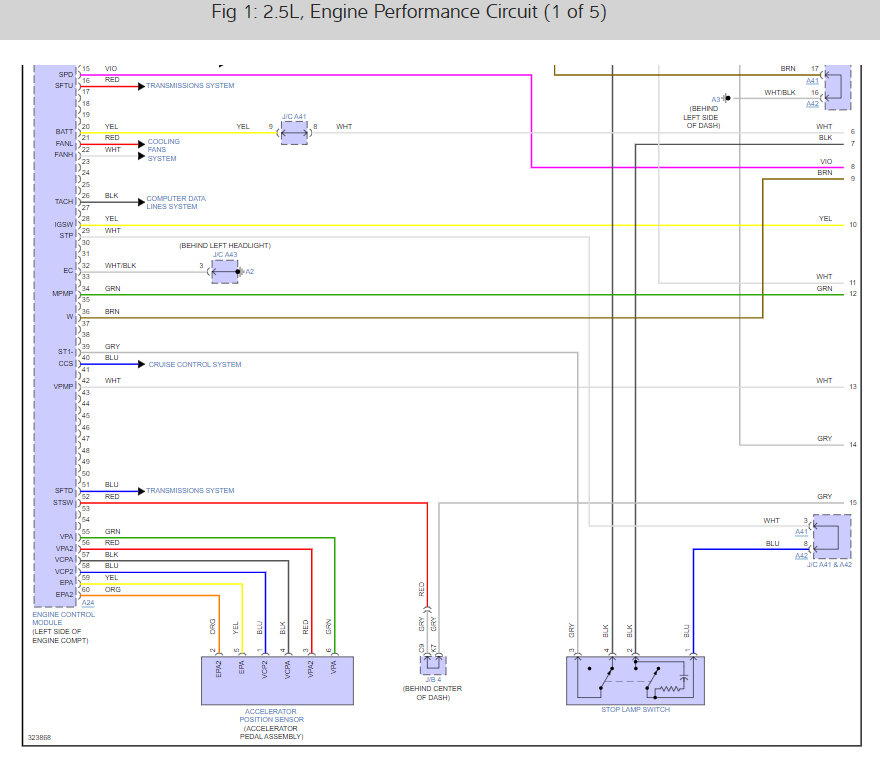
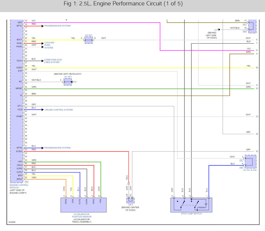
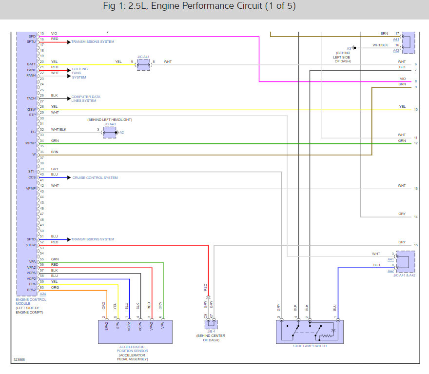
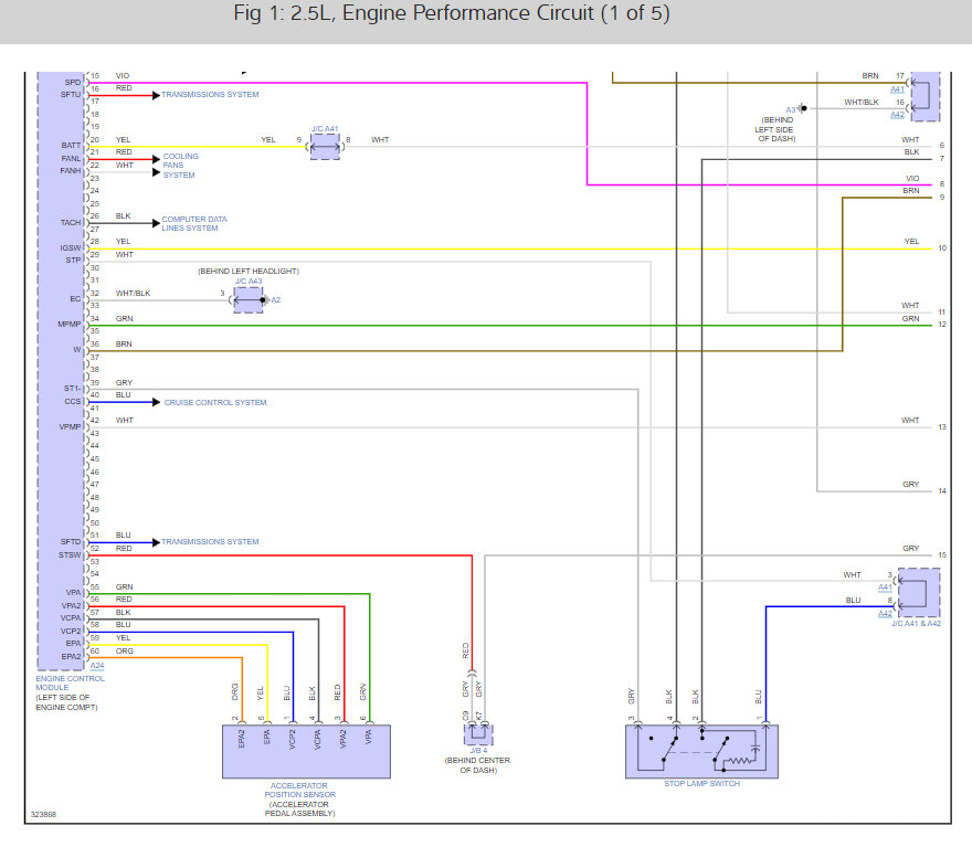
P0136 Code - O2 Sensor Circuit - Bank 1 Sensor 2. We should check the wiring to the sensor because it sounds like the PCM might be bad.

Here is a guide to help and the wiring diagrams to help you as well:

https://www.2carpros.com/articles/how-to-check-wiring

Check out the images (below). Please let us know what happens.
Was this
answer
helpful?
Yes
No
Saturday, January 7th, 2023 AT 11:01 AM

Please login or register to post a reply.