Tuesday, July 13th, 2021 AT 4:25 AM
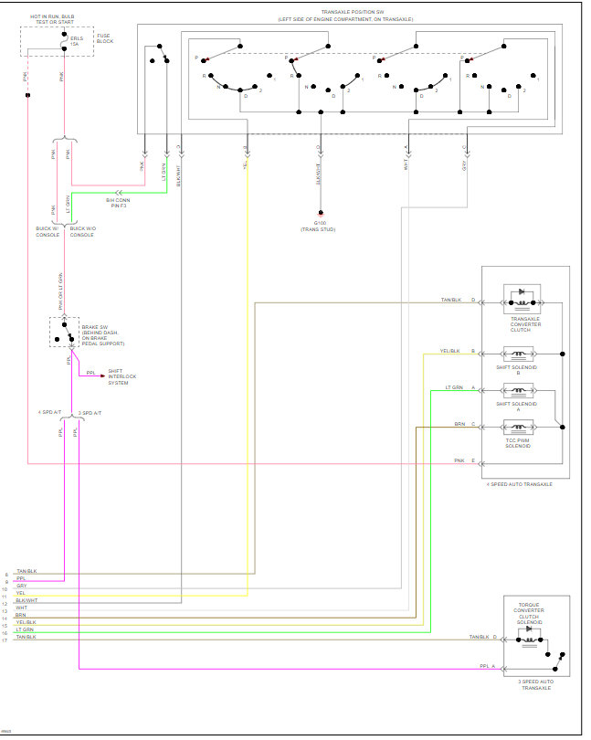
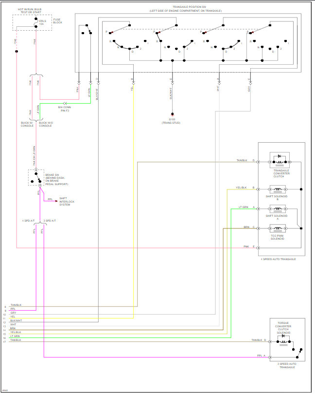
I have recently replaced the oxygen sensor for my engine. The technician felt lost to which wire to attach the sensor to since there were 5 loose wires 3 of which surely relate to the (engine coolant temperature sensor and engine coolant temperature sender) as well as 2 more wires, colors were (black- black- violet - yellow- violet). The exhaust emissions tell me that the oxygen sensor is not working right, so I figured that the violet wire attached is not the right one (the 2 violet wires available to attach differ in thickness, one is surely relevant for the engine coolant temperature sensor, the technician might have switched this for that). How can I trace the purple wire leading to the oxygen sensor? I have 2 purple (violet) wires flowing within the thick harness near the ABS unit. Where does the oxygen sensor wire originally reach so that I can check with a continuity test?









