Tuesday, July 28th, 2020 AT 5:15 PM
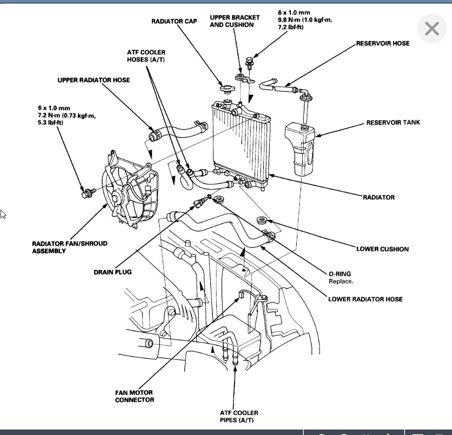
Have the car listed above that likes to overheat, worse in fourth where it kicks and hesitates at 50 mph. Drives best in 2nd and 3rd. Found during a routine water fill there is water seeping from the cooling fan. Is this a radiator leak for sure? No loose hoses and no leaking from the heads.


