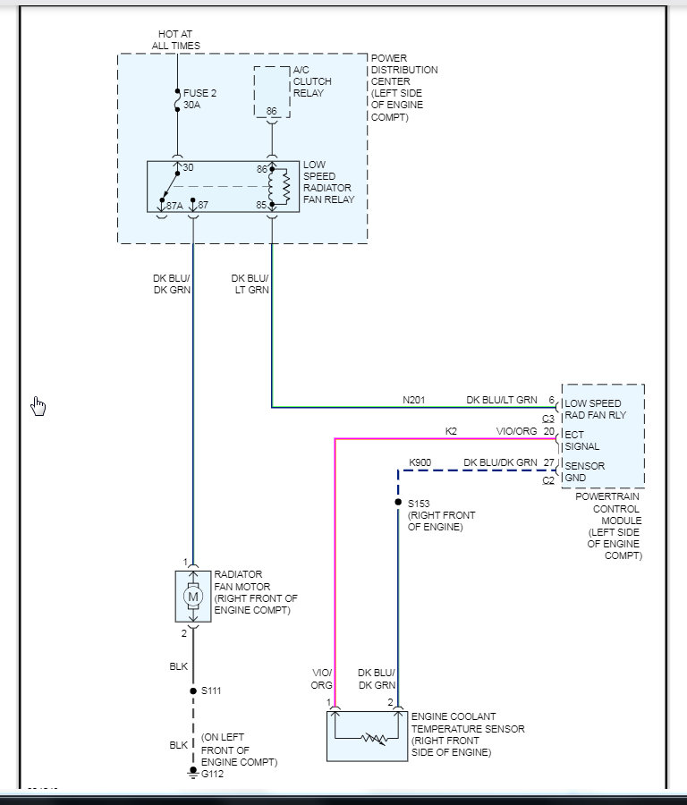
Wednesday, October 7th, 2020 AT 11:02 AM
Alright, it started overheating on me Saturday. I had an oil change last Wednesday 9/30/20. I have changed the water pump yesterday 10/06/20 and the thermostat today and it is still overheating. I just need to know what else I can try to fix it.

