HOME
ASK A QUESTION
REPAIR GUIDES
BECOME A MEMBER
LOG IN
Login with Facebook
OR
Remember me
NOT A MEMBER?
FORGOT PASSWORD?
CONTACT US
PRIVACY POLICY
TERMS AND CONDITIONS
☰
Home
Daewoo
Lanos
Engine
Symptoms
Overheat
Overheating
DIPPIES
MEMBER
2000 DAEWOO LANOS
1.4L
4 CYL
2WD
MANUAL
80,000 MILES
Fans come on at boiling point if I unplug fan switch on cylinder head fans come on heat gauge stands on below normal.
Thursday, November 7th, 2019 AT 2:38 AM
4 Replies
ASEMASTER6371
MECHANIC
52,796 POSTS
Good morning,
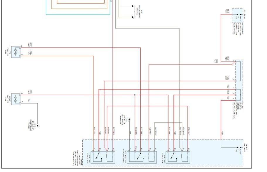
By removing the plug, it sends a hot signal to the ECM and the ECM commands the fans to come on.
https://www.2carpros.com/articles/engine-overheating-or-running-hot
Sounds like the switch that you disconnected may be the issue or the thermostat may be the issue.
Roy
Images (Click to make bigger)
Was this
answer
helpful?
Yes
No
Thursday, November 7th, 2019 AT 2:50 AM
DIPPIES
MEMBER
1 POST
Why shows heat gauge below normal but water temperature is at boiling point?
Was this
answer
helpful?
Yes
No
Friday, November 8th, 2019 AT 3:46 PM
ASEMASTER6371
MECHANIC
52,796 POSTS
Because of where the sender unit is located.
Did you replace the thermostat?
Roy
Was this
answer
helpful?
Yes
No
Saturday, November 9th, 2019 AT 12:44 PM
DIPPIES
MEMBER
1 POST
On Daewo Lanos how do you bleed air out of cooling system?
Was this
answer
helpful?
Yes
No
+1
Monday, November 11th, 2019 AT 12:20 PM
Please
login
or
register
to post a reply.
Related Engine Overheat Content
2000 Daewoo Lanos I Cannot Find Thermostate?
Engine Cooling Problem 2000 Daewoo Lanos Two Wheel Drive Manual I Want 2 Change Thermostate As My Car Is Not Heating Up.I Look For...
Asked by
inderji
·
1 ANSWER
2000
DAEWOO LANOS
VIDEO
Is Your Engine Cool Enough to Check?
Instructional repair video
GUIDE
Overheating Symptoms
An overheating engine is never a good thing to have happen. If the problem is caught quickly you can save the headache of a major engine repair. Knowing the information from...
1996 Daewoo Lanos Overheating
Hi My Car Is Actually A Ciallo My Car Is Fine To Drive Around Town But On Very Hot Days It Over Heats After About 45 Min Of Freeway Driving...
Asked by
hughe
·
1 ANSWER
1996
DAEWOO LANOS
2000 Daewoo Lanos Diagonistic Plug Has No Power
I Am Trying To Locate The Power Supply To The Diagnostic Port Located On The Drivers Side Under The Center Console. I Had A Mechanic Plug...
Asked by
jpan
·
1 ANSWER
2000
DAEWOO LANOS
2000 Daewoo Lanos No Start- Problem
2000 Daewoo Lanos- 83k, Head Gasket(timing Belt, Water Pump) Changed At About 75k. Ran Fine Up Until This Point:the Vehicle Began Bogging...
Asked by
damienk
·
3 ANSWERS
2000
DAEWOO LANOS
2000 Daewoo Lanos Took To Carwash,wont Start
Electrical Problem 2000 Daewoo Lanos 4 Cyl Front Wheel Drive Automatic? Miles Wont Start
Asked by
mark curl
·
1 ANSWER
2000
DAEWOO LANOS
VIEW MORE
Ask a Car Question. It's Free!
Overheating Symptoms
Is Your Engine Cool Enough to Check?
Cooling System Pressure Test For Leaks