Overheating

Tiny
MICHAEL WILSON2
  • MEMBER
  • 1999 MITSUBISHI ECLIPSE
  • 2.0L
  • 4 CYL
  • FWD
  • AUTOMATIC
  • 90,000 MILES
Radiator fan only works when AC is on. Gauge then goes back to normal.
Tuesday, July 11th, 2017 AT 7:44 AM

11 Replies

Tiny
HMAC300
  • MECHANIC
  • 48,601 POSTS
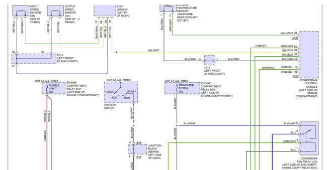
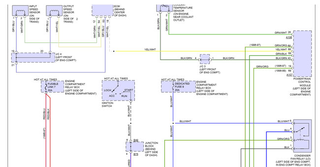
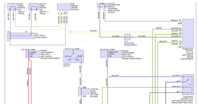
Check the fuse and relay for cooling fan. Also, may be the coolant temperature sensor. See picture for how to check that and wiring diagram for cooling fans. Diagram for non turbo.
Was this
answer
helpful?
Yes
No
Tuesday, July 11th, 2017 AT 9:47 AM
Tiny
MICHAEL WILSON2
  • MEMBER
  • 9 POSTS
All of the relays were the same so by swapping them around I determined they were all good. The fusible link was good. The fan would not run at all when it was out but it did when I put it back. I have an OBD 11 adapter and it is not coming up with any fault codes. I replaced the thermostat this morning no change. No leaks of any kind. When I turn my blower switch to high the needle will come back to almost normal.
Was this
answer
helpful?
Yes
No
Tuesday, July 11th, 2017 AT 9:58 AM
Tiny
HMAC300
  • MECHANIC
  • 48,601 POSTS
What is resistance on temperature sender and is it getting/sending power? Also, check connections as it may be a wiring issue as well.
Was this
answer
helpful?
Yes
No
Tuesday, July 11th, 2017 AT 12:23 PM
Tiny
MICHAEL WILSON2
  • MEMBER
  • 9 POSTS
I have a meter but I do not think I am smart enough to answer what you are asking. I have been looking for a video that would show me how to check that. I am not good at diagnosing electrical problems if that is what this is.
Was this
answer
helpful?
Yes
No
Tuesday, July 11th, 2017 AT 12:34 PM
Tiny
HMAC300
  • MECHANIC
  • 48,601 POSTS
See if this link helps. also if you are going to repair anything electronic learn how to use one it helps immensely.
https://www.2carpros.com/articles/how-to-use-a-voltmeter
Was this
answer
helpful?
Yes
No
Tuesday, July 11th, 2017 AT 12:37 PM
Tiny
MICHAEL WILSON2
  • MEMBER
  • 9 POSTS
I will check that link. I took the radiator cap off and the thermostat did open. It appeared water was flowing through the opening, but I am rechecking that right now. I am hoping it is just about anything except the pump.
Was this
answer
helpful?
Yes
No
Tuesday, July 11th, 2017 AT 12:42 PM
Tiny
MICHAEL WILSON2
  • MEMBER
  • 9 POSTS
If you can read this it is the test I just did. My first reading was 1.53 and the second reading was 1.43.
Was this
answer
helpful?
Yes
No
Tuesday, July 11th, 2017 AT 2:29 PM
Tiny
MICHAEL WILSON2
  • MEMBER
  • 9 POSTS
It did not show the photo sent so I am sending it again.
Was this
answer
helpful?
Yes
No
Tuesday, July 11th, 2017 AT 2:36 PM
Tiny
HMAC300
  • MECHANIC
  • 48,601 POSTS
Okay, what was the voltmeter set to begin with? Then did you correspond with the chart I sent in first reply? One side is temperature other is what reading should be around ohm wise.
Was this
answer
helpful?
Yes
No
Tuesday, July 11th, 2017 AT 2:59 PM
Tiny
MICHAEL WILSON2
  • MEMBER
  • 9 POSTS
Meter was set on 20 K.
Was this
answer
helpful?
Yes
No
Tuesday, July 11th, 2017 AT 3:07 PM
Tiny
HMAC300
  • MECHANIC
  • 48,601 POSTS
Okay, depending on temperature of engine it looks okay.
Was this
answer
helpful?
Yes
No
Tuesday, July 11th, 2017 AT 3:59 PM

Please login or register to post a reply.