Monday, May 29th, 2023 AT 2:06 AM
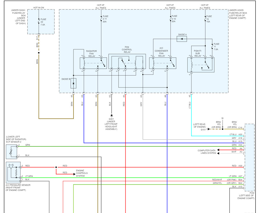
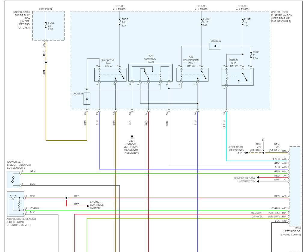
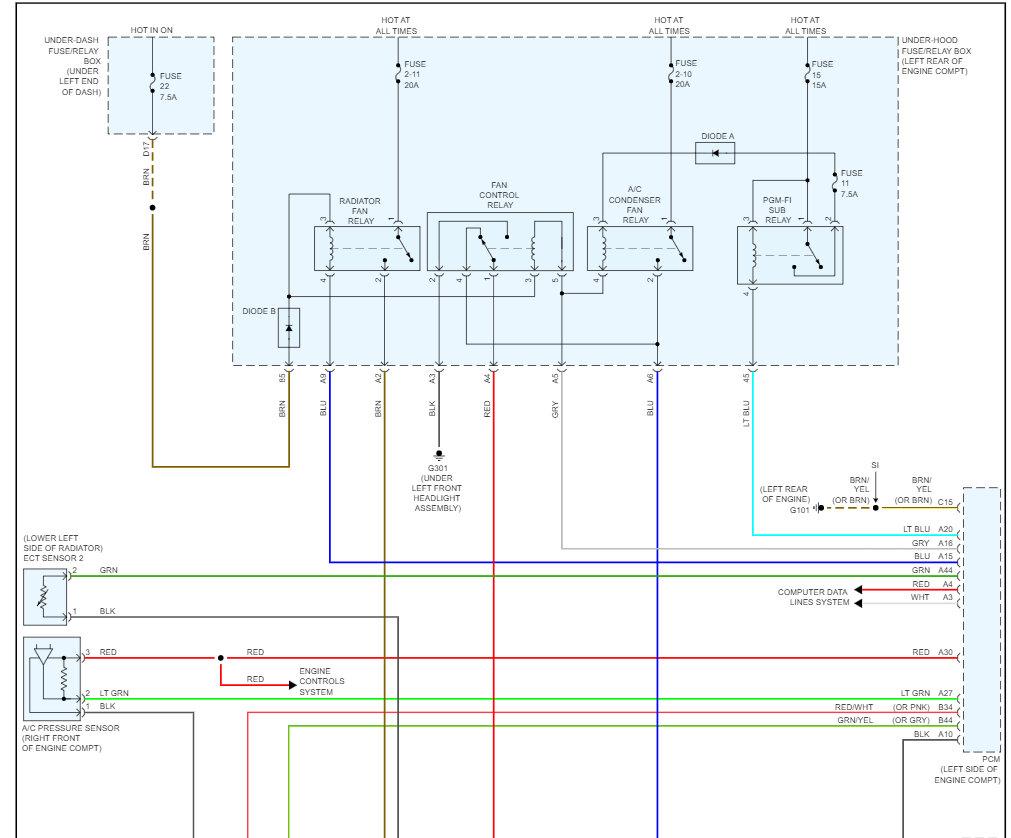
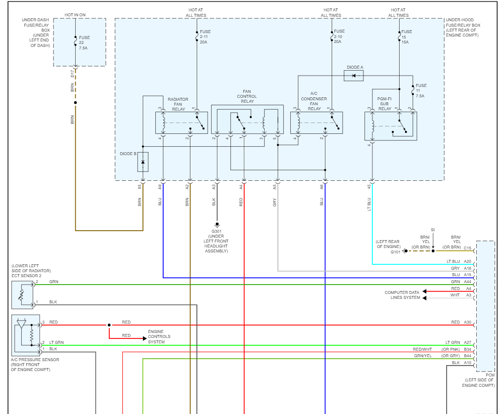
In the morning I checked my coolant level and everything was just so fine. In the evening I went for a drive and was returning home suddenly at a speed 5 to 10 kmph I noticed overheat signal bumped on the dash I immediately stopped the car and let it cool down I checked the coolant level it was normal, but the fans were not working. I need help.














