Overdrive, speedometer and odometer not working

Tiny
ANDREW_86
  • MEMBER
  • 1995 DODGE RAM
  • 8.0L
  • V10
  • 4WD
  • MANUAL
  • 119,000 MILES
Transmission shifts fine but won't go into overdrive. Speedometer and odometer are not working either. I have replaced VSS on Transmission and on rear-end with no change in vehicle behavior.
Tuesday, March 15th, 2022 AT 2:47 PM

6 Replies

Tiny
JACOBANDNICKOLAS
  • MECHANIC
  • 110,194 POSTS
Hi,

Have you checked to see if there are diagnostic trouble codes? This vehicle has an OBD1 system and doesn't require a scanner to retrieve codes. If you haven't, here is a link that explains how it's done:

https://www.2carpros.com/articles/retrieve-trouble-codes-for-chrysler-dodge-plymouth-odb1-1995-and-earlier-car-mini-van-and-light-trucks

What happens when you try shifting into overdrive? Does it grind, not engage, or what exactly is happening?

Take care,

Joe

Was this
answer
helpful?
Yes
No
Wednesday, March 16th, 2022 AT 4:18 PM
Tiny
ANDREW_86
  • MEMBER
  • 4 POSTS
It's an automatic. It should shift into overdrive by itself. It does not engage overdrive.
Was this
answer
helpful?
Yes
No
Friday, March 18th, 2022 AT 2:54 PM
Tiny
ANDREW_86
  • MEMBER
  • 4 POSTS
Getting code 15 which is VSS but I have changed that already.
Was this
answer
helpful?
Yes
No
Friday, March 18th, 2022 AT 2:56 PM
Tiny
JACOBANDNICKOLAS
  • MECHANIC
  • 110,194 POSTS
Hi,

That makes more sense. You indicated it was a manual originally. That's why I questioned what was going on. LOL

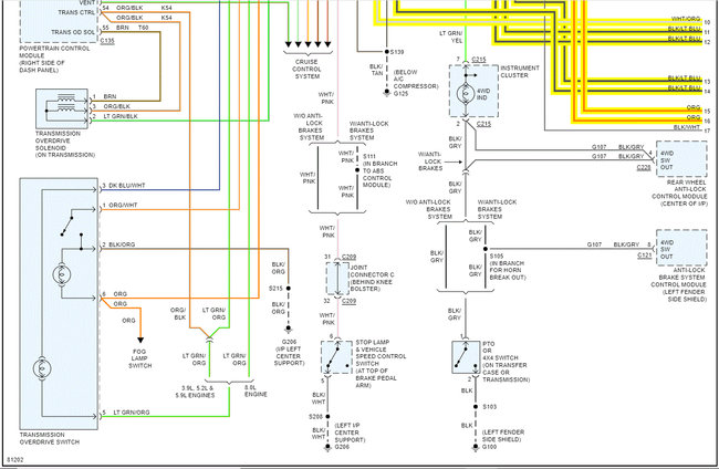
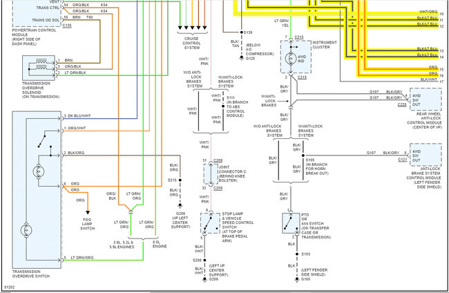
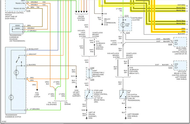
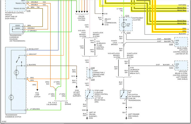
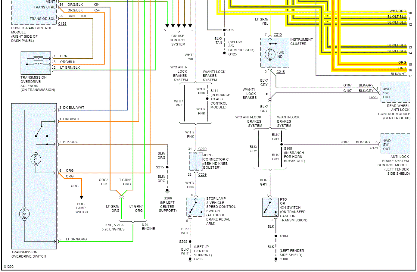
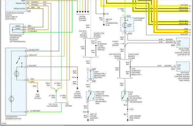
Okay, if the sensor is new, we likely have a wiring issue. If you look at pic 1 below, it explains the code and how the circuit works. Also, it identifies possible causes.

Here is what I need you to do. As you read through pic 1, it tells you what different pins on the powertrain control module (PCM) should provide. This is where we have to start. The remaining 4 pictures are the wiring schematic. I highlighted the related wiring for your reference.

Disconnect the connector at the VSS. There will be three wires. One is orange, one is white with an orange tracer, and one is black with a light blue tracer.

Using a voltmeter or multimeter, check the orange wire first. With the key on, it should have an 8v reference. If it's good, check the white/orange wire the same way. It should have a 5v reference. If that is good, check for signal ground via the black/lt blue wire.

The key needs to be in the run position when testing.

If you have power to both within the specs indicated, and you find there is no ground signal, there is a splice in the ground wire near the fuel injectors. The black/lt blue wire will join together with other wires having the same color. It isn't too uncommon for the splice to corrode or get loose preventing the ground signal.

Here is a link you may find helpful when testing:

https://www.2carpros.com/articles/how-to-check-wiring

Let me know what you find or if you have other questions.

Take care,

Joe

See pics below.
Was this
answer
helpful?
Yes
No
+1
Friday, March 18th, 2022 AT 6:24 PM
Tiny
ANDREW_86
  • MEMBER
  • 4 POSTS
Thank you for the help. I'm not sure why it's said Manuel transmission. I selected auto transmission, but it put it down as a manual.

So, I got the multimeter and I got 9v from orange, 5v white/orange.
Now from the ground I got 128 ohm and from everything I have learned that's not right. Am I correct on this?
Was this
answer
helpful?
Yes
No
Saturday, March 19th, 2022 AT 11:37 PM
Tiny
JACOBANDNICKOLAS
  • MECHANIC
  • 110,194 POSTS
When you checked the resistance, was everything disconnected? In other words, did you have both ends of the wire disconnected, or did you check for resistance through the PCM? Either way, it is too high. If you haven't already, disconnect both ends and check the wire itself. If it is still that high, I have a feeling it is related to the splice I mentioned.

Let me know.

Joe
Was this
answer
helpful?
Yes
No
+1
Sunday, March 20th, 2022 AT 5:38 PM

Please login or register to post a reply.