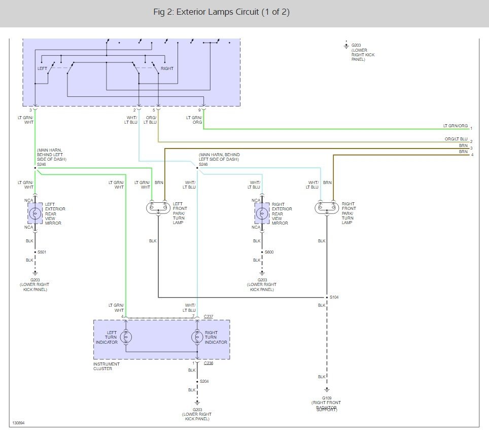
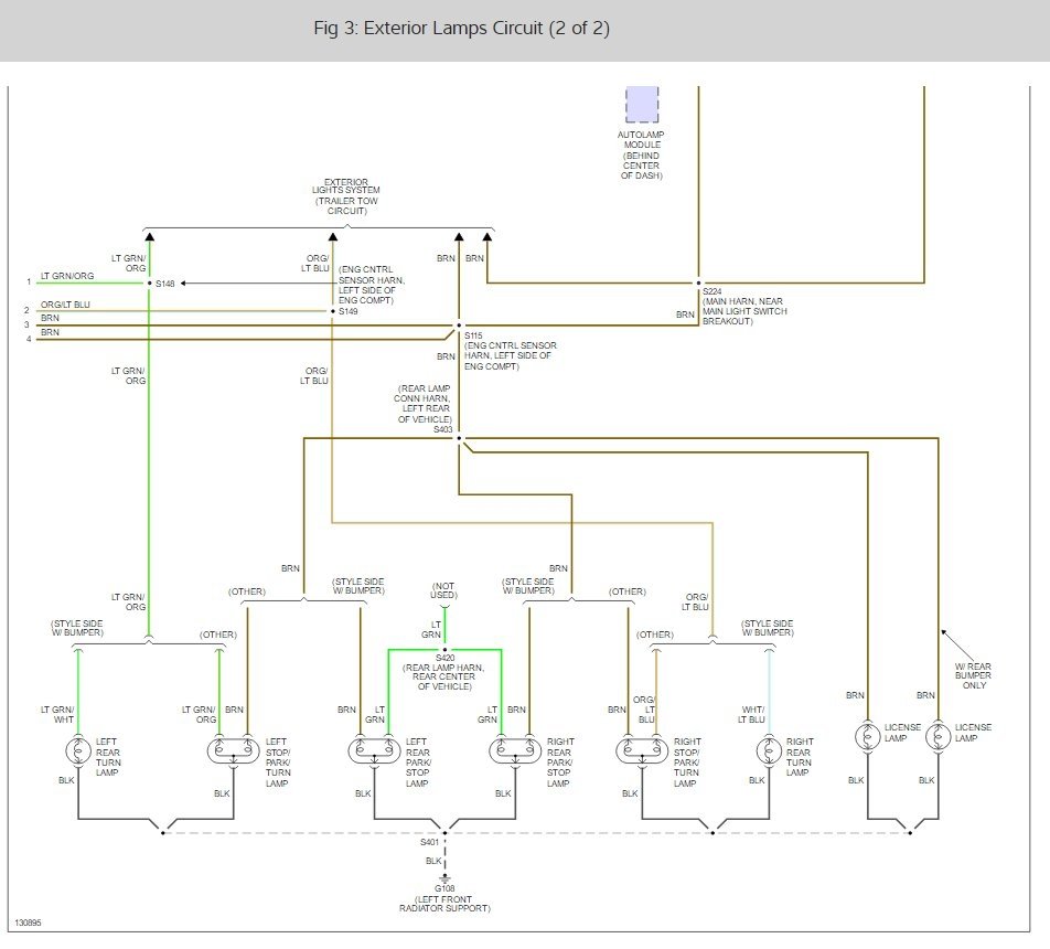
Monday, May 29th, 2017 AT 9:02 AM
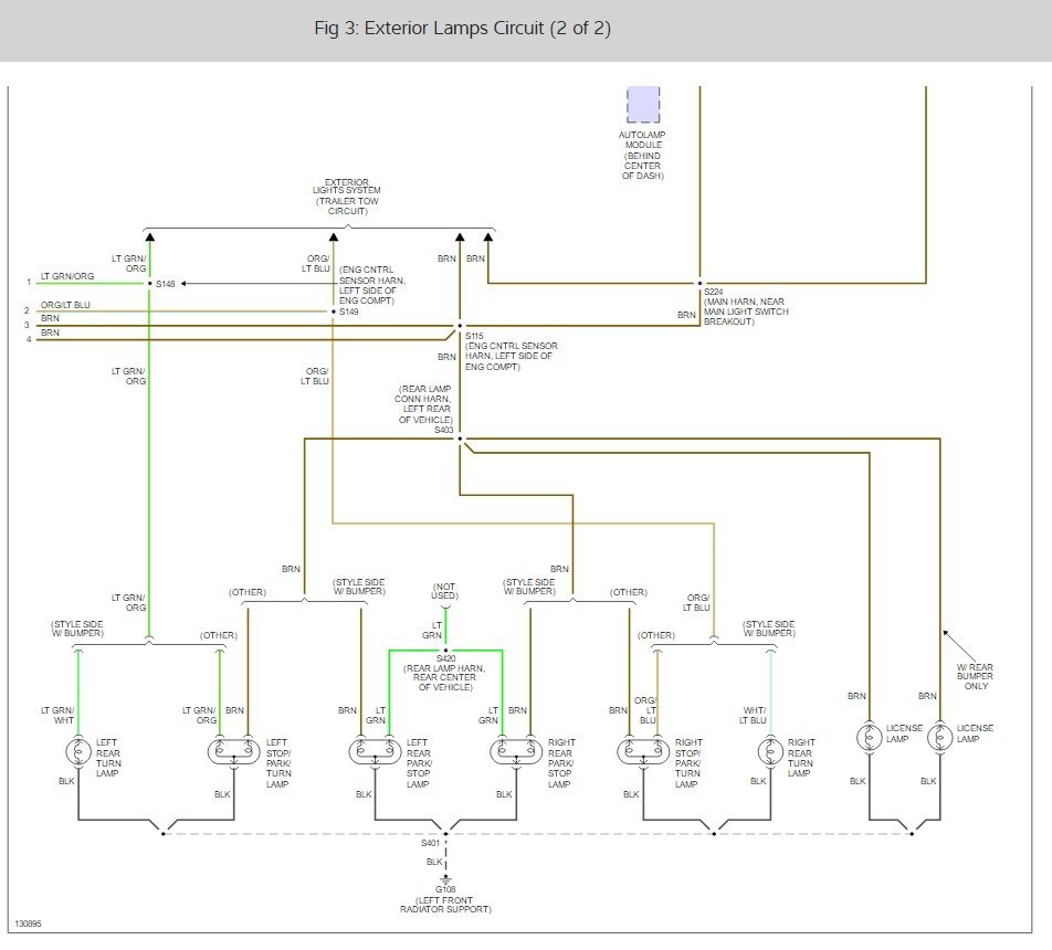
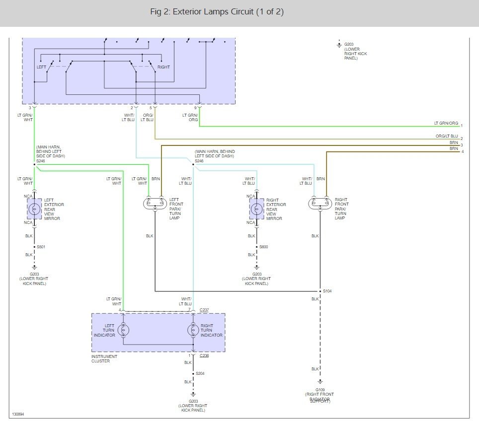
For the first time yesterday my parking lights will not turn off without disconnecting the battery pulled the switch out and lights stay on. It does have trailer hook up factory installed. Please help
















