Open circuit relay and the ECU maybe faulty?

Tiny
SOPHIE BRUNO
  • MEMBER
  • 2000 TOYOTA COROLLA
  • 1.8L
  • 4 CYL
  • 2WD
  • AUTOMATIC
  • 126,000 MILES
Cranks no start. The ECU was by passed 4 years ago ran the car with jumper wire at the open circuit relay control side power to control side ground the car ran for 4 years however now there is no control side power to start car fuel pump not supplying gas to engine.

I have not taken the pm meter to check both control side ground and power. The wire reaching the fuel pump is black and white.

Did I blow out EVU?
Respectfully
Bob Bushop
Saturday, December 21st, 2024 AT 12:36 PM

6 Replies

Tiny
AL514
  • MECHANIC
  • 5,593 POSTS
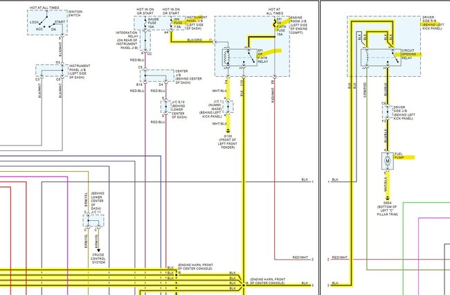
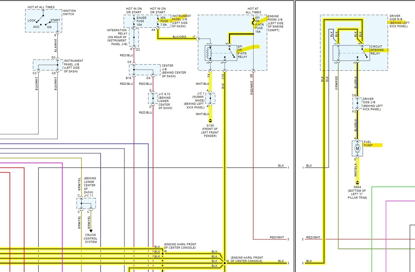
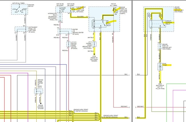
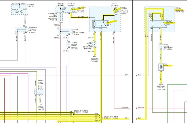
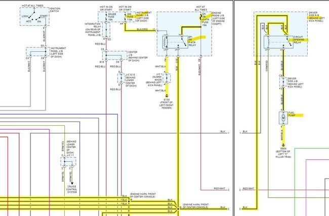
Hello, the Circuit Opening relay gets power on both the Load and the Control side of the relay from the EFI OR F-HTR Relay then from the EFI OR F_HTR Fuse 15amp and the IGN Fuse 7.5amp which is on the ignition switch, I'll post the wiring diagrams, but I would start with checking fuses with a test light in the engine compartment and the Dash fuse panel.
Was this
answer
helpful?
Yes
No
Sunday, December 22nd, 2024 AT 2:52 PM
Tiny
AL514
  • MECHANIC
  • 5,593 POSTS
Start by checking for power at the 2 fuses that feed those relays, the second fuse should be Hot at all times, the other is with the key on.

https://www.2carpros.com/articles/how-to-use-a-test-light-circuit-tester
Was this
answer
helpful?
Yes
No
Sunday, December 22nd, 2024 AT 2:57 PM
Tiny
SOPHIE BRUNO
  • MEMBER
  • 27 POSTS
Hello friends,

Followed your fuses checked all fuses good open circuit relay is good no control side power from ECU the ground checked with om meter rafs 048 ons
It looks like a very low resistance is the wire on I ground terminal to ground chaise then place probe into control ground reading 043 oms.
Was this
answer
helpful?
Yes
No
Thursday, December 26th, 2024 AT 12:58 PM
Tiny
AL514
  • MECHANIC
  • 5,593 POSTS
I'm not sure about your wording there, but power for the Circuit Opening relay does not come from the ECM, it comes from the EFI relay, the ECM controls the Opening relay by grounding the Green/Red wire. The EFI relay is power side controlled from the Ignition switch. So, if you take the EFI relay out, with the key On, you should have power on 2 of the 4 pins in the socket location where the relay sits. If that's okay, then remove the Opening Relay and with the key On, you should have power on 2 of the 4 pins at that relay location as well. Use a test light hooked to battery negative to check it.
Checking resistance will not tell you if the wire can carry any current, because it's not a loaded circuit test.

https://www.2carpros.com/articles/how-to-use-a-test-light-circuit-tester

https://www.2carpros.com/articles/how-to-check-an-electrical-relay-and-wiring-control-circuit
Was this
answer
helpful?
Yes
No
Thursday, December 26th, 2024 AT 2:17 PM
Tiny
SOPHIE BRUNO
  • MEMBER
  • 27 POSTS
Thank you.
Great information I tested the 10 amp fuse good tested the 7.4 amps fuse inside dash board very good with key on and off.
Teste injector relay, the main engine relay it clicks I pulled out these relays tested, and all the battery side powers all good, and control power from ECU all good except the open circuit relay no control power with key off and with key on, no control power, 5v reference voltage.

Mr. Ken you said a circuit has to be loaded, it was tested with key off reason I did not use test light on positive to test ground wire control side because I was afraid to send 12 volts into the ECU control ground and I was tempted to send 12 volts with power probe into control positive side I stopped myself.

Now, I have to pull the computer out and find the connector pin to fuel pump and back probe that pin wire for voltage and grounds powers. If I disconnect the connector from ECU, do I use the on meter to test fuel pin to get a reading on a faulty transistor that fails to prime, it gets complicated at this point for me.
If I use the one meter to test the ECU pin wire back to open circuit relay the test can deceive me because of broken or burnt strands will real normal because of one strand that is not burnt but I tested the ground wire at the open circuit relay with om meter connecting meter to chassis ground send a current into control ground control side getting a reading of 048 oms on ECU ground.
I cannot afford all data wire diagrams. Do you suspect the ECU may be the source of the problem?

You did mention piercing the insulation on the black wire going to fuel pump but from where do I follow the wire coming out of the ECU or closer to the fuel pumping am looking for an easier access to fuel wire without taking out the seats to test fuel pump directly.
If it's the fuel pump that is dead, then it does not fix the circuit open relay lack of power on control side?

Respectfully,
Sophie
Was this
answer
helpful?
Yes
No
Thursday, December 26th, 2024 AT 5:25 PM
Tiny
SOPHIE BRUNO
  • MEMBER
  • 27 POSTS
Hello,
I can only send you the picture you need of wheel radio chips on rim by email only. I don't have internet, and the Wi-Fi signal is slow. Thank you.
Sophie Bruno
Was this
answer
helpful?
Yes
No
Friday, December 27th, 2024 AT 6:37 AM

Please login or register to post a reply.