Only drives in reverse?

Tiny
JTEMPLE105
  • MEMBER
  • 2010 DODGE CHARGER
  • 3.5L
  • V6
  • 2WD
  • AUTOMATIC
  • 134,000 MILES
Pulled code shift solenoid c so I changed c then says solenoid a I change a now says b. I change b. The car only drives in reverse only 1 code and ESP light and traction control is on. RPMs go up car won't move in any gear. Thanks
Tuesday, March 5th, 2024 AT 11:32 PM

7 Replies

Tiny
KEN L
  • MASTER CERTIFIED MECHANIC
  • 55,322 POSTS
There is a transmission control relay and a fuse # 37 in the power distribution center on the right side of the trunk I would check first. Swap out the relay and check the fuse.

https://www.2carpros.com/articles/how-to-check-a-car-fuse

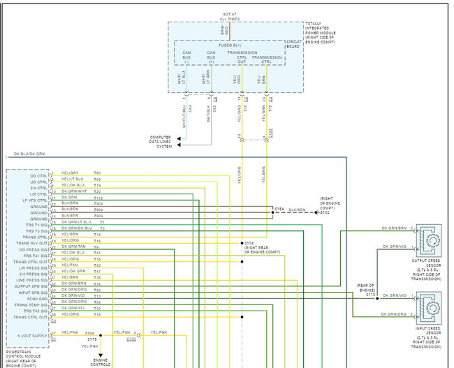
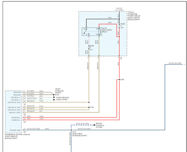
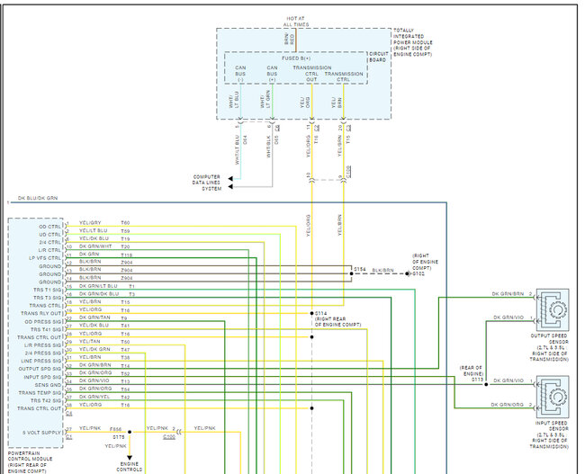
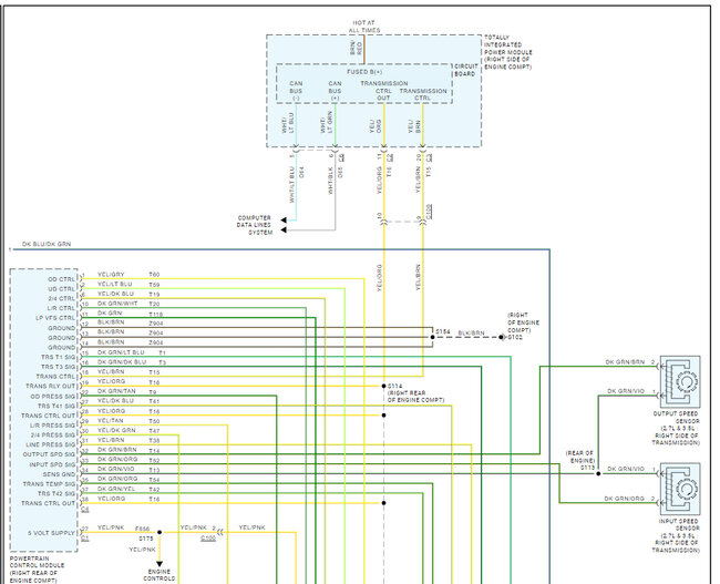
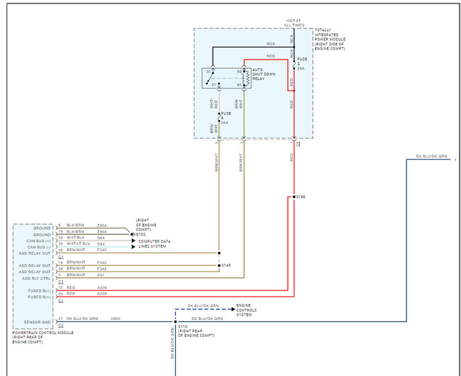
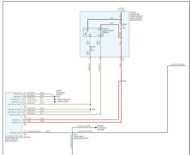
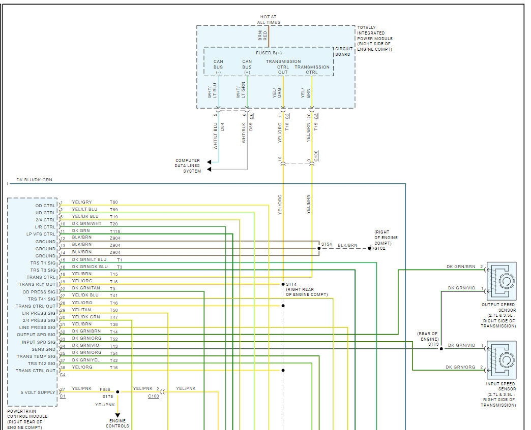
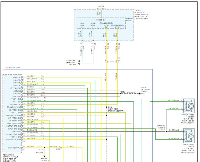
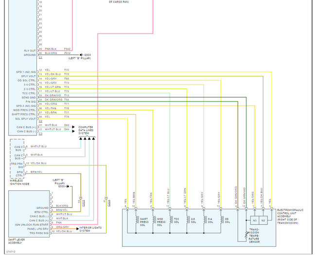
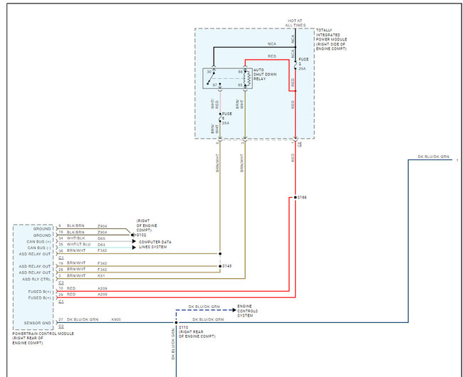
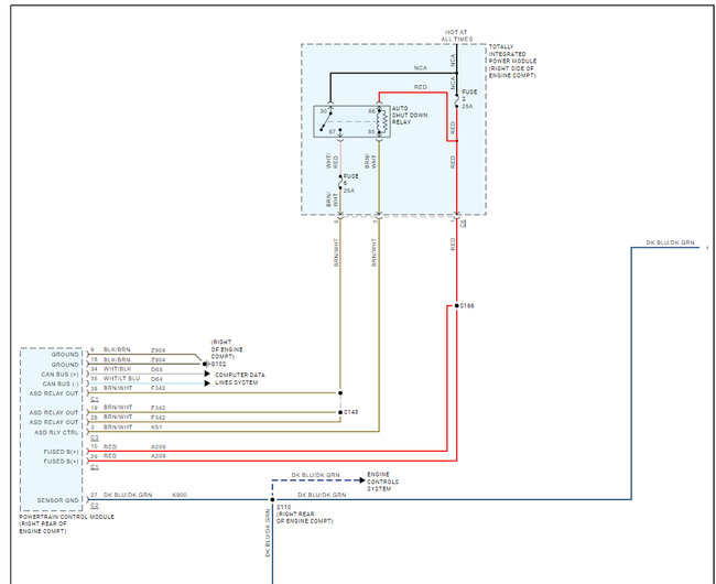
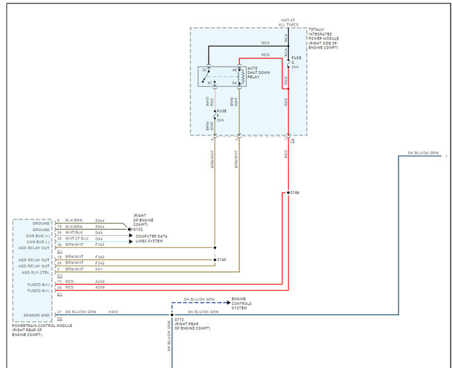
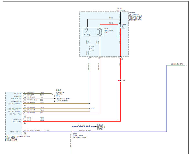
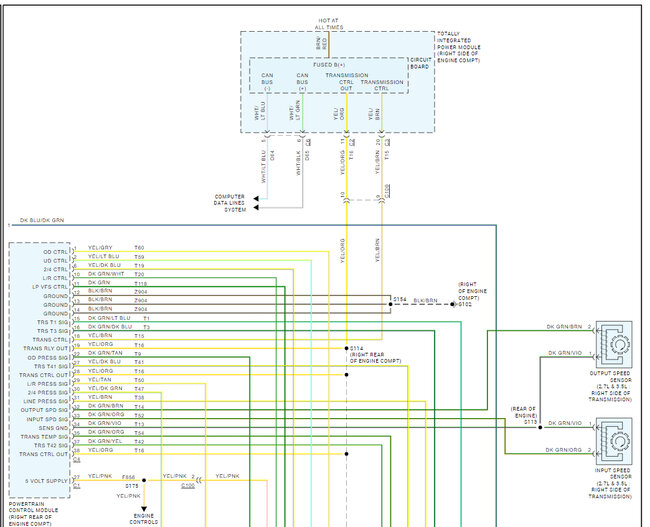
On the right side of the transmission there is an electrohydraulic control unit that goes out in these cars. Here is how to change it out which should fix the problem unless you have an internal mechanical failure. Here are the wiring diagrams as well so you can see how the system works and the fuse and transmission control relay as well. Check out the images (below). Please upload pictures or videos in your response to the problem so we can see what's going on.
Was this
answer
helpful?
Yes
No
Wednesday, March 6th, 2024 AT 10:16 AM
Tiny
JTEMPLE105
  • MEMBER
  • 12 POSTS
Wow, thank you, I'll check.
Was this
answer
helpful?
Yes
No
Friday, March 8th, 2024 AT 4:57 AM
Tiny
JTEMPLE105
  • MEMBER
  • 12 POSTS
Sorry I don't have the nag transmission it's a 42Rle I looked under dash no modular for transmission and the plug is square for the transmission. Connecter would it be same guide for hydraulic pump? Thank you
Was this
answer
helpful?
Yes
No
Friday, March 8th, 2024 AT 5:05 AM
Tiny
KEN L
  • MASTER CERTIFIED MECHANIC
  • 55,322 POSTS
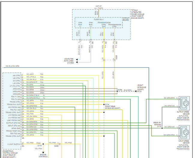
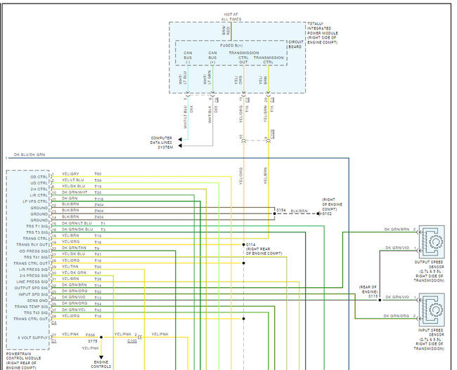
Can you please tell me what the code numbers are? Here are the instructions for the 42Rle transmission. I see for the 42Rle unit the TIPM is included in the operation. I have seen the TIPM go bad as well, i think we should do a CAN scan. You can get a CAN scanner (Controller Area Network) which will work on most cars from Amazon.

Here is a video to show you how:

https://youtu.be/u-4syLc-ifQ

Also, please check the fuse #2 and #6 in the TIPM. Here are the wiring diagrams and instructions for the valve body replacement with the pressure regulating solenoid for the 42Rle. Check out the images (below). Please let us know what happens.
Was this
answer
helpful?
Yes
No
+1
Friday, March 8th, 2024 AT 9:51 AM
Tiny
JTEMPLE105
  • MEMBER
  • 12 POSTS
Codes are p0760 and p0073. I changed solenoid pack all of them are good now scanner says solenoid c again. I just bought a decent scanner I will try can scan. Let me know if you need anything else. Thank you
Was this
answer
helpful?
Yes
No
Friday, March 8th, 2024 AT 12:33 PM
Tiny
JTEMPLE105
  • MEMBER
  • 12 POSTS
Fuses 2 is good fuse 6 says 25amp there was a 30 also etc temp is 225 f is that high.
Was this
answer
helpful?
Yes
No
Friday, March 8th, 2024 AT 12:42 PM
Tiny
KEN L
  • MASTER CERTIFIED MECHANIC
  • 55,322 POSTS
That temp is a little high, was it a warm day?

P0760: This code indicates a problem with the "Shift Solenoid C".

P0073: This code is associated with the "Ambient Air Temperature Sensor Circuit High input".

I would check the main wiring connector to the transmission to check for rust or corrosion on the connector pins. Upload images if you have question about what you see.
Was this
answer
helpful?
Yes
No
Saturday, May 11th, 2024 AT 1:26 PM

Please login or register to post a reply.