One high beam light not working

Tiny
ALEXBISH
  • MEMBER
  • 1999 TOYOTA CAMRY
  • 4 CYL
  • AUTOMATIC
  • 184,000 MILES
My driver side high beam light doesn't work. Low beams work, my high beam passenger works, just not the driver side. I checked my high beam fuses and they both are good.
I looked it up and it says there is only one light for the high beam and low beam. So I don't understand what the problem is, or how to figure out what it is without buying each part separately and trying it.
Thursday, August 20th, 2020 AT 11:38 AM

8 Replies

Tiny
STEVE W.
  • MECHANIC
  • 15,679 POSTS
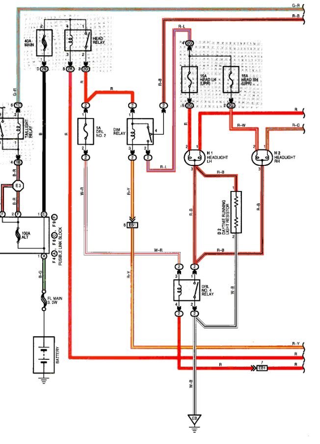
Does your car have daytime running lamps? That will change the wiring and testing a bit.
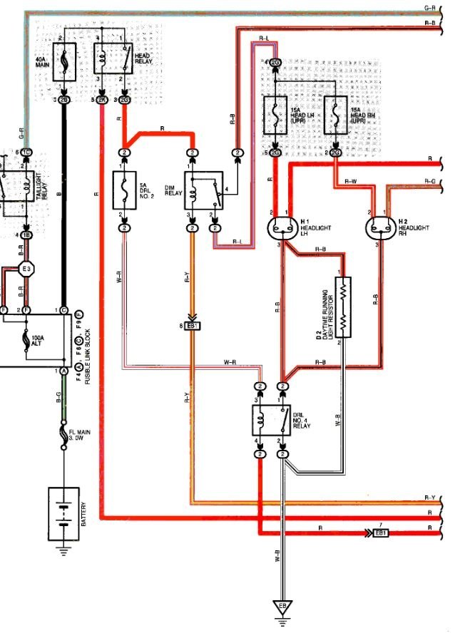
An easy way to tell if you're not sure is to look in the fuse box at the fuses and relays. A car with DRL's will have 4 headlight fuses, 2 for upper (high beam) and two for lower beam and a DRL relay as well as a dim relay in that fuse box.
On a car that doesn't have the daytime light option there will only be 2 fuses one for left headlight and one for right.
While your car does have a single bulb on each side there are two filaments inside it, one high beam one low beam. On a non DRL car they share some wiring while on the DRL cars they are much different and I don't want to get things real confused.
Was this
answer
helpful?
Yes
No
+2
Thursday, August 20th, 2020 AT 4:10 PM
Tiny
ALEXBISH
  • MEMBER
  • 5 POSTS
Yes my car has DRL's.
Was this
answer
helpful?
Yes
No
+1
Thursday, August 20th, 2020 AT 4:44 PM
Tiny
STEVE W.
  • MECHANIC
  • 15,679 POSTS
Okay, that makes it a bit harder but not by a lot. From your description there are two possible issues. Either the power from the high beam fuse isn't getting to the bulb, or the fuse itself isn't getting power. To see which it is you can use a cheap test light. Remove the connector from the headlight and look at the wires coming into it. There should be a pair of red wires and a red wire with a black stripe. The red wires are both power feeds for high and low beams. Turn the lights on low beam, then connect the test light to a good ground. Now touch the connector at each red wire. The one that lights up is the low beam power. Switch to high beam and check the other red wire. If it doesn't light that wire is either broken to the left high beam fuse or that fuse doesn't have power. Use the test light and go to that fuse and touch both of the pins on top of the fuse, if both light, the wire is suspect, if only one lights the fuse is bad, if neither lights there is a fault inside the fuse box as both of the light fuses share a feed and the other side works. Pull the fuse and see if there is corrosion or loose contact if you find no power. If you find power at the fuse but not at the light connector then it could be a bad wire or more common is the connector has corroded and the wire has failed. To test that go to the wire an inch or so from the connector, use a needle or similar item to push through the insulation and connect to the wire inside. Now see if you have power on that needle using the test light. If yes, then you will need to replace the connector or at least that terminal. If no then you will need to trace that wire out of the fuse box and see if there is power at that end.
There is a way to repair this if you don't wish to replace the fuse box or fight replacing the power feed, that would be to add a fused lead to feed that headlight, but I think it's likely in the connector.
Was this
answer
helpful?
Yes
No
+2
Thursday, August 20th, 2020 AT 5:15 PM
Tiny
ALEXBISH
  • MEMBER
  • 5 POSTS
What is the "connector", in both the beginning and the end of that paragraph?
Also, I don't know what any of that really means, being that I don't have that tool or ohmmeter to test that. Like I said, I did check both fuses for the high beam, and they're okay. I took the fuse out of the left and put it in the right, and visa versa, and both fuses are good, but again, it's just the high beams on the driver side. So that was all I was able to test.
I do appreciate your answer so much, unfortunately like I said, I don't have that instrument to test any of that.
So is there a cheap way of going about this? What's the instrument called?
Was this
answer
helpful?
Yes
No
+1
Friday, August 21st, 2020 AT 6:40 AM
Tiny
ALEXBISH
  • MEMBER
  • 5 POSTS
Is there any way that the bulb just needs to be replaced?
Was this
answer
helpful?
Yes
No
Friday, August 21st, 2020 AT 6:55 AM
Tiny
STEVE W.
  • MECHANIC
  • 15,679 POSTS
If you have not tried a new bulb, yes it could be just a bad bulb. I assumed you had already tried that. If not then you will want to get 2 and replace both so the color and amp draw matches. Take the working one and wrap it up as a spare.
The connector I refer to is the one that the headlamp bulb plugs into.

As for the test gear it's a cheap test light, very handy to have to test electrical issues. I would use it before you change the bulbs just to see if it's the bulb or another problem though. No reason to spend a lot of money and discover it still doesn't work. Simply use it to test the power at the headlight connector on low and high beam. If both power feeds work, change the bulbs. If not you can now test further. The one in the first image will work. There are also smart lights like the second image that will tell you if there is voltage, ground or complete circuit on a wire, but it's more than needed for most testing, also overpriced.

https://www.2carpros.com/articles/how-to-use-a-test-light-circuit-tester
Was this
answer
helpful?
Yes
No
+1
Friday, August 21st, 2020 AT 4:21 PM
Tiny
ALEXBISH
  • MEMBER
  • 5 POSTS
I checked the light bulb and it was just the bulb. Thank you for the very knowledgeable advice.
Was this
answer
helpful?
Yes
No
Friday, August 21st, 2020 AT 6:45 PM
Tiny
STEVE W.
  • MECHANIC
  • 15,679 POSTS
Great to hear. Please return anytime with your automotive questions. Thank you for using 2CarPros.
Was this
answer
helpful?
Yes
No
Saturday, August 22nd, 2020 AT 11:03 AM

Please login or register to post a reply.