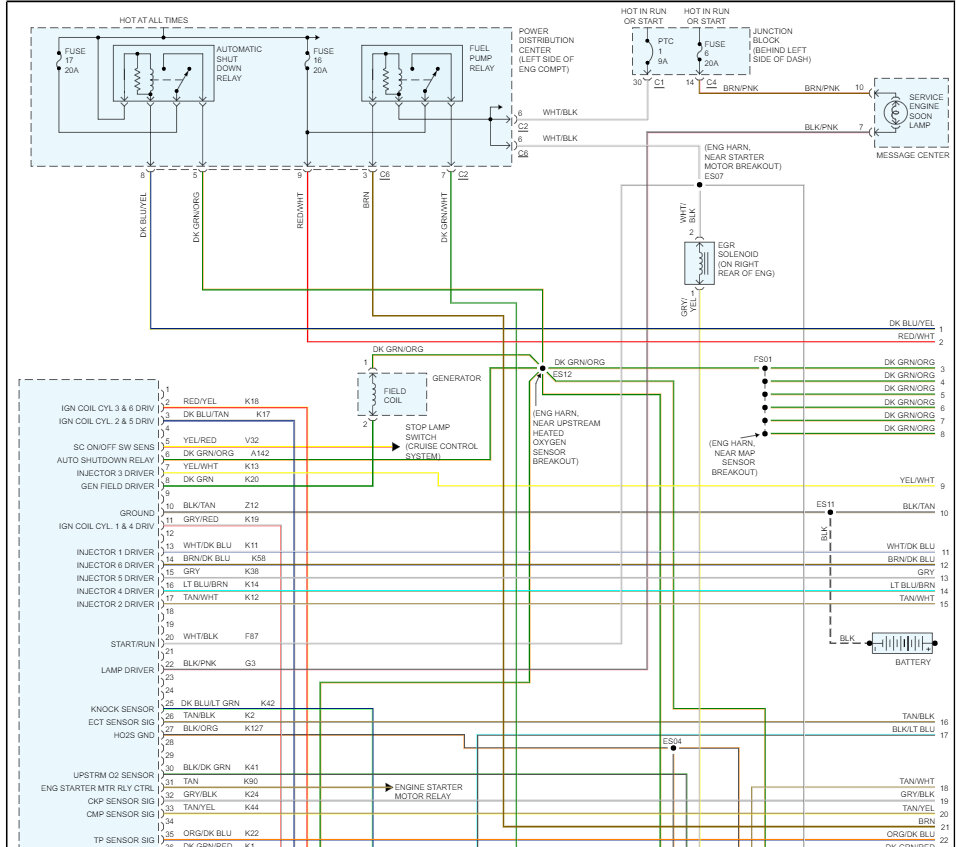
One crank no start
• Jumpering the starter relay will crank the engine; relay tests fine but also swapped with front blower relay(that works) anyway. When key is on and starter forced to crank, there is good spark at plugs.
• Changed fuel filter and new fuel pump; fuel rail has correct fuel pressure.
• Verified engine compression on all 6 cylinders
• Have a new pcm programmed to vin number.
• Verified battery has 12.6 volts and passed load test. No corrosion found
• PCM has only 2 plugs (pins 1-40) & (pins 41-80)
• vehicle will crank one time and try to start; afterward it refuses to crank at all; lights bright, fuel pump primes, relays click, but no crank. Can swap PCM to original and have the same results. Usually have to wait an hour for something to clear in either PCM while disconnected and then install, resulting in ONE crank and then nothing.
I've run out of things to test.
Friday, July 21st, 2023 AT 7:12 PM







