Friday, September 9th, 2022 AT 5:56 PM
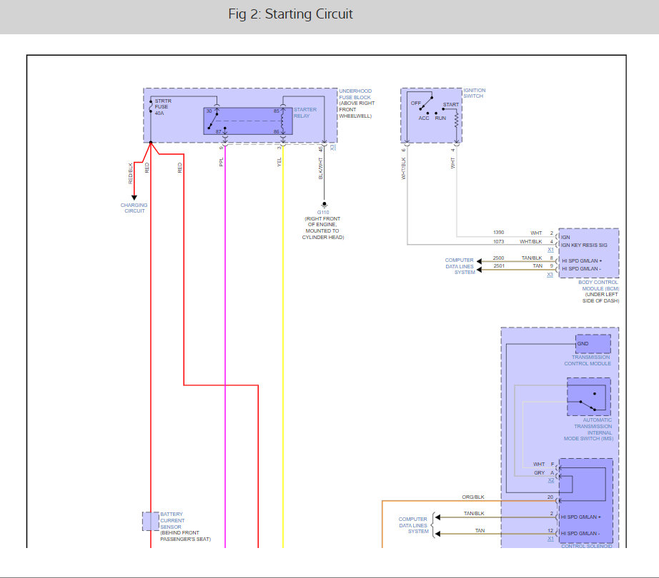
Key in ignition creates one click, but no start or crank. Electronics come on. I can hear the fuel pump. New battery. Horn sounds loud. Auto start does not work. Rear liftgate still works. No corrosion on battery or terminals. Code shows P0300, P0133 in that order. I tried swapping relays for crank, str/pwr with like powered relay that I know works. 40a fuse for starter is not broken. Disconnected battery for 5 minutes. Reconnected. Code order changed to P0133, P0300, and a new one P1682.




























