Tuesday, May 19th, 2020 AT 8:42 PM
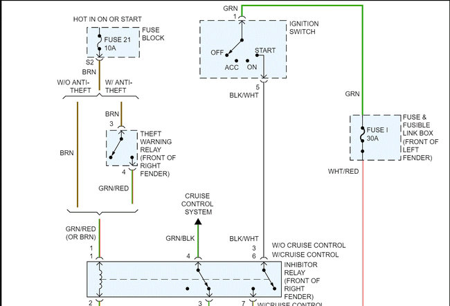
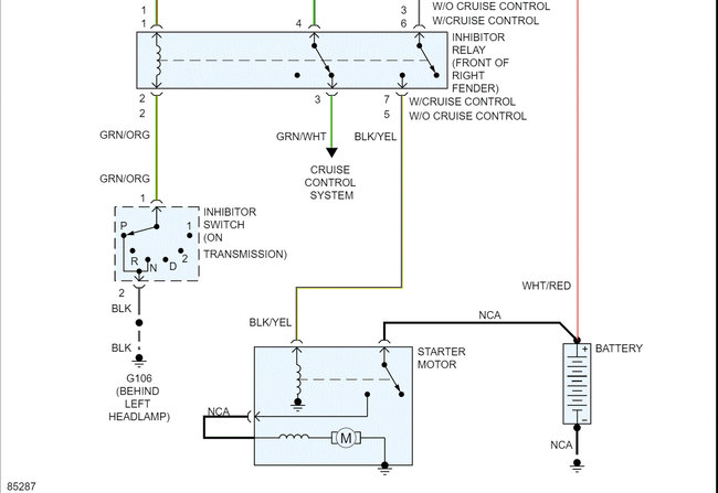
I recently replaced my harmonic balancer and also decided to replace my alternator for good measure since all of the other drive belt components have been going out. Anyway, once I got everything replaced and buttoned up, I got one click from the starter and nothing else. I had the battery disconnected the whole time I was working on the alternator, checked all the grounds, cleaned and checked battery terminals, checked all the fuses that are related to the engine, and checked the voltage of the battery which read 12.6V. Any idea what could be going on?



