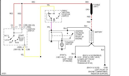
1993 Oldsmobile Cutlass 4 cyl Two Wheel Drive Automatic
The car was making a clicking sound so I thought it was the starter, put in a new starter and its still making the clicking sound and still wont start, what else could be the problem?
Friday, April 9th, 2010 AT 2:14 PM


