REMOVAL PROCEDURE

Disconnect the negative battery cable.
Raise and support the vehicle.
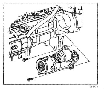
Disconnect the electrical connectors (3, 4) from the starter.

Remove the starter bolts.
Remove the starter.
INSTALLATION PROCEDURE

Install the starter. NOTE: Refer to Fastener Notice in Service Precautions.
Install the starter bolts. Tighten Tighten the starter bolts to 40 N.m (30 lb ft) .

Connect the electrical connectors (3, 4) to the starter. Tighten Tighten the battery terminal nut to 17 N.m (13 lb ft) .
Lower the vehicle.
Connect the negative battery cable.
Monday, December 28th, 2009 AT 3:40 AM