Static in the radio

Tiny
KANSASGIRL63
  • MEMBER
  • 1997 OLDSMOBILE ACHIEVA
  • 6 CYL
  • FWD
  • AUTOMATIC
  • 123,000 MILES
What would cause my radio to develop static while playing the radio. I lose the signal if I get very far from the actual radio tower. Can I "boost" my reception?
Monday, August 17th, 2009 AT 4:02 PM

1 Reply

Tiny
SQM
  • MECHANIC
  • 6,383 POSTS
Hello,

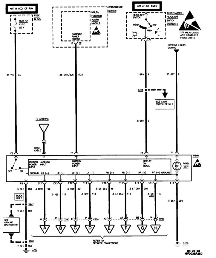
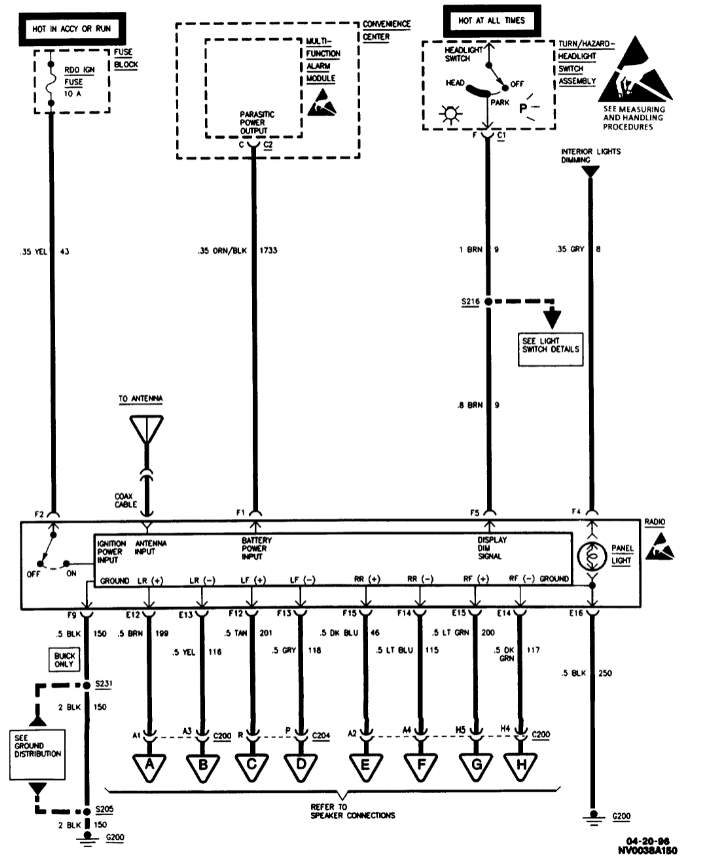
Radio static can be due to weak antenna, bad ground or faulty head unit.

If the static level changes as you drive around then it is likely an issue with the antenna.
As it is not able to provide sufficient signal.

If the static level stays the same regardless of your location then the issue could be a bad ground connection. Check the ground connection for the radio head unit. This will require to remove the head unit and trace the wire to the ground.

https://www.2carpros.com/articles/how-to-check-wiring

If the connection is loose or corroded, it will need to be cleaned and secured.

You can also unplug the antenna wire from the head unit to see if you can still hear the static. If it goes away, then there is an issue with the antenna wiring.

I have attached the wiring schematics for your reference.

Please let me know of any questions.
Thank you.
Was this
answer
helpful?
Yes
No
Thursday, November 18th, 2021 AT 10:32 AM

Please login or register to post a reply.