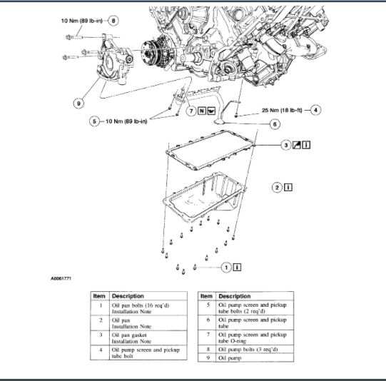
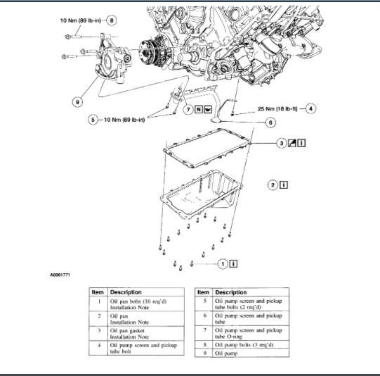
Oil pump replacement

Tiny
TIM BRUGH
  • MEMBER
  • 2003 FORD EXPLORER
  • 4.6L
  • V8
  • 4WD
  • AUTOMATIC
  • 180,000 MILES
I’m wondering if either the sending unit, or the pump is going bad, due to low oil pressure at stopping, and knocking that it’s getting worse, usually only is noticed at idle, but I’m wondering if the procedure is similar to the question I posted below, the one posted below is a 2 wheel drive. same engine, where is mine is a four-wheel-drive. My understanding is it’s a pretty big job, and requires special tools to replace the pump. I don’t know about the sending unit. I’m wondering if it’s even worth spending $1,800.00 or more, on the whole procedure plus timing chain replacement, or say the heck with it, and find another used vehicle. I’ve already spent upwards of $3,000.00, on a brand new transmission! But I’m wondering If what the shop quoted me is accurate. thoughts?

https://www.2carpros.com/questions/oil-pump-replacement-96161942.
Wednesday, June 9th, 2021 AT 9:59 PM

3 Replies

Tiny
ASEMASTER6371
  • MECHANIC
  • 52,796 POSTS
Good morning,

The price is spot on. It is a big job but what concerns me is the noise. It is not the sender unit. That will not cause a knock of any kind from low pressure. The sender just measures the pressure. It does not control it.

https://www.2carpros.com/articles/high-or-low-engine-oil-pressure

The other thing is the knock. When it knocks, it does bearing damage to the main and rod bearings. This repair is going to be more than just an oil pump.

https://www.2carpros.com/articles/engine-noises

My suggestion is a good used motor. You could get one and have it installed for $1,800.00 you were quoted for the repair.

Roy
Was this
answer
helpful?
Yes
No
+1
Wednesday, June 9th, 2021 AT 10:18 PM
Tiny
TIM BRUGH
  • MEMBER
  • 2 POSTS
Greatly appreciate it, yeah, I figured that a used motor was an order at some point in time. And the only reason I suggested the sending unit, is that I was reading somewhere that these are notorious for failing. The interesting thing is, it’s not a hard knock, like a rod or anything, it’s faint, but at the same time pretty noticeable when idling atsay 7 to 800 RPMs, I love to get an audio clip put it up here. I might do that later today. Also, I’m wondering, is not too long after I bought it, and for quite a while, upon putting it in reverse or drive, there was a lot of what sounded like from what I read, timing chain cassette chatter. But oddly enough it’s since stopped. Used to do it quite loudly, but no longer seems to, I’m honestly quite curious what a teardown would reveal about this engine. Other than that, when normal driving, it seems to act fine. But later today I’m going to shop around for a used engine. This darn thing as well given me nothing but problems since I bought it. Thanks again, I’ll keep you posted.
Was this
answer
helpful?
Yes
No
Thursday, June 10th, 2021 AT 4:03 AM
Tiny
ASEMASTER6371
  • MECHANIC
  • 52,796 POSTS
Try this site: Www. Car-part. Com.

Good site.

You are welcome.

Always glad to help.

Roy
Was this
answer
helpful?
Yes
No
+1
Thursday, June 10th, 2021 AT 4:25 AM

Please login or register to post a reply.