Oil pressure sensor location

Tiny
MAGICLION
  • MEMBER
  • 2004 CHEVROLET SUBURBAN
  • 8.1L
  • V8
  • 4WD
  • AUTOMATIC
  • 252,134 MILES
My oil gauge was fine 40 PSI when first started it in the morning. I stopped at my local corner store. My SUV was idling. When I returned it was at zero. No check engine nothing! No clunking noise from engine, until I got off from work. After work as started it I heard clunking. Not that bad but some.
So my questions are:

1. Where is the oil pressure sensor on my vehicle listed above 2500?
2. Can someone send pictures or diagrams?
3. Also does it require a filter screen in the oil sensor hole?
4. What part number would it be in AC Delco or equivalent?

Thank you
Friday, January 22nd, 2021 AT 6:30 AM

1 Reply

Tiny
ASEMASTER6371
  • MECHANIC
  • 52,796 POSTS
Good afternoon,

The noise concerns me. You very well may have an oil pressure issue. When you remove the sender, you should use a manual gauge to measure the actual pressure. I posted the specs below.

Oil Pressure
Minimum .................... 34 kPa 1,000 RPM (5 psi 1,000 RPM)
Minimum .................... 69 kPa 2,000 RPM (10 psi 2,000 RPM)

https://www.2carpros.com/articles/high-or-low-engine-oil-pressure

I attached the part below as well.

Roy

Engine Oil Pressure Sensor and/or Switch Replacement

Tools Required
- J41712 Oil Pressure Sensor Socket

Removal Procedure
1. Remove the engine sight shield.

imageOpen In New TabZoom/Print

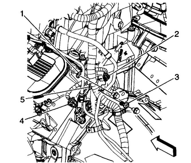
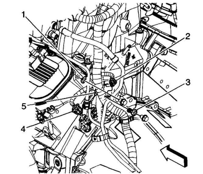
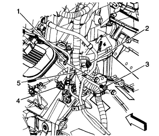
2. Disconnect the oil pressure sensor electrical connector (2).

imageOpen In New TabZoom/Print

3. Using J41712 or equivalent, remove the oil pressure sensor.

Installation Procedure

imageOpen In New TabZoom/Print

1. Apply sealant GM P/N 12346004 (Canadian P/N 10953480), or equivalent, to the threads of the oil pressure sensor.

Notice: Refer to Fastener Notice in Service Precautions.

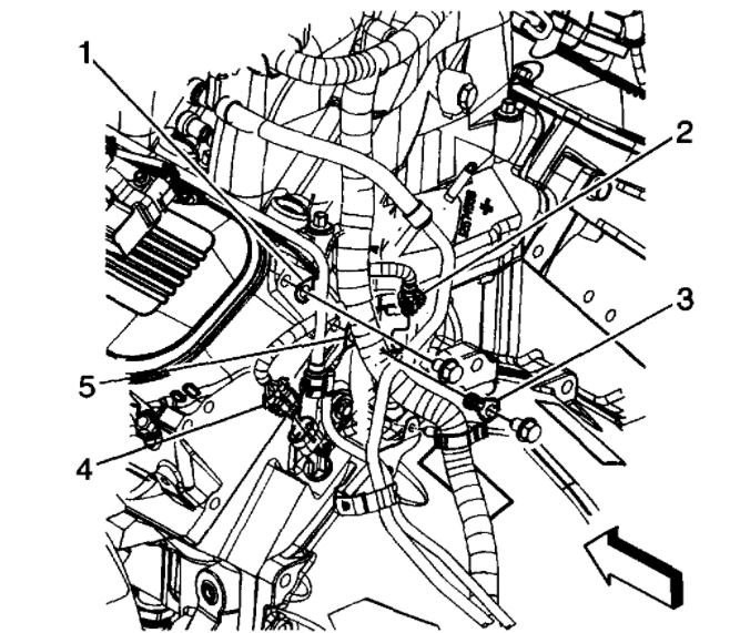
2. Using J41712 or equivalent, install the oil pressure sensor.
Tighten the sensor to 30 Nm (22 ft. lbs.).

imageOpen In New TabZoom/Print

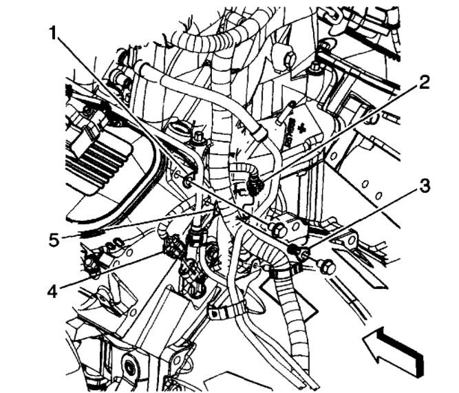
3. Connect the oil pressure sensor electrical connector (2).
4. Install the engine sight shield.

Oil Pressure Diagnosis and Testing
1. With the vehicle on a level surface, allow adequate drain down time, 2-3 minutes, and measure for the proper engine oil level. Too high an oil level will cause aeration within the oil. Add the recommended grade engine oil GM P/N 12345610, (Canadian P/N 993193), or equivalent, and fill the crankcase until the oil level measures FULL on the oil level indicator.
2. Operate the engine and verify low or no oil pressure on the vehicle oil pressure gage or oil indicator light. Listen for a noisy valve train or knocking noise.
3. Inspect for the following:
Engine oil diluted by moisture or unburned fuel mixtures
Improper engine oil viscosity for the expected temperature
Incorrect or faulty oil pressure gage sensor
Incorrect or faulty oil pressure gage
Plugged oil filter
Malfunctioning oil filter bypass valve

4. Remove the oil pressure gage sensor or another engine block oil gallery plug.
5. Install an oil pressure gage and measure the engine oil pressure.
6. If the engine oil pressure is below specifications, inspect the engine for one or more of the following:
Oil pump worn or dirty
Malfunctioning oil pump pressure relief valve
Oil pump screen loose, plugged, or damaged
Excessive bearing clearance or worn bearings
Cracked, porous or restricted oil galleries
Engine block oil gallery plugs missing or incorrectly installed
Was this
answer
helpful?
Yes
No
+1
Friday, January 22nd, 2021 AT 12:16 PM

Please login or register to post a reply.