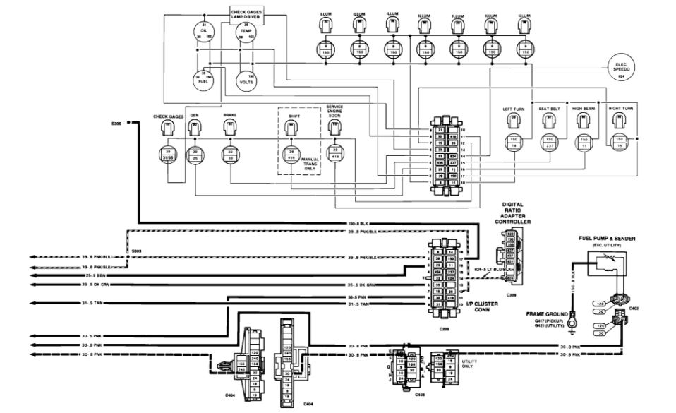
Dash board gauges do not work

Tiny
TRUV17
  • MEMBER
  • 1991 CHEVROLET S-10
  • 1.8L
  • 6 CYL
  • 2WD
  • MANUAL
  • 176,000 MILES
My gauges on the dash board do not work. Why?
Tuesday, May 1st, 2018 AT 2:32 AM

1 Reply

Tiny
ASEMASTER6371
  • MECHANIC
  • 52,796 POSTS
Good morning.

Check all your fuses with a test light or volt meter for power on both sides with the key on.

If all of them are good, the pull the cluster and check the connector at the back of the cluster. If there is no damage or burned pins then the most likely failure is the cluster itself.

Roy
Was this
answer
helpful?
Yes
No
Tuesday, May 1st, 2018 AT 3:21 AM

Please login or register to post a reply.