Oil pan gasket

Tiny
RICKY ANDLYNN RUSH
  • MEMBER
  • 2005 GMC SIERRA
  • 4.8L
  • V8
  • 2WD
  • AUTOMATIC
  • 300,000 MILES
Just need to know the steps to change my oil pan gasket while it is in the truck.
Saturday, May 27th, 2017 AT 3:49 AM

1 Reply

Tiny
KEN L
  • MASTER CERTIFIED MECHANIC
  • 55,046 POSTS
Hello,

I found this guide straight from the manual. Diagrams (BELOW)

If equipped with Four Wheel Drive (4WD), remove the inner axle housing nuts and washers from the bracket.
Support the front drive axle with a suitable jack.

If equipped with 4WD, remove the differential carrier lower mounting bolt and nut.

If equipped with 4WD, remove the differential carrier upper mounting bolt and nut.
Lower the front drive axle.

Remove the transmission cover bolt.

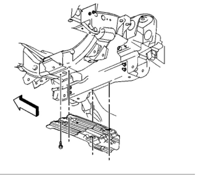
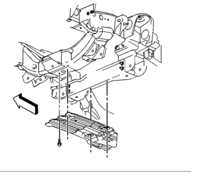
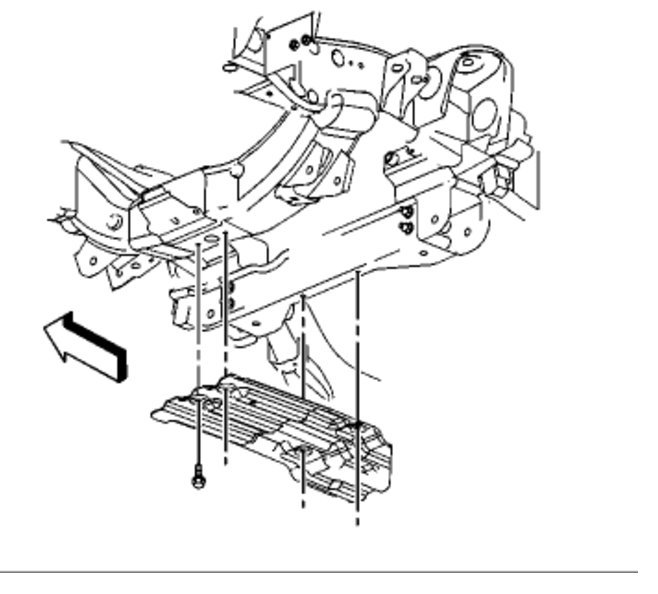
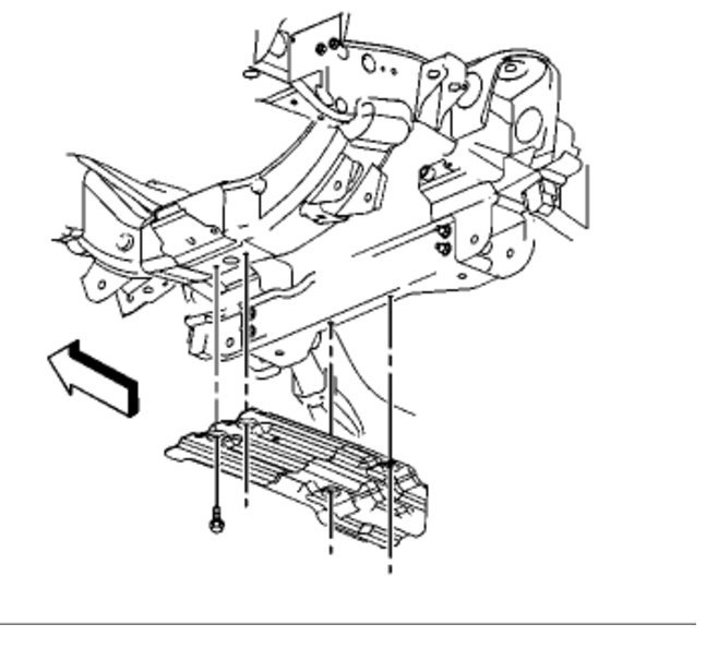
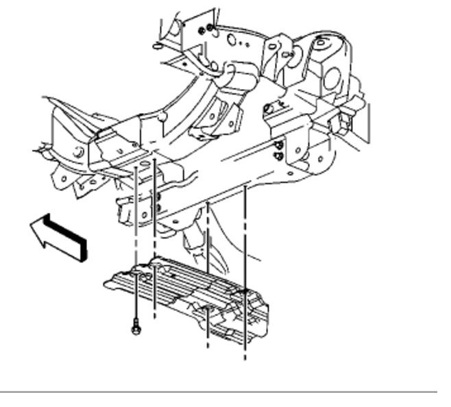
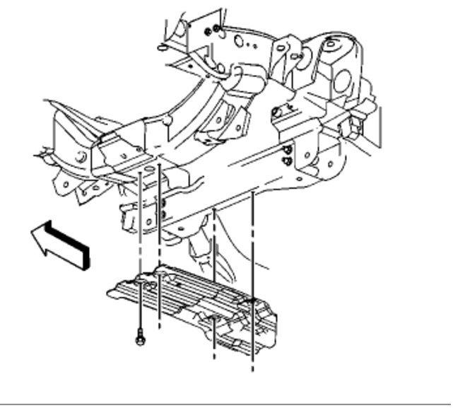
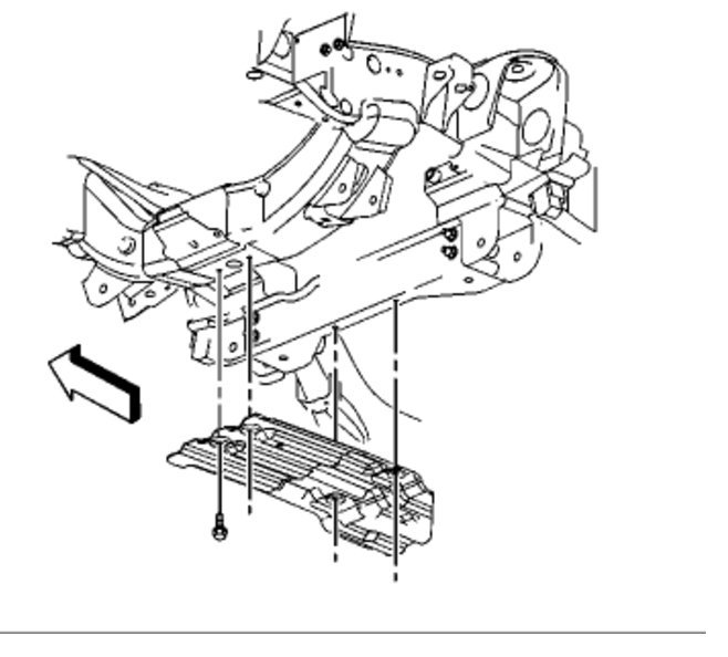
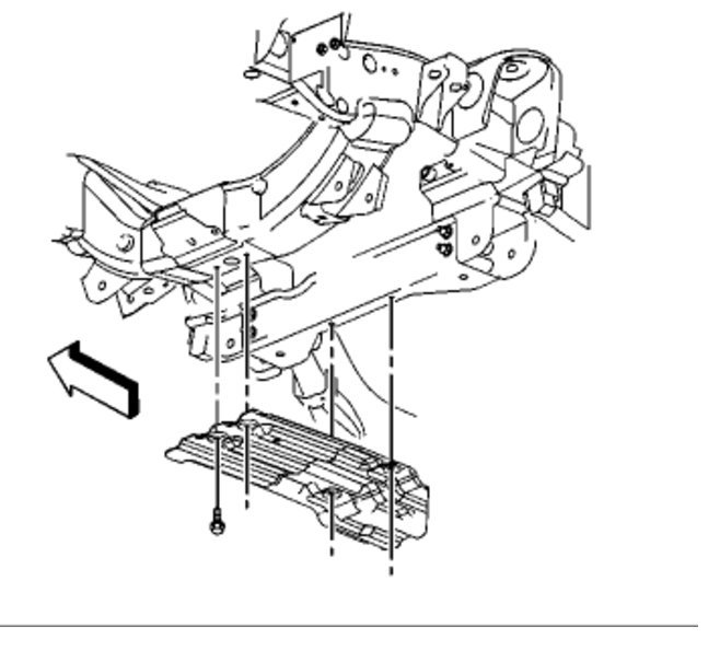
If equipped, remove the oil pan skid plate bolts.
Remove the oil pan skid plate.

Remove the crossbar bolts.
Remove the crossbar.

Remove the transmission cover bolt and cover.
Drain the engine oil and remove the engine oil filter.
Re-install the drain plug and oil filter until snug.

If equipped with the 4L60-E automatic transmission, remove the transmission bolt and stud on the right side.

Remove the bottom bolt on the left side.

If equipped with the 4L80-E automatic transmission, remove the transmission converter cover bolts.

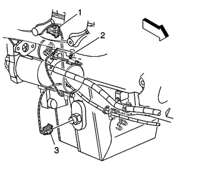
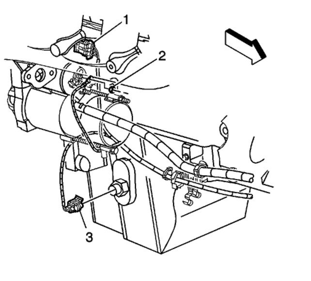
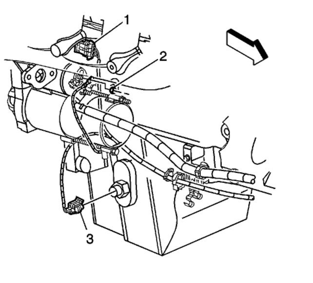
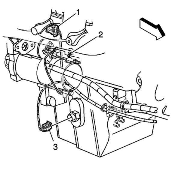
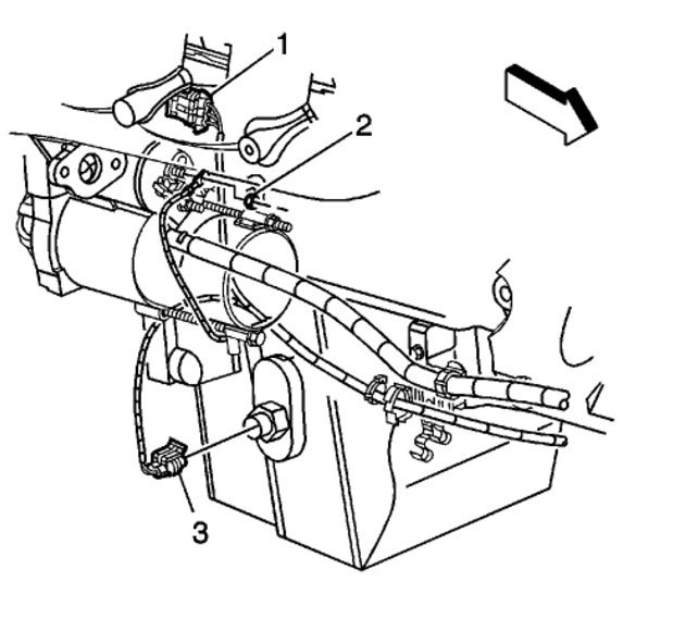
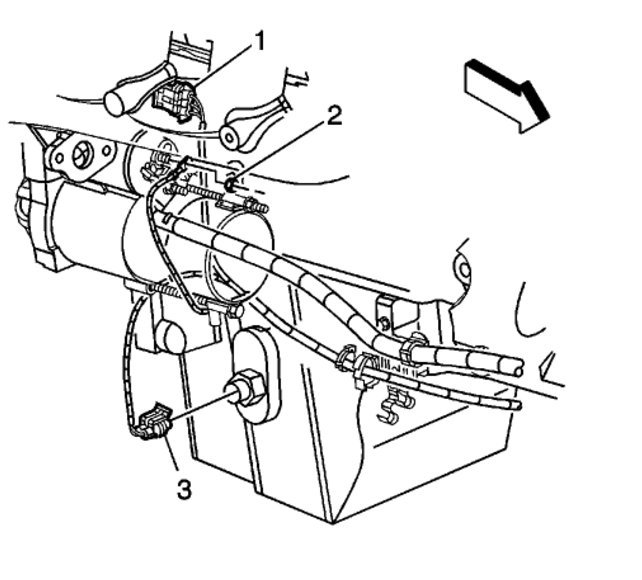
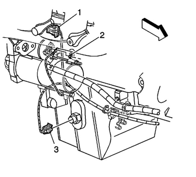
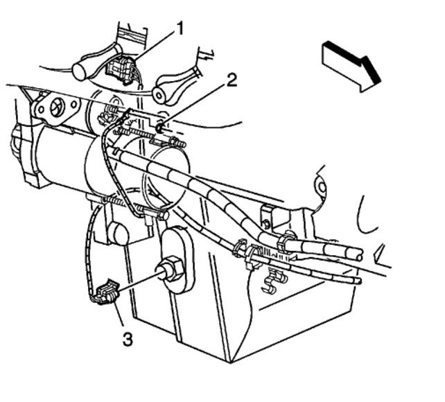
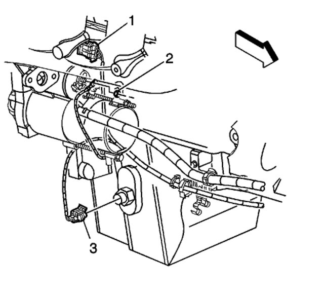
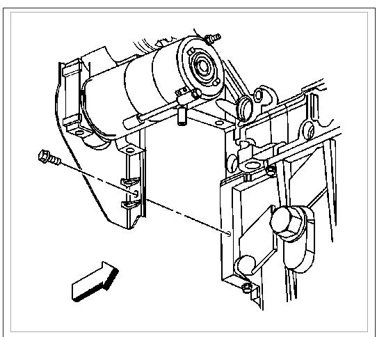
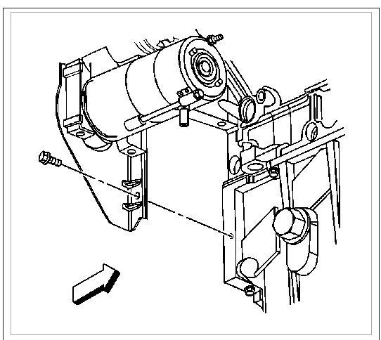
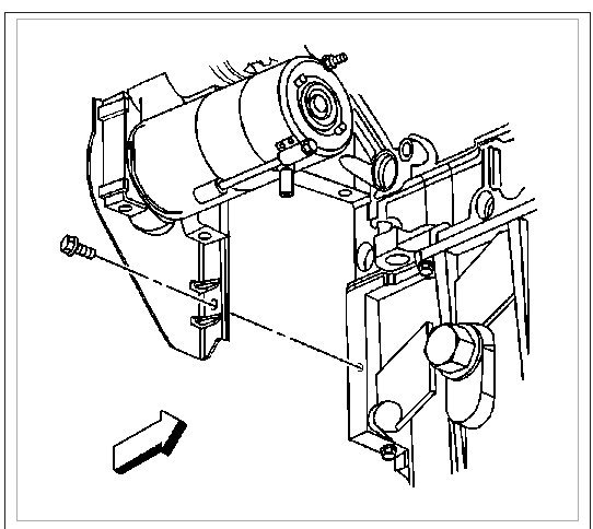
Disconnect the oil level sensor electrical connector (3).

Remove the battery cable channel bolt.
Slide the channel pin out of the oil pan tab.

Remove the following from the positive battery cable clip:
Engine wiring harness clip
Positive battery cable clip

Remove the engine oil cooler lines from the positive battery cable clip.
Remove the positive battery cable clip bolt and clip.

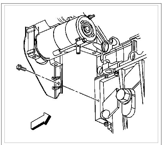
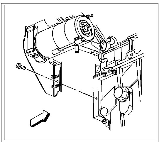
Remove the oil pan bolts.
Remove the oil pan.

Important: DO NOT allow foreign material to enter the oil passages of the oil pan, cap or cover the openings as required.
Drill (3) out the oil pan gasket retaining rivets (2), if required.
Remove the gasket (1) from the pan.
Discard the gasket and rivets.
If required, clean and inspect the engine oil pan.
Installation Procedure

Important:
The alignment of the structural oil pan is critical. The rear bolt hole locations of the oil pan provide mounting points for the transmission bellhousing. To ensure the rigidity of the powertrain and correct transmission alignment, it is important that the rear of the block and the rear of the oil pan must NEVER protrude beyond the engine block and transmission bellhousing plane.
Do not reuse the oil pan gasket.
It is not necessary to rivet the NEW gasket to the oil pan.

Please let us know if you need anything else to get the problem fixed.

Cheers, Ken
Was this
answer
helpful?
Yes
No
Monday, May 29th, 2017 AT 2:31 PM

Please login or register to post a reply.