Oil pressure lights blinks once after start

Tiny
MAKSOODMHD
  • MEMBER
  • 2002 HONDA CIVIC
  • 1.7L
  • 2WD
  • AUTOMATIC
  • 250,000 MILES
Hello,

My oil pressure light blinks once after start and then goes. Doesn't blink again. It only blinks if car is turned off for more than 30 minutes or so. Doesn't blink when hot.
Wednesday, July 29th, 2020 AT 10:16 PM

1 Reply

Tiny
ASEMASTER6371
  • MECHANIC
  • 52,796 POSTS
Good morning,

This may be ether the sender unit itself or you may have low pressure on start up from a oil pump that may have lost its prime.

https://www.2carpros.com/articles/high-or-low-engine-oil-pressure

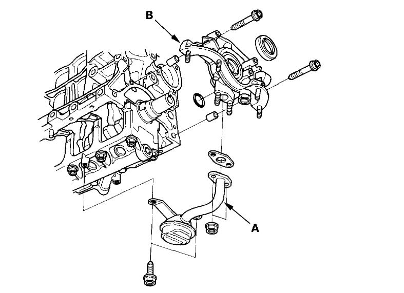
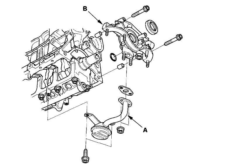
I attached the location of the pump in the front of the engine for you.

https://www.2carpros.com/articles/high-or-low-engine-oil-pressure

I attached a YouTube video that shows where the pump is located and what needs to be removed to access it.

https://www.youtube.com/watch?v=dUi_zJRR960

I would start with replacing the sender unit.

I attached a picture of the location for you.

Roy

Was this
answer
helpful?
Yes
No
Thursday, July 30th, 2020 AT 3:13 AM

Please login or register to post a reply.