Oil light not turning off and the fuel gauge does not Move

Tiny
AUSTINO
  • MEMBER
  • 2003 JAGUAR S-TYPE
  • 3.0L
  • 6 CYL
  • 2WD
  • AUTOMATIC
  • 67,000 MILES
Good evening guys. The oil light on my car is not coming off and the gas gauge is not moving. Can you tell me what can cause this problem? Thank you for a speedy response.
Saturday, May 29th, 2021 AT 4:08 PM

9 Replies

Tiny
JACOBANDNICKOLAS
  • MECHANIC
  • 110,192 POSTS
Hi,

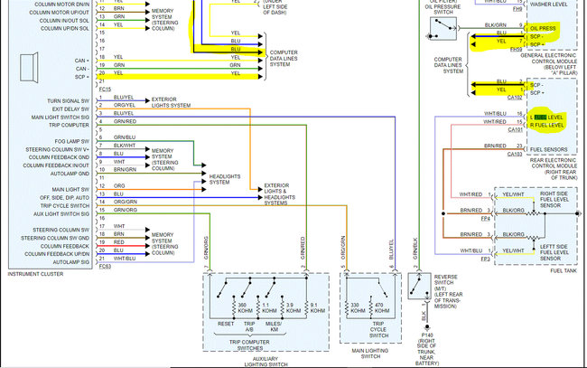
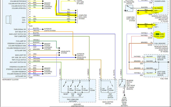
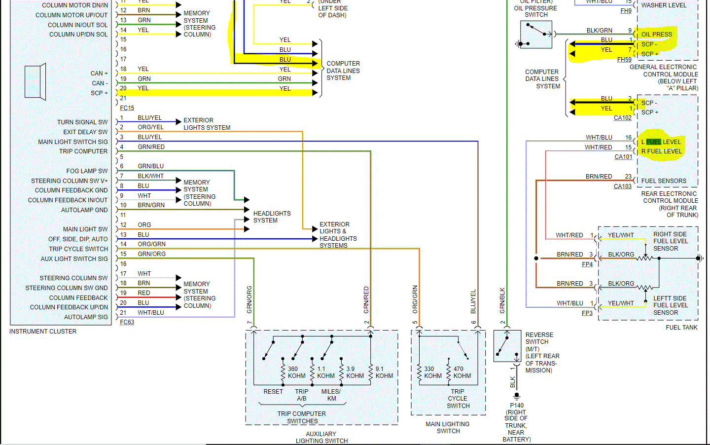
The rear electronic control module is tied to the instrument cluster, fuel gauge, and oil pressure light via what is called a CAN bus. CAN stands for controller area network. I would recommend checking the wiring at that module as well as at the instrument panel for a location where the two wires (blue and yellow) have crossed or a connector has failed. It seems (and this is a theory) power from the fuel gauge is being sent to the oil light and not the gauge.

If you look at the pics below, I included the wiring schematic related to this issue. I highlighted the wires I recommend checking. Here is a link you may find helpful:

https://www.2carpros.com/articles/how-to-check-wiring

Also, I strongly recommend having the CAN bus system scanned. As mentioned, the can is a network that ties all modules together via a few wires. If there is a fault in the module, it should be indicated via a diagnostic trouble code.

Here is a quick video showing how it's done:

https://youtu.be/InIlnsjOVFA

Let me know what you find or if you have other questions.

Joe

See pics below.

Was this
answer
helpful?
Yes
No
+1
Saturday, May 29th, 2021 AT 11:01 PM
Tiny
AUSTINO
  • MEMBER
  • 220 POSTS
Good morning, thank you Joe. I will check and let you know what I find.
Was this
answer
helpful?
Yes
No
Sunday, May 30th, 2021 AT 3:31 AM
Tiny
JACOBANDNICKOLAS
  • MECHANIC
  • 110,192 POSTS
Hi,

You are very welcome. If you have the chance, let me know what you find or if you have other questions.

Take care,

Joe
Was this
answer
helpful?
Yes
No
Sunday, May 30th, 2021 AT 5:59 PM
Tiny
AUSTINO
  • MEMBER
  • 220 POSTS
Good morning Joe. Yes, I have a question. I am asking you kindly if you can please show me a simpler diagram to locate the wires. I don't know where the instrument cluster is. Please help me. Thank you
Was this
answer
helpful?
Yes
No
Monday, May 31st, 2021 AT 4:37 AM
Tiny
JACOBANDNICKOLAS
  • MECHANIC
  • 110,192 POSTS
Hi,

The instrument cluster is on the dash. The wiring shown is behind the cluster. The connector to the cluster is what is shown.

As far as a different schematic, this is all I have. I'm sorry about that.

Let me know if you can find the cluster wiring.

Joe
Was this
answer
helpful?
Yes
No
Monday, May 31st, 2021 AT 8:30 PM
Tiny
AUSTINO
  • MEMBER
  • 220 POSTS
Okay, thank you.
Was this
answer
helpful?
Yes
No
Tuesday, June 1st, 2021 AT 1:38 PM
Tiny
JACOBANDNICKOLAS
  • MECHANIC
  • 110,192 POSTS
You are welcome. Let me know if there is something I can do to help.

Joe
Was this
answer
helpful?
Yes
No
Tuesday, June 1st, 2021 AT 7:06 PM
Tiny
AUSTINO TAMMY
  • MEMBER
  • 5 POSTS
Good morning,

When I park my car for 25 minutes, the car's transmission starts to leak oil on the front of the crankcase. Can you please tell me what can cause this problem?
Thank you.
Was this
answer
helpful?
Yes
No
Saturday, June 4th, 2022 AT 8:47 AM
Tiny
KASEKENNY
  • MECHANIC
  • 18,907 POSTS
We can definitely help with this but unfortunately, we need to get a new post started on this because this issue is not the same as listed in the subject line of this post.

https://www.2carpros.com/questions/new

Basically, we need to keep each post to one topic just so that if others have the same issue, they can find it.

More than likely they will not find this specific issue under this post.

Sorry for any inconvenience. Thanks
Was this
answer
helpful?
Yes
No
Saturday, June 4th, 2022 AT 3:19 PM

Please login or register to post a reply.