Oil in cylinder?

Tiny
ALEX TESTERMAN
  • MEMBER
  • 2015 FORD MUSTANG
  • 5.0L
  • V8
  • 2WD
  • MANUAL
  • 100,000 MILES
I made the mistake of pulling spark plugs out of the well with oil in them and the oil drained into the cylinder. I'm trying Find a way to clear the oil from the cylinder without having to disassemble the motor past the valve covers.
Monday, January 16th, 2023 AT 8:41 AM

3 Replies

Tiny
AL514
  • MECHANIC
  • 5,590 POSTS
Hello, how much oil got into the cylinder(s)? If it was just a small amount don't worry about it. Start the vehicle and this will burn off the oil in a couple minutes. We actually put oil into cylinders sometimes when addressing a compression issue. If a cylinder comes up low on a compression test, we can add a little bit of oil in the cylinder, and it will seal up the piston ring. This way we can tell if the compression loss is due to worn piston rings or if it is a valve issue. So as long as it wasn't a lot of oil, you should be fine. If it was a leaking valve cover seal, the o rings that seal the spark plug area, it most likely wasn't more than a teaspoon of oil. You will want to replace those seals, but you should be ok on starting the engine. It might smoke for a second out the tail pipe, but won't do any lasting damage.

https://www.2carpros.com/articles/how-to-test-engine-compression
Was this
answer
helpful?
Yes
No
Monday, January 16th, 2023 AT 9:00 AM
Tiny
ALEX TESTERMAN
  • MEMBER
  • 2 POSTS
One side was leaking much worse than the other. Cylinder 7 had probably just a tablespoon or two but cylinder 3 had enough oil to the point of soaking the entire coil pack, should that be cause for concern? I've already got the gaskets ready to go for replacement.
Was this
answer
helpful?
Yes
No
Monday, January 16th, 2023 AT 9:17 AM
Tiny
AL514
  • MECHANIC
  • 5,590 POSTS
If you're worried about running it like this, and I don't know the exact amount of oil, but unplug the fuel injectors and disable the ignition coils. Pull the spark plugs or plug for whatever cylinder you think there is too much oil in and put something over the spark plug holes and crank the engine over. It won't start but this will push a good amount of the oil out of the cylinder through the spark plug hole. Putting some paper towels over it to catch the oil coming out. With spark and fuel disabled you can do this safely without having to worry about fire from the ignition coils or anything like that. This will also prevent the spark plugs from getting flooded out or any cylinder wash with the fuel injectors unplugged. I'll find you a fuse you can pull instead of unplugging all the injectors if that's easier for you. I'll post it anyway.
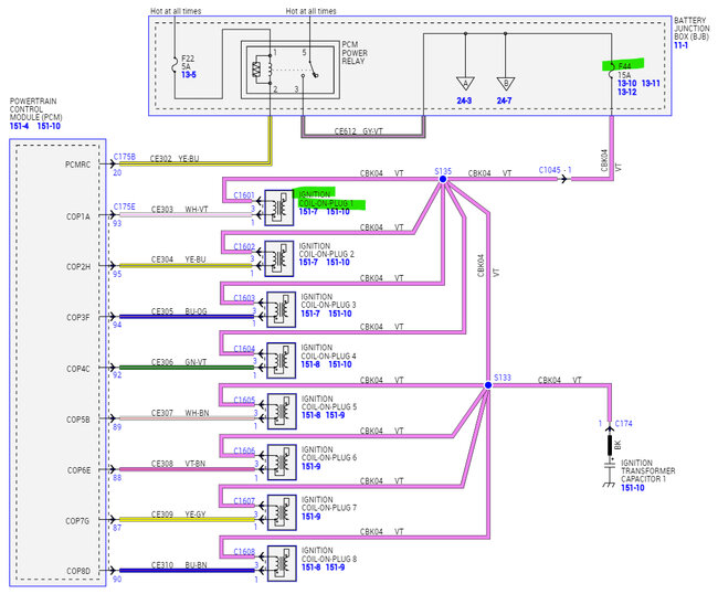
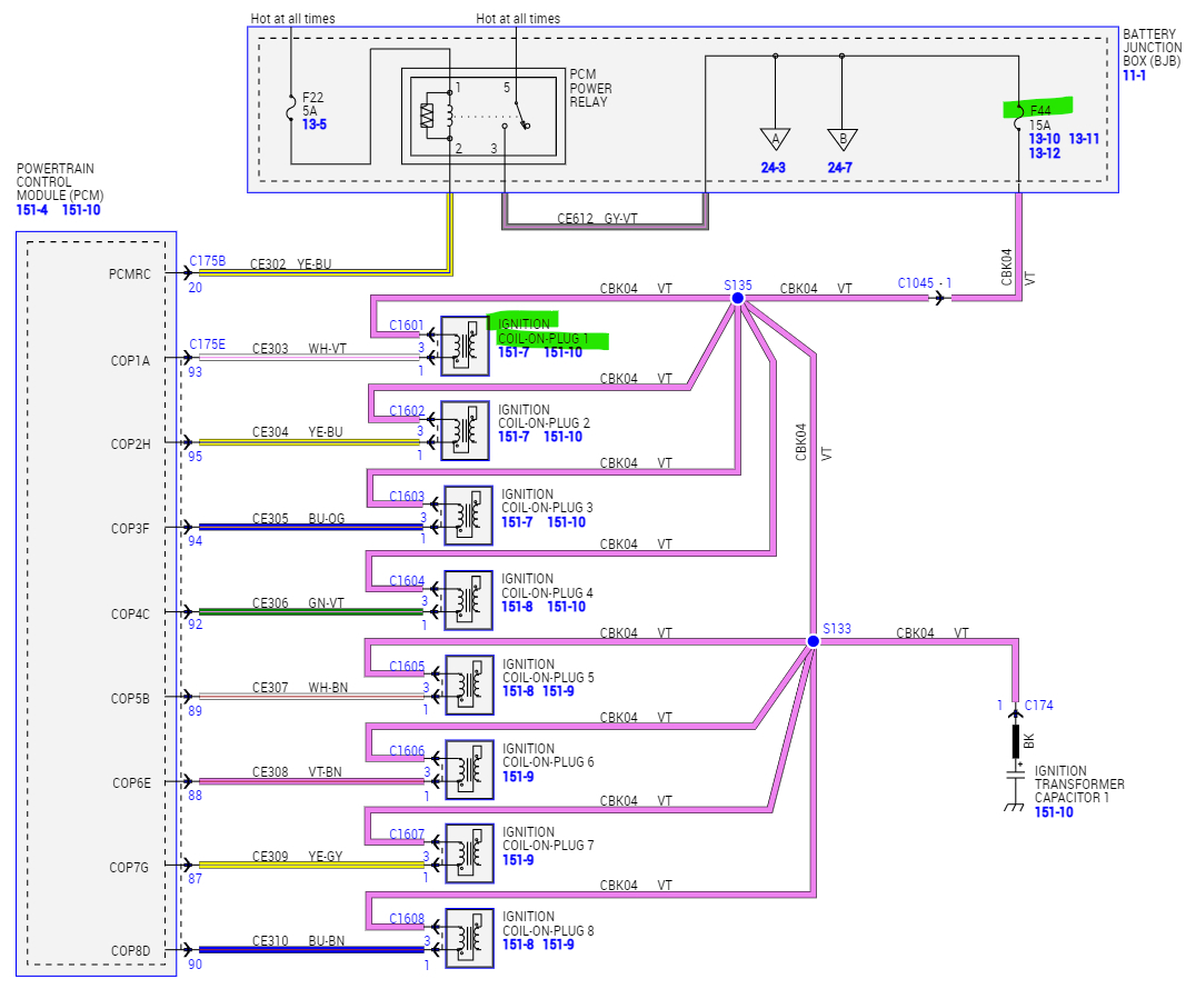
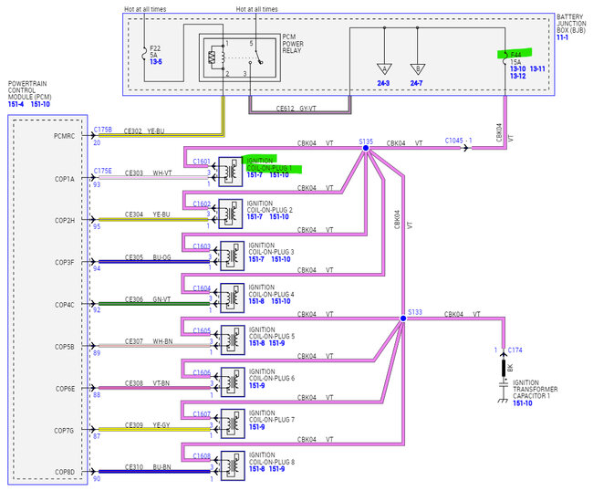
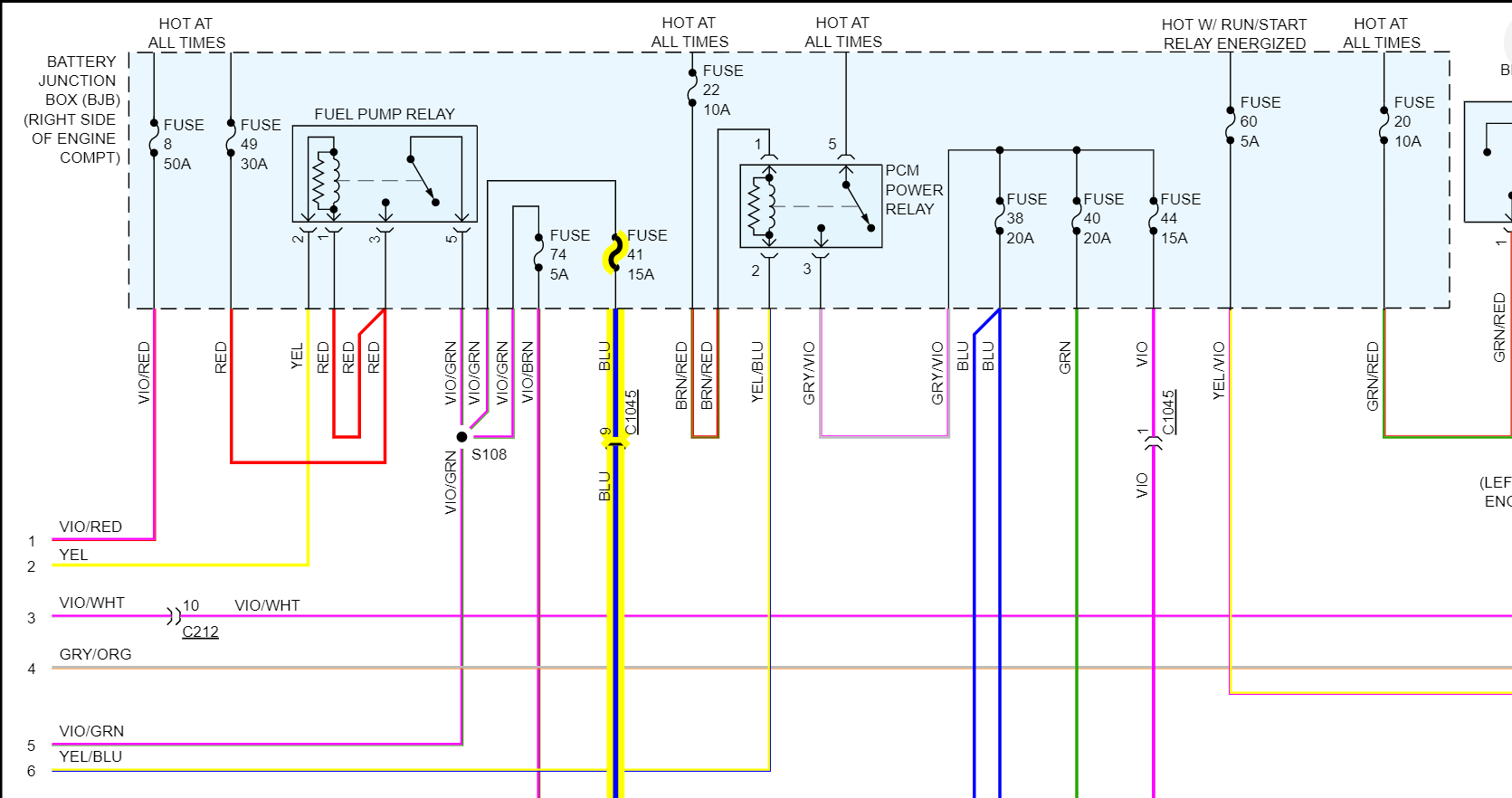
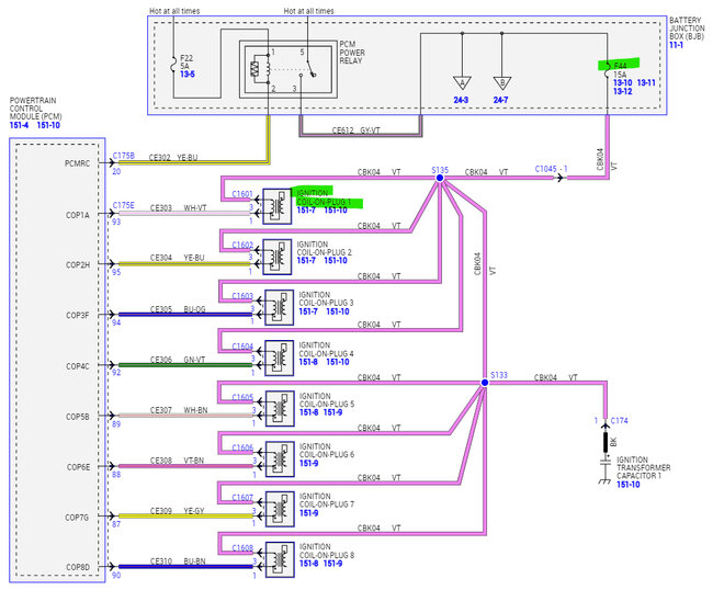
Looks like Fuse 41 is for the fuel injectors and Fuse 44 is for the Ignition coils.
Here are the OEM diagrams and fuses just to back that up. Those are the correct fuses.
Was this
answer
helpful?
Yes
No
Monday, January 16th, 2023 AT 10:11 AM

Please login or register to post a reply.