Odometer not working

Tiny
GASTONE3000
  • MEMBER
  • 2013 NISSAN ALTIMA
  • 145,000 MILES
My dashboard light not on, odometer not working, radio light on but not playing.
Tuesday, December 18th, 2018 AT 5:27 PM

3 Replies

Tiny
KEN L
  • MASTER CERTIFIED MECHANIC
  • 55,127 POSTS
Hello,

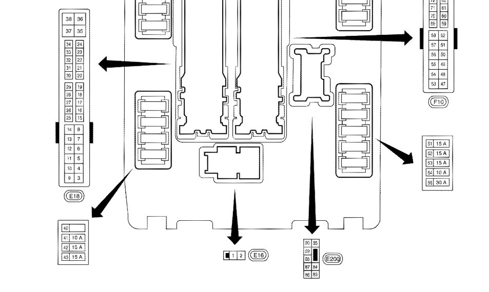
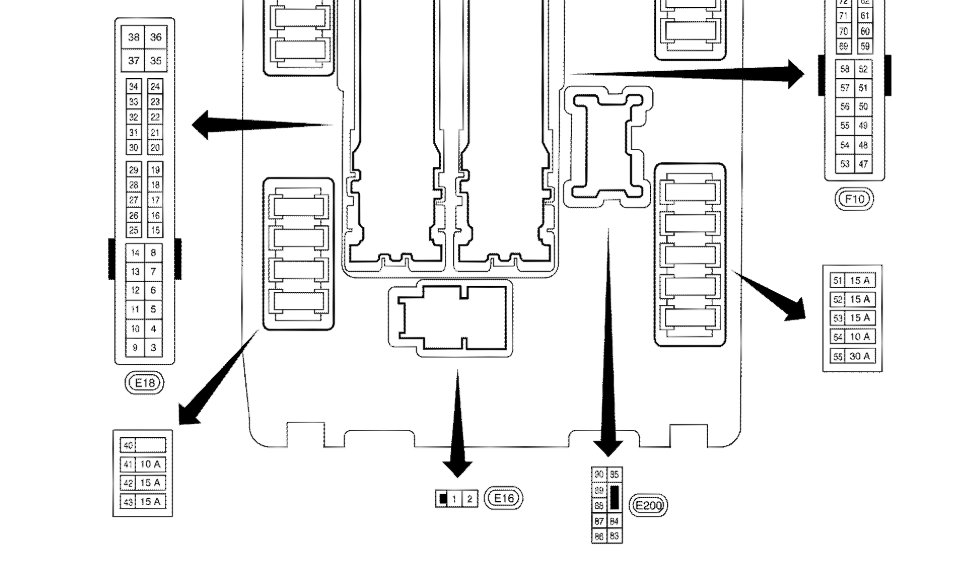
We need to check fuses # 29, 25 and 15. If they are okay we need to check the accessory relay. Here are the radio wiring diagrams so you can see how the system works. Also the fuse location and the relay as well. These guides will help you test the fuses and relay. Both can affect the odometer which is controlled by the BCM.

https://www.2carpros.com/articles/how-to-check-an-electrical-relay-and-wiring-control-circuit

and

https://www.2carpros.com/articles/how-to-check-a-car-fuse

If everything checks out I would think the BCM is out which will need to be programmed for $130.00 at a shop.

Check out the diagrams (below). Please let us know what happens. Cheers, Ken
Was this
answer
helpful?
Yes
No
Thursday, December 20th, 2018 AT 6:00 PM
Tiny
GASTONE3000
  • MEMBER
  • 2 POSTS
Thanks for reply. We've checked all fuses are okay. The radio is playing okay. The main issues is odometer not spinning, dashboard light off.
Was this
answer
helpful?
Yes
No
Friday, December 21st, 2018 AT 8:09 AM
Tiny
KEN L
  • MASTER CERTIFIED MECHANIC
  • 55,127 POSTS
Okay, that leaves the BCM going out but to be sure we need to scan the CAN. Here is a video to help confirm the issue:

https://youtu.be/InIlnsjOVFA

Please run down this guide and report back.
Was this
answer
helpful?
Yes
No
Saturday, December 22nd, 2018 AT 12:16 PM

Please login or register to post a reply.