Friday, July 22nd, 2022 AT 6:21 AM
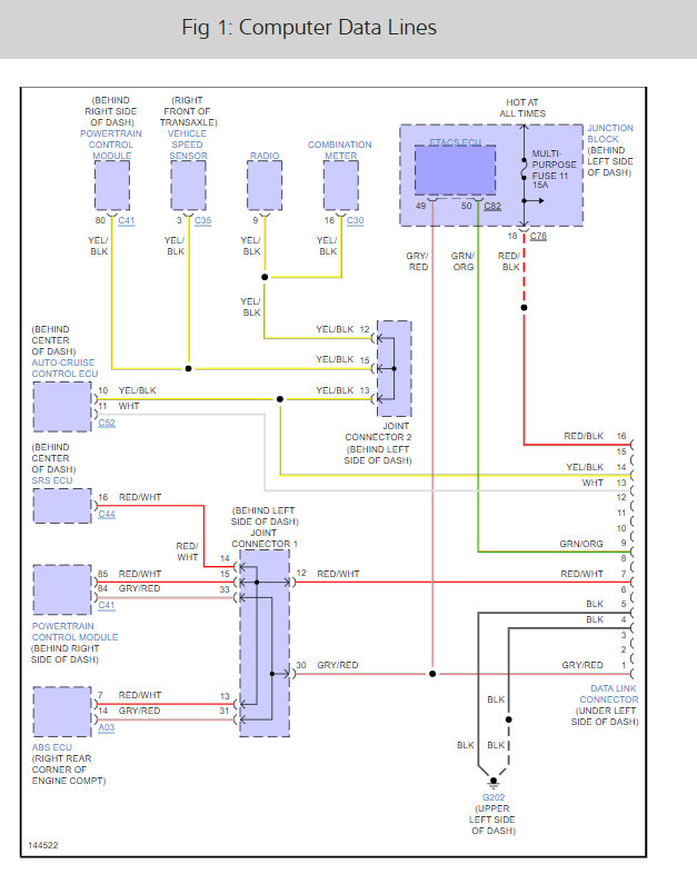
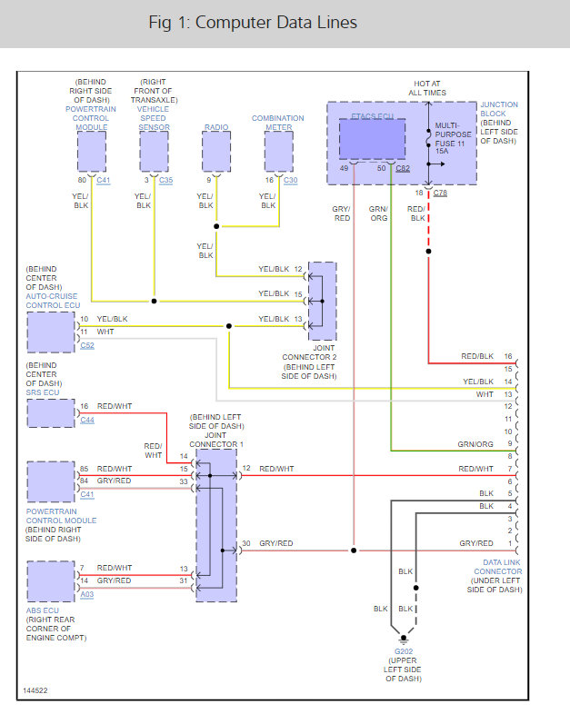
If you connect MUT-II original Mitsubishi diagnostics to je port, it starts to blink out the codes to dashboard, but we are unable to connect to the ECU.

