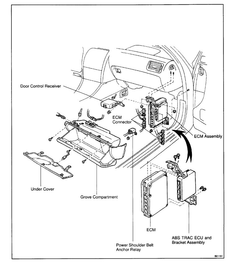
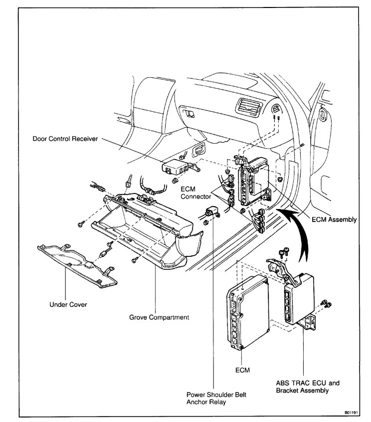
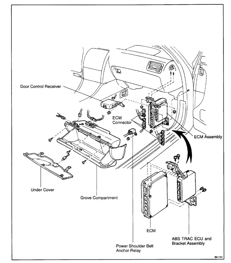
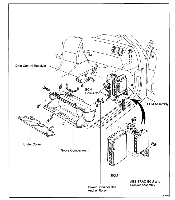
Friday, October 18th, 2019 AT 12:34 PM
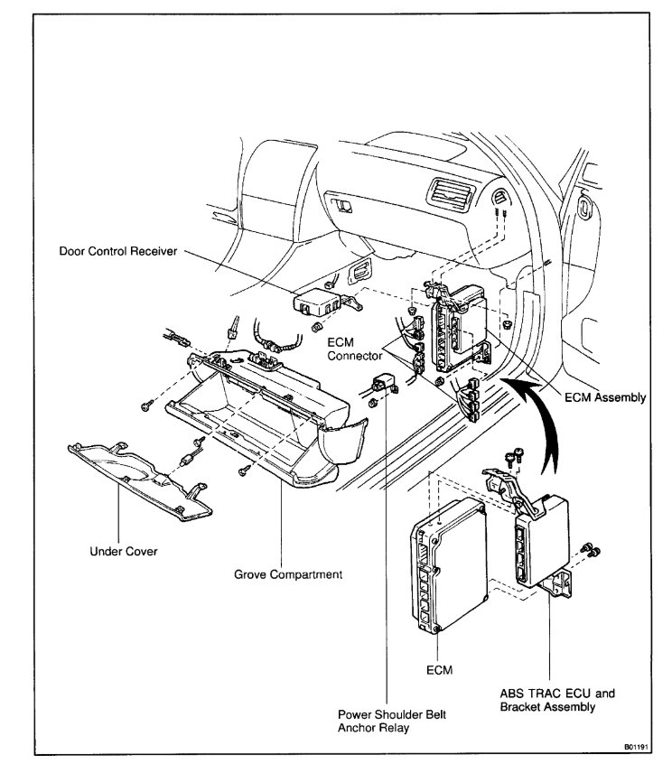
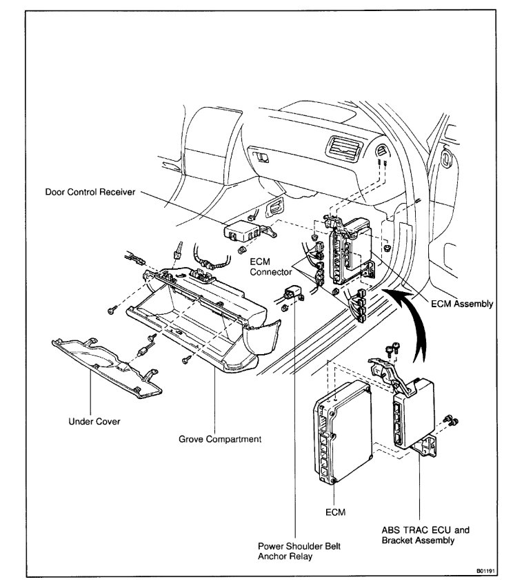
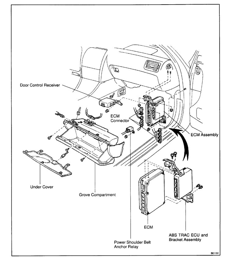
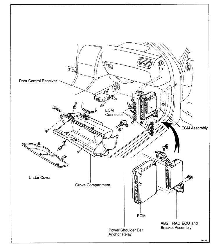
I tried swapping the sensor from bank 1 sensor 1 and it reads properly on bank 1, in bank 2 it reads for first drive after the swap but later it only reads zero. I am getting code P0135 tried clearing it and it comes again. For me the sensor seems fine but no idea why it reads zero on bank 2. What could be wrong?














