Electric cooling fan not turning on?

Tiny
GREGDEGS
  • MEMBER
  • 2018 CHEVROLET CRUZE
  • 1.4L
  • 4 CYL
  • 2WD
  • AUTOMATIC
  • 71,180 MILES
Electric cooling fan will not turn on. At all
Thursday, June 20th, 2024 AT 10:31 AM

12 Replies

Tiny
KEN L
  • MASTER CERTIFIED MECHANIC
  • 55,158 POSTS
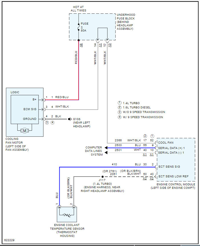
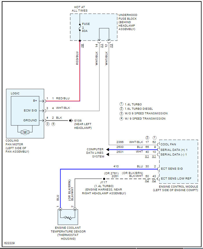
Chances are the cooling fan motor has gone bad but we should check the Fuse#2 80 amp under the hood behind the headlight, also with the engine off try to move the fan blade to see if it turns freely, if it is hard to turn the motor is definitely bad.

Here is the fuse location and a guide to help test it:

https://www.2carpros.com/articles/how-to-check-a-car-fuse

Here is the cooling fan wiring diagrams so you can see how the system works and how to change out the fan motor in case you need it. Check out the images (below). Please let us know what happens.

Was this
answer
helpful?
Yes
No
-1
Thursday, June 20th, 2024 AT 5:28 PM
Tiny
GREGDEGS
  • MEMBER
  • 13 POSTS
Also there is no check engine light on, When I notice the fan would not turn on, When the temp gauge redline, After having the air conditioner on , In the city after driving around for a couple of hours, The car did not boil over, I had the car scan, The only problem, That showed up was the high side level for the A/C, was a way up. But the tech said that was probably caused, From the cooling fan not coming on.
Was this
answer
helpful?
Yes
No
Saturday, June 22nd, 2024 AT 7:14 PM
Tiny
GREGDEGS
  • MEMBER
  • 13 POSTS
Ken/ 2018 Chevy Cruze Premier/ There are no fuses or relays In the under hood fuse box, That I can find that have anything to do with, The electric cooling fan in that car. The same goes for the inside fuse block inside the car.
Was this
answer
helpful?
Yes
No
Saturday, June 22nd, 2024 AT 7:15 PM
Tiny
KEN L
  • MASTER CERTIFIED MECHANIC
  • 55,158 POSTS
Yep, there seems to be a discrepancy in the information. As you can see from the wiring diagrams above there should be an 80 amp fuse but I can't find it in the fuse panels. So, I would use a test light and probe the red/blue wire going to the cooling fan, it should be hot at all times.

This guide can help:

https://www.2carpros.com/articles/how-to-use-a-test-light-circuit-tester

Please go over this guide and get back to us.

Was this
answer
helpful?
Yes
No
+1
Sunday, June 23rd, 2024 AT 10:50 AM
Tiny
GREGDEGS
  • MEMBER
  • 13 POSTS
Ken, the cooling fam was replaced, In the car in Sept of2022, After the car was in a front end collision, But myself also, I am thinking the cooling fan is hooch, I was going to try and disconnect the power plug, For the fan, But I can't get it apart, And I don't want to damage it, I had the car in a shop, But I don't think they check out if the fan is working or not, Even though I told them it is not working, Of what I no they just scan, It to see if any codes would show up. Is there a way that I can test the fan motor, without unplugging it?
Was this
answer
helpful?
Yes
No
Sunday, June 23rd, 2024 AT 3:31 PM
Tiny
KEN L
  • MASTER CERTIFIED MECHANIC
  • 55,158 POSTS
Sure, you can probe the wire red/blu wire going to the fan motor it should have power. Then switch the test light lead to the positive side of the battery to test the ground wire of the fan (black) if there is ground and power the cooling fan motor has gone bad.

Please go over this guide:

https://www.2carpros.com/articles/how-to-use-a-test-light-circuit-tester

Please go over this guide and get back to us.
Was this
answer
helpful?
Yes
No
Monday, June 24th, 2024 AT 10:11 AM
Tiny
GREGDEGS
  • MEMBER
  • 13 POSTS
Ken, I gave up trying to figure out what is going on with it, because I can't find any accurate info at all, For that car, I decided to take it to one of the GM dealers where I live, Where I use to take it when the car still had warranty on it, There are 2 services advisors there that are very helpful, The one that book it in for me is staying, It is probably the temperature sensor, That is causing the problem. But again, That what I was thinking, Would you happen to no how many of them are in that car. Again from info I seen there are 3 of them. But I can only find one , On it. It stays in info I seen there is one buy the water outlet, I found that one, But it also shows in any info, I have come across, that there is one on the bottom of the rad also, I can't find one anywhere on the rad, At All Ken. I haven't got the car book in until July 12th, I would like to be able to solve the problem my self and save a lot of money, I had a lot of problems with the car in the last 3 months, And it is turning into a real money pit, Sine the warranty has ended on it.
Was this
answer
helpful?
Yes
No
Monday, June 24th, 2024 AT 12:25 PM
Tiny
KEN L
  • MASTER CERTIFIED MECHANIC
  • 55,158 POSTS
I don't think it is the temp sender because it would have a code but you never know. Here is the location of both coolant temperature sensors. I would swap out the one in the radiator because that is the one that controls the fan. Check out the images (below). Let us know how it goes.
Was this
answer
helpful?
Yes
No
+1
Tuesday, June 25th, 2024 AT 10:00 AM
Tiny
GREGDEGS
  • MEMBER
  • 13 POSTS
Ken,

Thanks very much for your help. I agree with what you're saying alright, that there should be codes, I am use to working on the older vehicles, and my experience I had before, is that if the cooling sensor is bad, the car will over heat, all the time, and that is not happening with it, will the check engine light come on if the fan is bad, ken? I would like to try and test the fan, but as I told you before, I can't get the plug for it apart, and I don't want to damage it, and have extra cost, for replacing it also. I seen in videos, where guy use a muti meter, I got one, but the pins on it are to short to probe the connector, to check for continuity, I would like to try and unplug the conector for the fan, and use a 12 volt power supply, and jumper cables to, see if the fan is working or not, but at one of the GM dealer ships, 3 different services advisors, told me you can, t do that on the newer vehicles, it could shot something out and do damage to the ecm, is that true Ken?
Was this
answer
helpful?
Yes
No
Tuesday, June 25th, 2024 AT 11:47 AM
Tiny
KEN L
  • MASTER CERTIFIED MECHANIC
  • 55,158 POSTS
Yep, they are correct, because the fan motor control module is controlled by the PCM but you can test for power and ground like I described in the post above. If it has power and ground then replace the fan motor module. 9 times of of 10 this will be the problem.
Was this
answer
helpful?
Yes
No
+1
Wednesday, June 26th, 2024 AT 9:20 AM
Tiny
GREGDEGS
  • MEMBER
  • 13 POSTS
Ken, I decided to take it to one if the tire store where I live, To get them to see if the fan was bad, All is what was wrong with it, One of the wire on the connector plug was loose.
Was this
answer
helpful?
Yes
No
Wednesday, June 26th, 2024 AT 3:53 PM
Tiny
KEN L
  • MASTER CERTIFIED MECHANIC
  • 55,158 POSTS
Glad you could get it fixed, thanks for letting us know. Please use 2CarPros anytime we are here to help.
Was this
answer
helpful?
Yes
No
+1
Thursday, June 27th, 2024 AT 10:00 AM

Please login or register to post a reply.