Friday, June 2nd, 2023 AT 4:05 AM
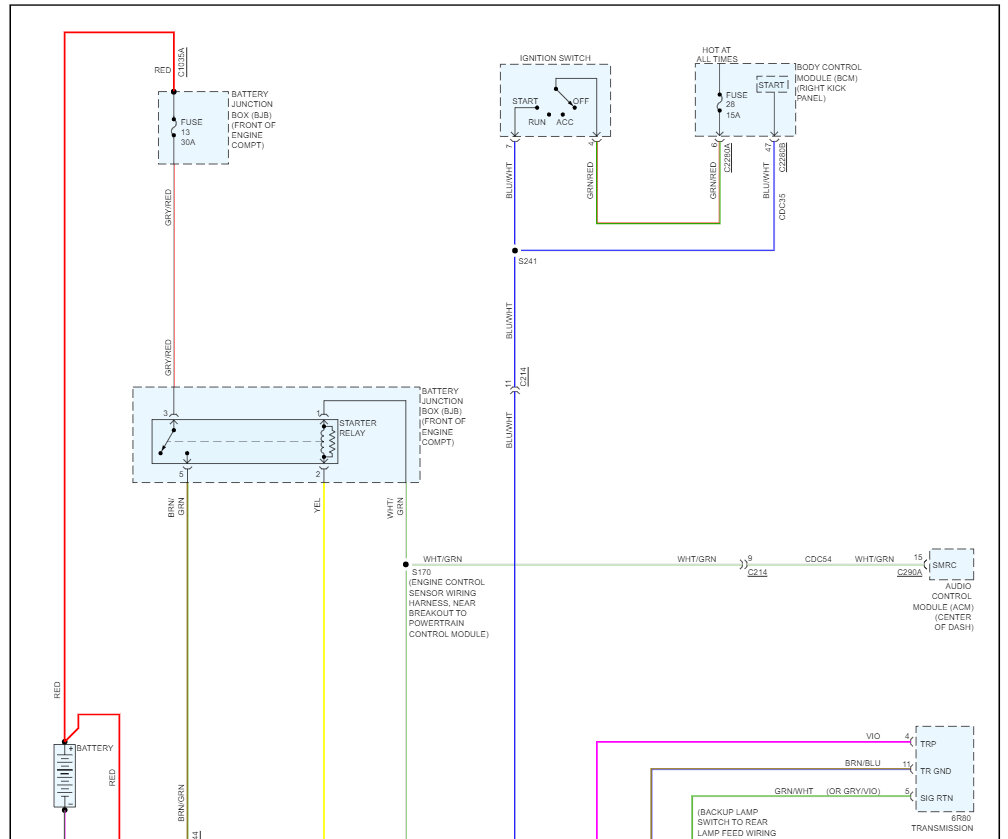
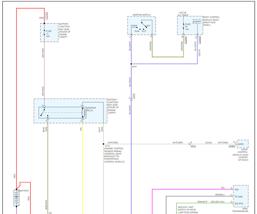
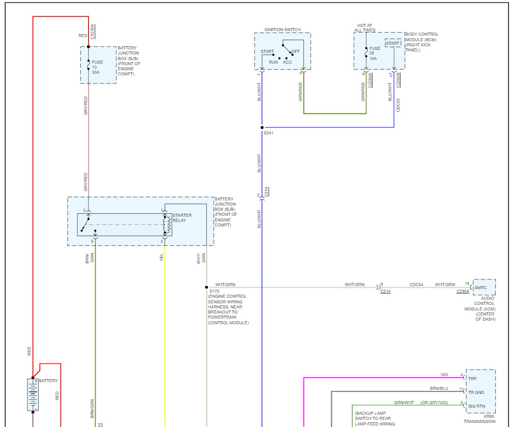
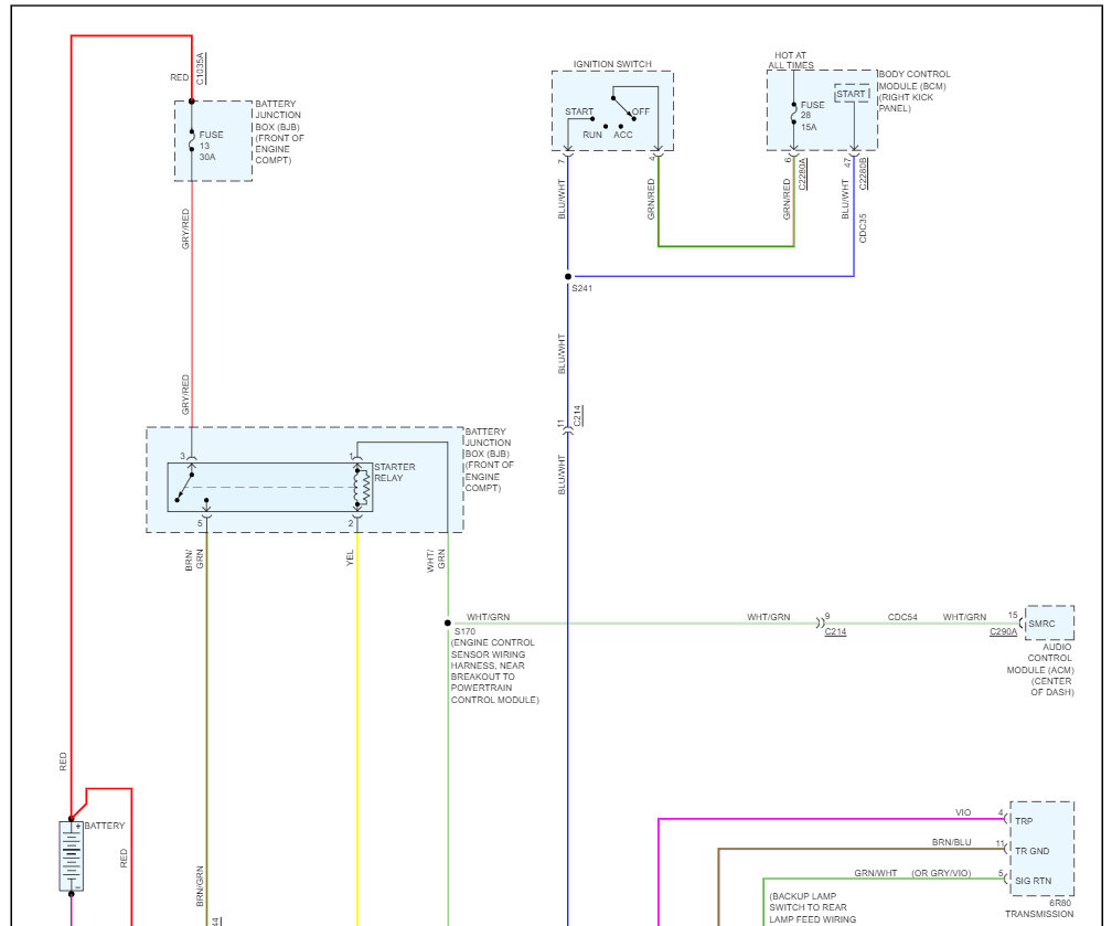
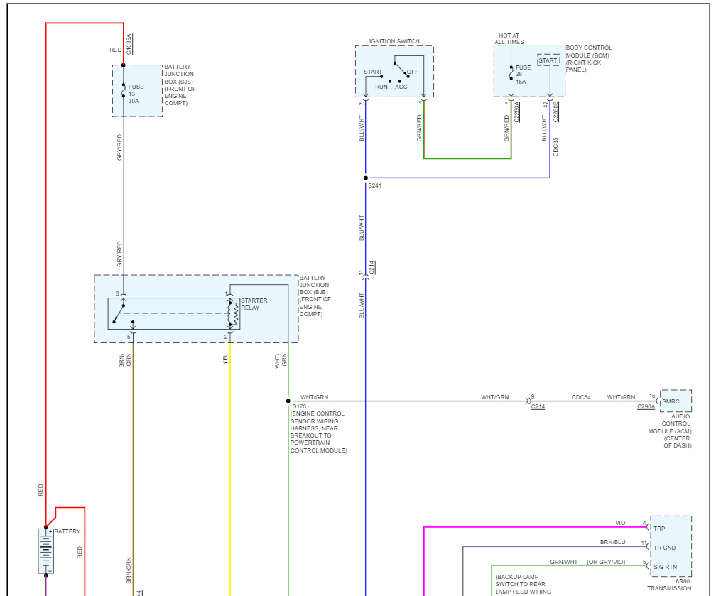
I drove my truck 62 miles. Everything was working fine. I stopped at a gas station, parked it and turned it off. I was then heading outside, and I attempted to start the truck with the aftermarket remote start. It made one click and didn’t start. I then climbed in, put my key in and attempted to start it and no clicks or anything. The check engine light was on as well. It was like the starter didn’t attempt to turn anything on. Only the electronics were on (lights, dash, radio). I had to leave the truck behind to make it to work on time. However, I believe all of the electronics have stayed on. I couldn’t get the vehicle to start at all.






