Thursday, September 8th, 2016 AT 3:28 PM
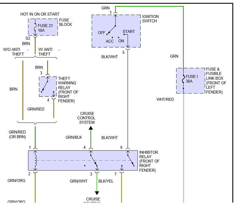
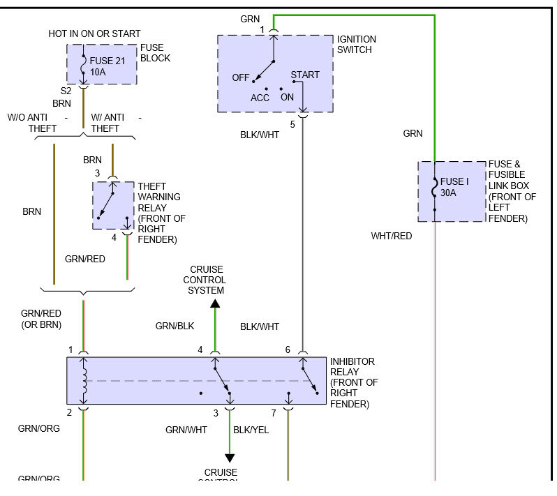
A while back I stayed over at a friend's house, and when I went to leave the next day my car wouldn't start (or even crank). After a bit of testing, got it down to it being a bad starter. Got it towed home, replaced the starter. Now it cranks but won't start. I've already replaced the distributor cap, rotor, wireset, spark plugs, and battery terminals (corroded bad). Still just cranks but won't start. I used a test light, and a power probe for actual measurements, to see if there was spark in the wireset. There was not. I checked for fuel. I seem to be getting some, as the tube that it goes through to get to the spark plugs has fuel going through when I try to start it. I kept the distributor off and had someone try to start it to see if there was a spark in the distributor. There is spark inside, I can visibly see it. Yet somehow it doesn't travel to the new cap.




