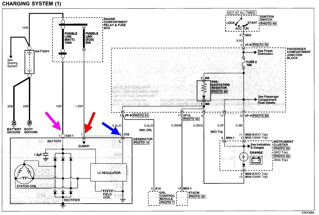
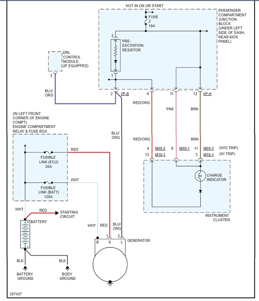
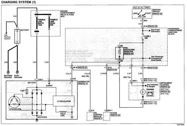
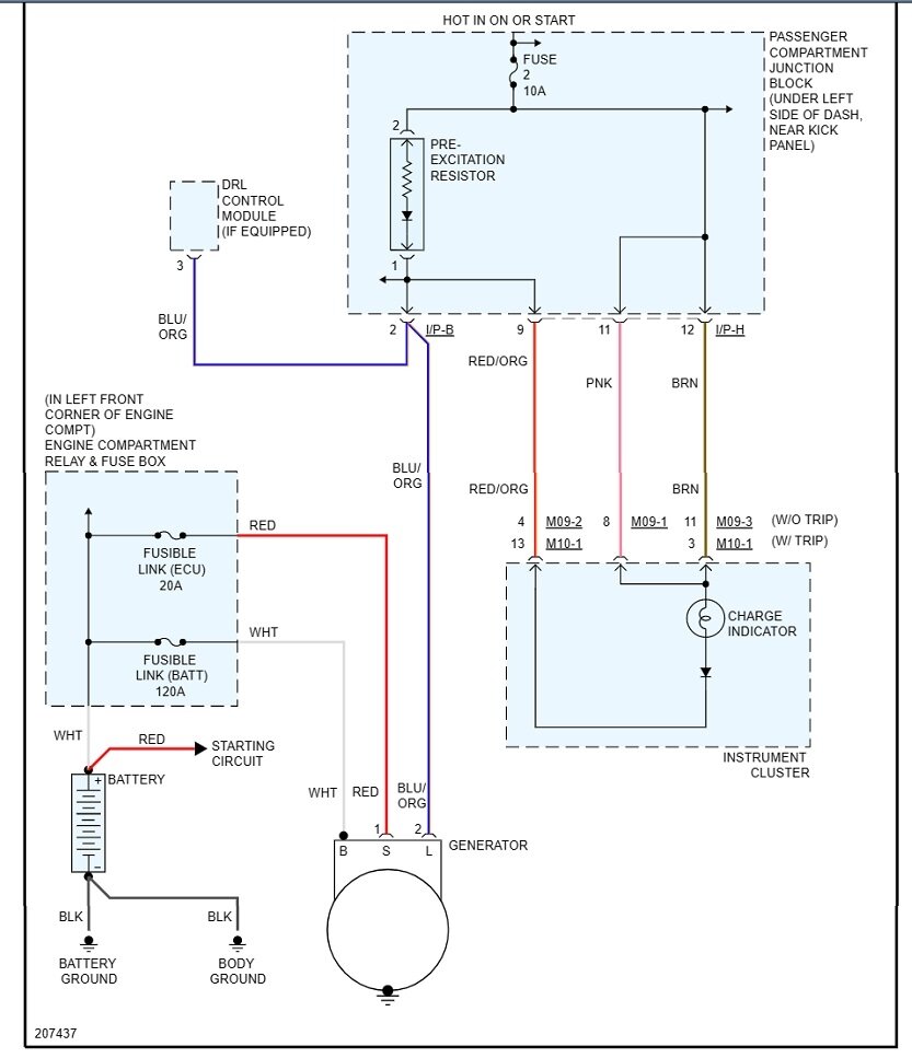
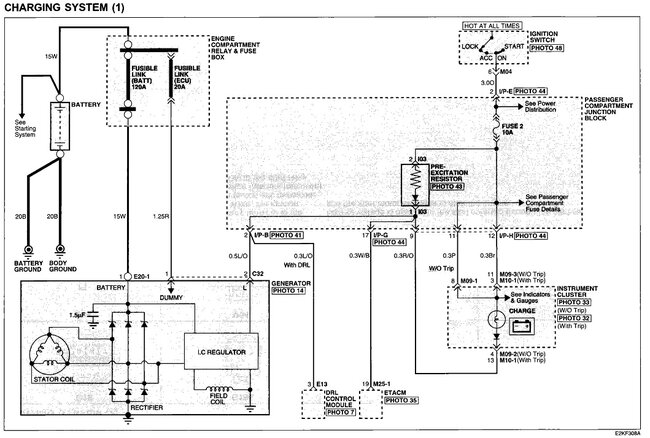
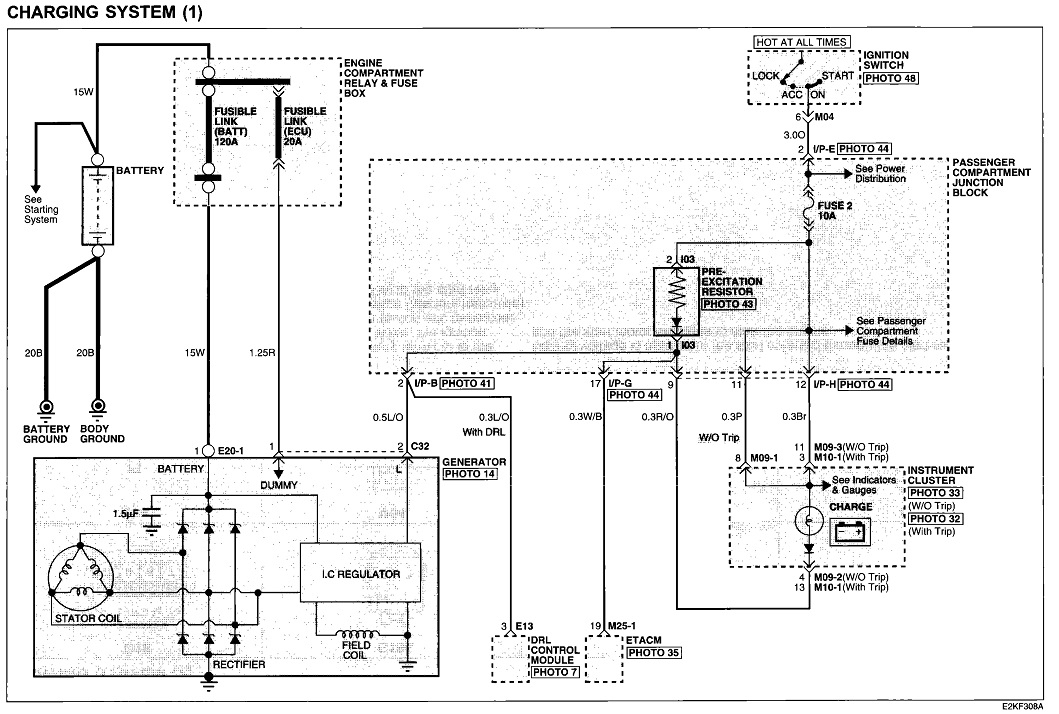
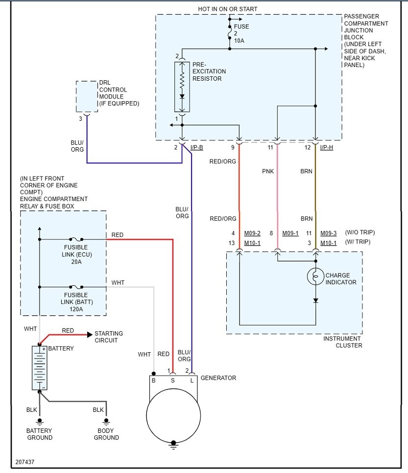
Thursday, March 2nd, 2023 AT 9:15 AM
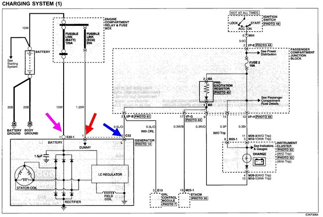
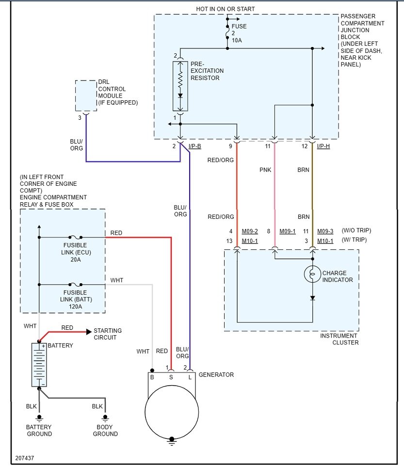
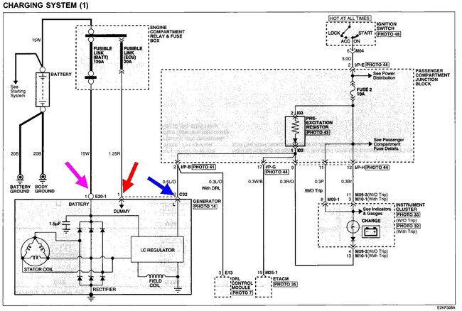
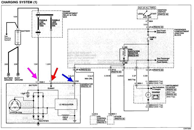
The car will start when attached to the jumper cables but when they are removed the car shuts off. The battery and the alternator work according to AutoZone so I don't know what to do next. I'm trying to troubleshoot this issue for my family member car.


