Not starting?

Tiny
RANDY1955
  • MEMBER
  • 2005 HYUNDAI SONATA
  • 2.7L
  • V6
  • 2WD
  • AUTOMATIC
  • 178,000 MILES
The alternator is working, the battery is charging, after you have this car running it will start right back up, but it sits for a while it won't start it acts like a bad connection. The battery is still up where it should be. Checked my connections, they seem to be alright

So, does anybody have any ideas? Thank you
Sunday, November 19th, 2023 AT 3:03 PM

1 Reply

Tiny
JACOBANDNICKOLAS
  • MECHANIC
  • 110,194 POSTS
Hi,

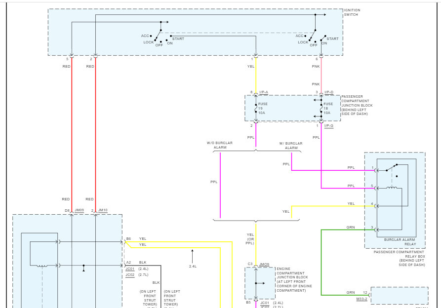
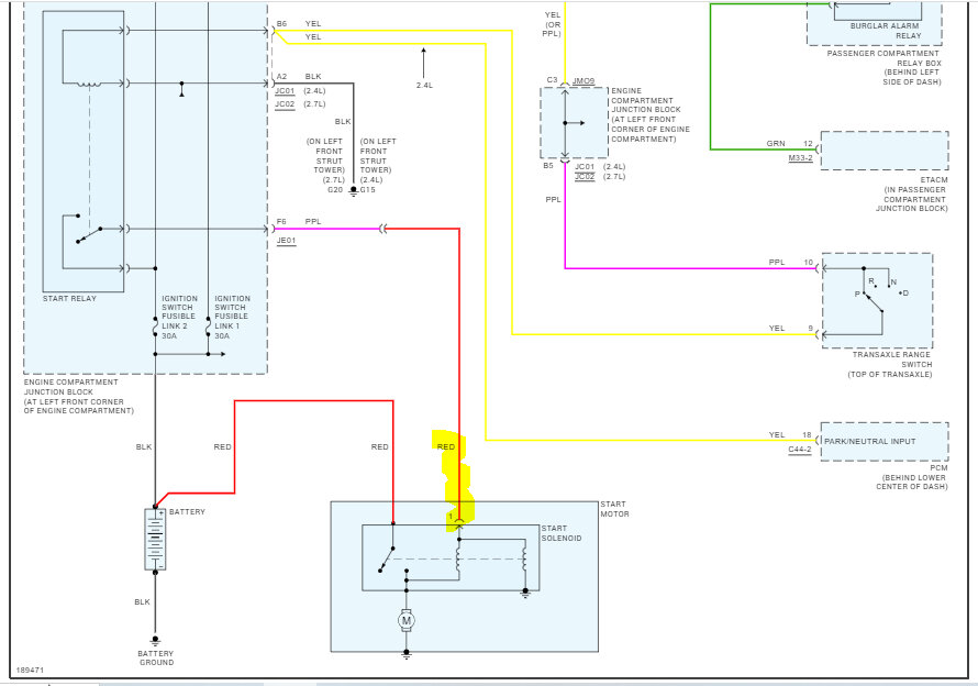
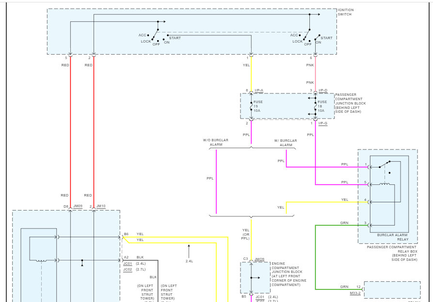
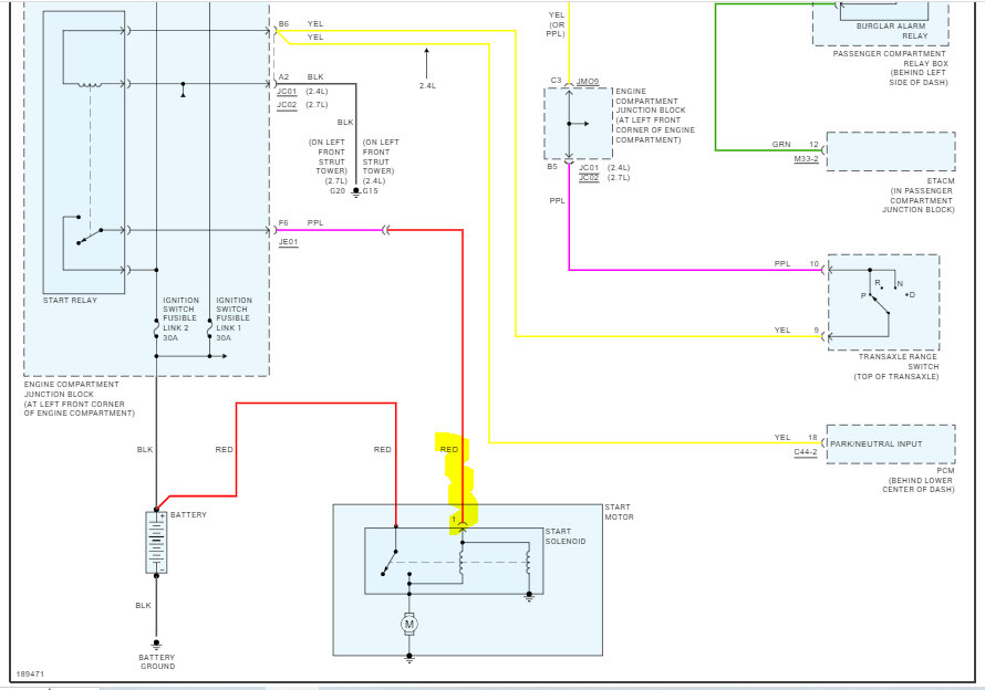
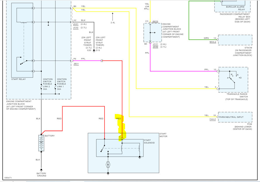
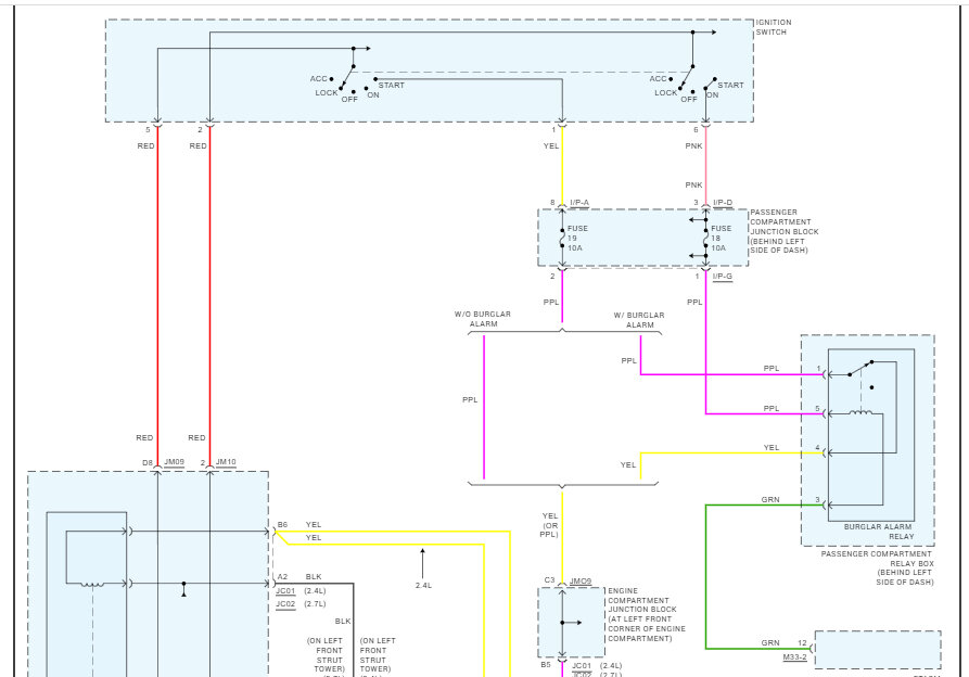
It could be a faulty starter or even the starter relay. The relay is located in the under-hood fuse/junction box. Remove the relay and inspect it for corrosion or anything that could prevent a good contact. If it looks good, switch it with a different relay in the box having the same part number.

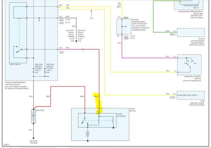
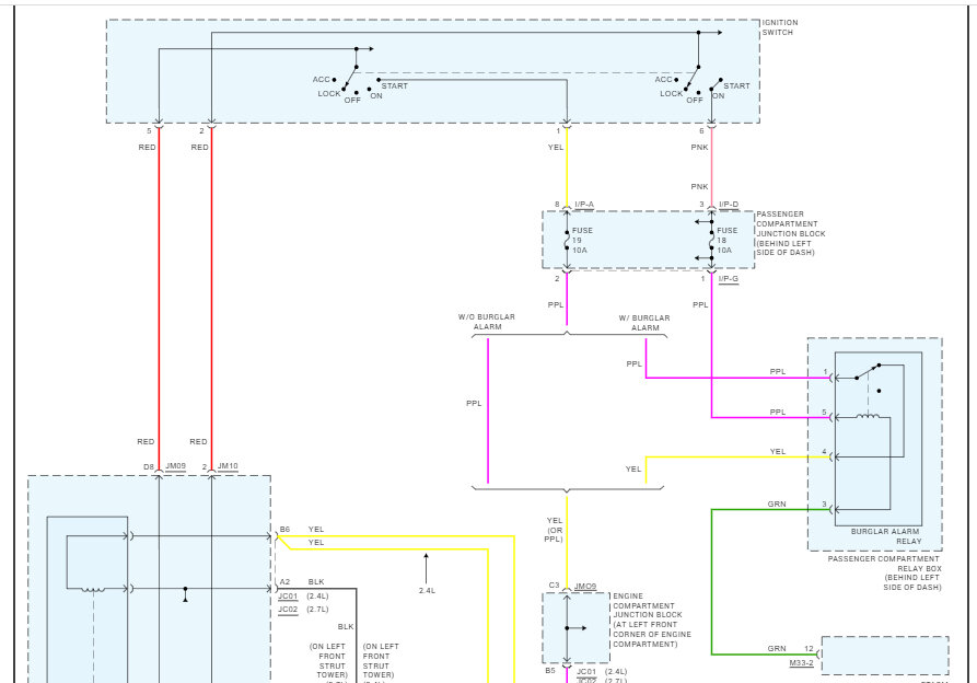
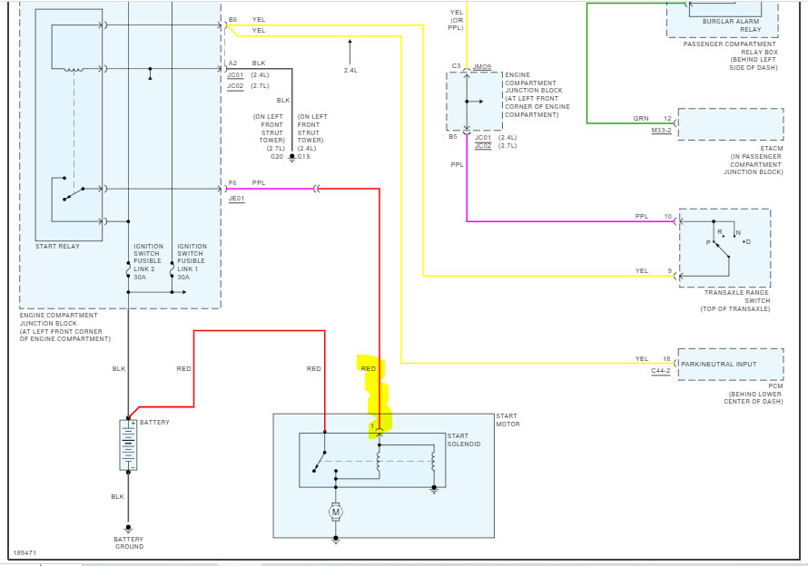
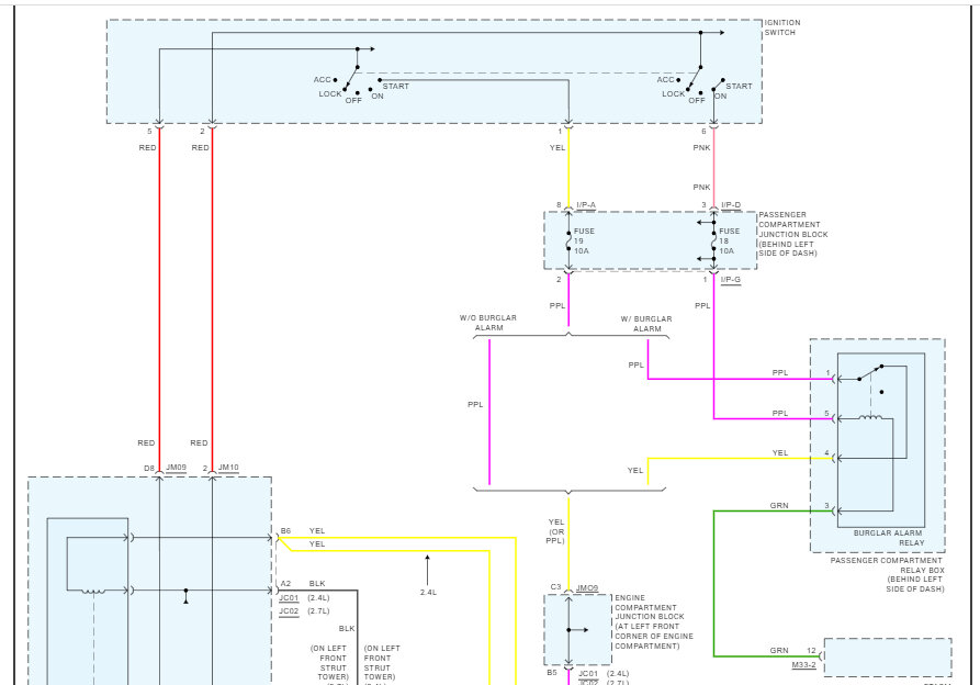
Next, at the starter motor, there are two red wires. One (heavier gauge wire) will have constant battery voltage. The other (smaller gauge wire) won't have power until the key is in the start position. Have a helper turn the key to the start position while you check the smaller gauge wire for power. You can use a test light, voltmeter, or a multimeter for this.

I attached the wiring schematic below so you would have a reference.

Let me know what you find or if you have other questions.

Take care,

joe

See pics below. Note: I had to cut the pic in half to make it readable. I did overlap the two so you can follow from one to the next.
Was this
answer
helpful?
Yes
No
Sunday, November 19th, 2023 AT 9:28 PM

Please login or register to post a reply.