Not running well, codes PO171, 174

Tiny
SHANNON CARMON
  • MEMBER
  • 2004 FORD FREESTAR
  • 4.2L
  • V6
  • 2WD
  • AUTOMATIC
  • 161,000 MILES
It will not go in reverse or drive trying to cut off and after it sets for a while it straightens out for about a month and goes right back to not working again. Code is po171 174 sometimes.
Saturday, November 17th, 2018 AT 4:13 PM

1 Reply

Tiny
ASEMASTER6371
  • MECHANIC
  • 52,796 POSTS
Good evening.

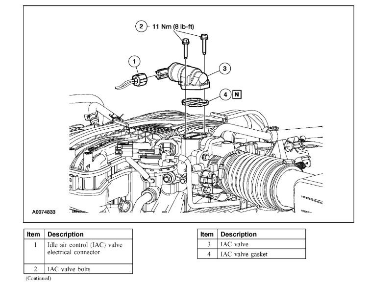
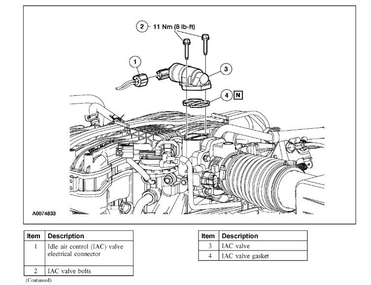
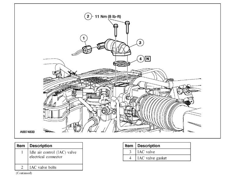
There is an idle control motor on top of the intake that keeps the idle steady. It sounds like that is not working all the time.

The 171,174 is for a lean condition. I will post possible causes.

Roy

171,174

P0171
Descriptor
System Too Lean (Bank 1)
Probable Causes
Air Induction Turbulence Due to Incorrect Air Filter
Air Leaks After Mass Air Flow (MAF) Sensor
Ethanol Content In Fuel
Evaporative Emissions System (EVAP) Canister Purge Valve Leaking (When Canister Is Clean)
Exhaust Gas Recirculation (EGR) Valve Pipe and or Gasket Leak
Exhaust Gas Recirculation Vacuum Regulator (EVR) Solenoid Leak
Exhaust Leaks Before or Near Heated Oxygen Sensors (HO2S) Exhaust Manifold Gasket or Mating Gaskets
Fuel Filter Plugged or Dirty
Fuel Injectors Leaking or Contaminated
Fuel Pressure Regulator Leaking or Faulty
Fuel Pump Weak or Check Valve Leaking
Fuel Rail Pressure Sensor (Incorrect Reading)
Fuel Supply Line Restricted
Improperly Seated Engine Oil Dipstick
Low Fuel Pressure or Running Out of Fuel
Mass Air Flow (MAF) Sensor Contaminated, Damaged, or Faulty
Positive Crankcase Ventilation (PCV) System Leak or Valve Stuck Open
Secondary Air Injection (AIR) System Valve Mechanically Stuck
Vacuum Hose Disconnected On EGR System Module (ESM) Applications
Vacuum Leaks
Was this
answer
helpful?
Yes
No
Saturday, November 17th, 2018 AT 5:01 PM

Please login or register to post a reply.