- New battery
- New alternator
- Dash battery light works
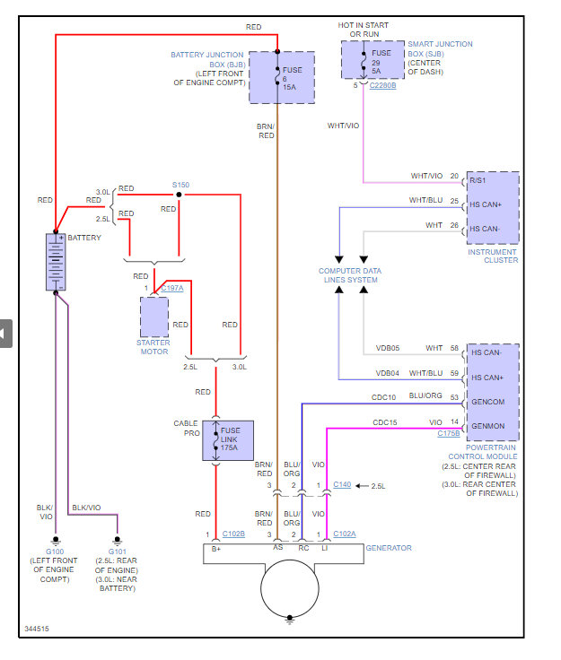
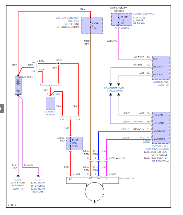
- Of the 3 wires that plug into the alternator, with it unplugged and car running read:
Purple- 11 volts
Blue/pink- 0 volts
Brown/red- 11 volts
Took alternator to auto parts store and bench tested good, not that it means much these days, cycled four times to pass.
Alternator voltage matches battery voltage if I check the alternator at a ground and its main voltage wire on the stud/nut.
If I try to excite the alternator and rev it up to 3/4000 RPMs for a few seconds, I see 13 or 14 volts for just a second then it goes back down, at no point did it hold and maintain 13.5 volts or more.
do I need a new PCM or alternator? What are the next best steps?
Tuesday, April 5th, 2022 AT 3:21 PM



