Alternator not charging?

Tiny
JAMIE RENWICK
  • MEMBER
  • 2003 CHEVROLET 3500
  • 6.6L
  • V8
  • TURBO
  • 2WD
  • AUTOMATIC
  • 125,000 MILES
Truck is a c4500 Kodiak. The truck has new-ish battery’s (they were tested fine) but the truck won’t charge off of the brand-new alternator. While driving the dash became dim, then the ABS light came on. Then the transmission lost reverse then the gauges went out then the sputtered for a minute and shut off. Went back about an hour later fired right up still no gauges ran for about 3 to 4 minutes then shut off again. Replaced alternator figured that's what it was started up gauges came on power probe and battery gauges started at 9 volts. Idled about 8 minutes then shut off and wouldn't start.

Bench tested the new alternator and it passed. I checked the 12v battery the junction box to the battery and it was a clean 0.1ohms, then I checked ground strap for the engine, 0.3ohms and clean. Suggestions?
Tuesday, September 19th, 2023 AT 7:31 PM

1 Reply

Tiny
KEN L
  • MASTER CERTIFIED MECHANIC
  • 55,322 POSTS
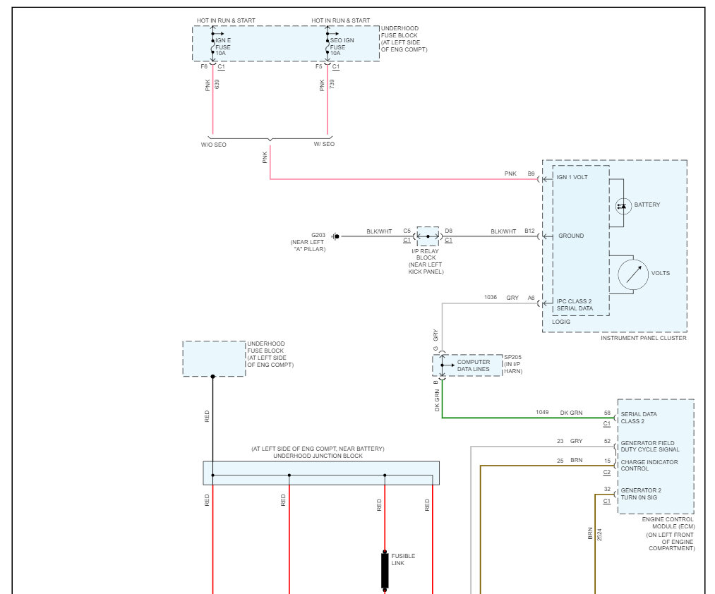
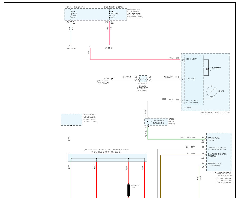
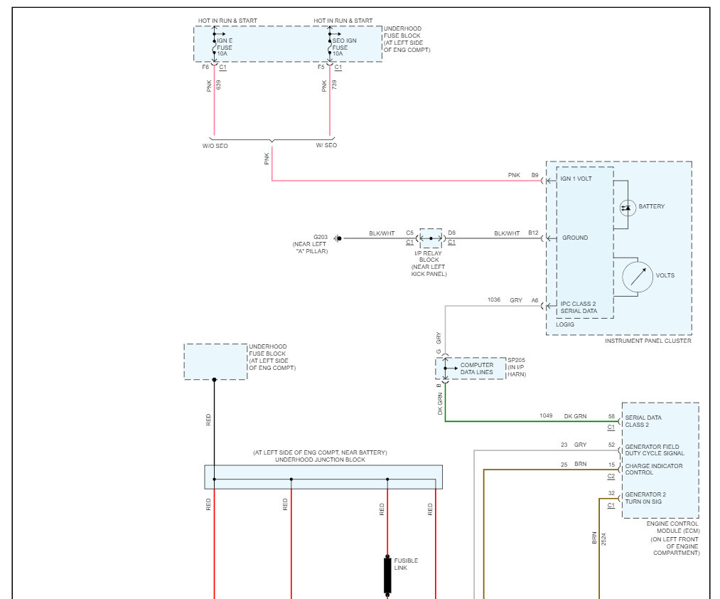
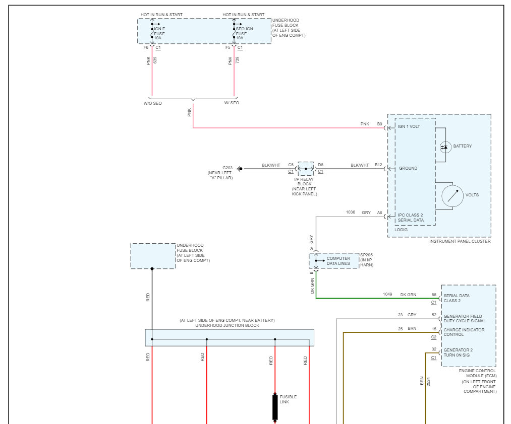
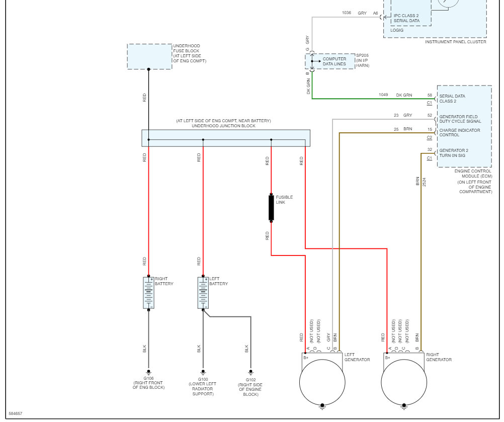
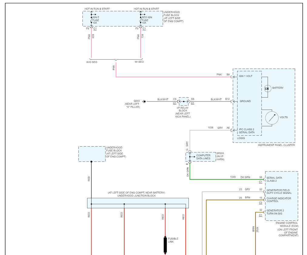
It shows this vehicle having two alternators. Also did you check the fuses? Here is a guide to help and the charging system wiring diagrams so you can see how the system works and which fuses to check:

https://www.2carpros.com/articles/how-to-check-a-car-fuse

You should check the connection from the alternator to the battery (main power) Check out the images (below). Please let us know how it goes.
Was this
answer
helpful?
Yes
No
Thursday, September 21st, 2023 AT 10:23 AM

Please login or register to post a reply.