Saturday, September 16th, 2023 AT 1:34 PM
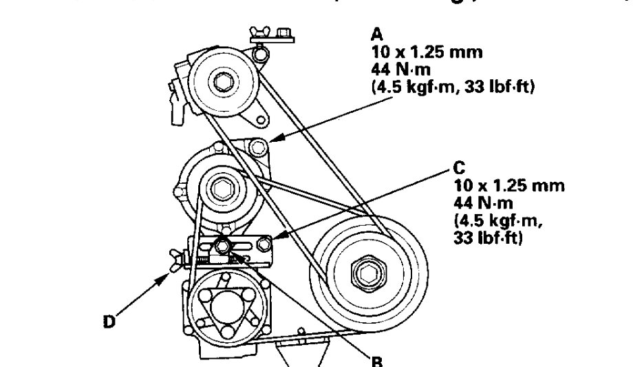
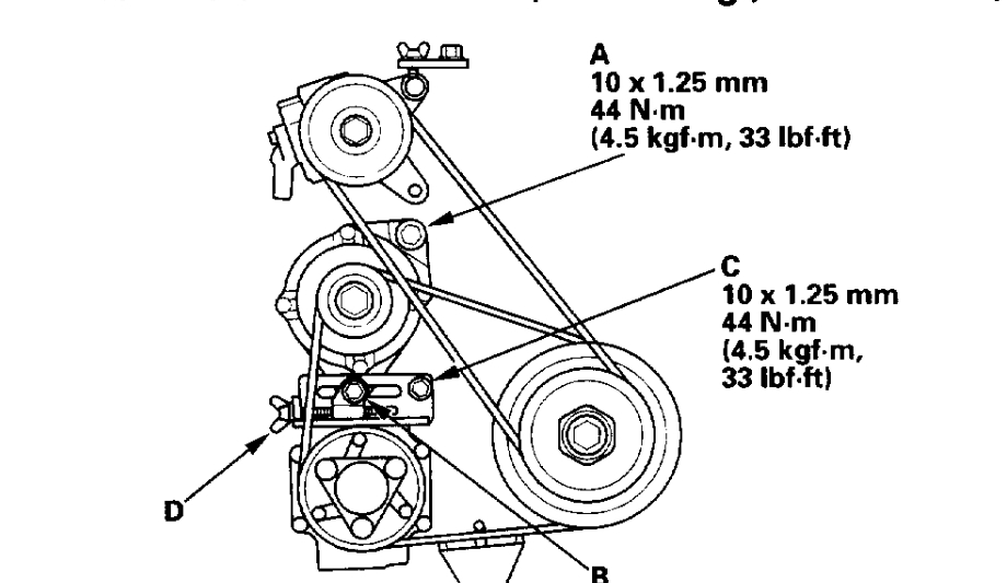
I have been having a lot of problems with my car making squeaking noises in the last few months. First my compressor went bad, so we had it changed and then the alternator went bad, and we had that changed as well. After all that, now my car is making this squealing noise every time that I press the gas and it continues until I stop pressing the gas. It's not a screeching sound but it's also a sound that you can't avoid hearing. Turning on the ac makes it stop a little but not very much. I had the smaller belt changed because it was cracking but the noise continued.




