Tuesday, July 4th, 2017 AT 1:09 PM
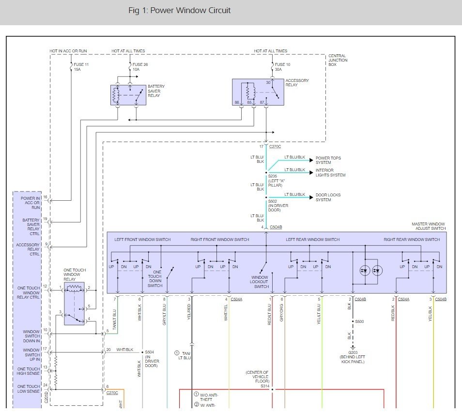
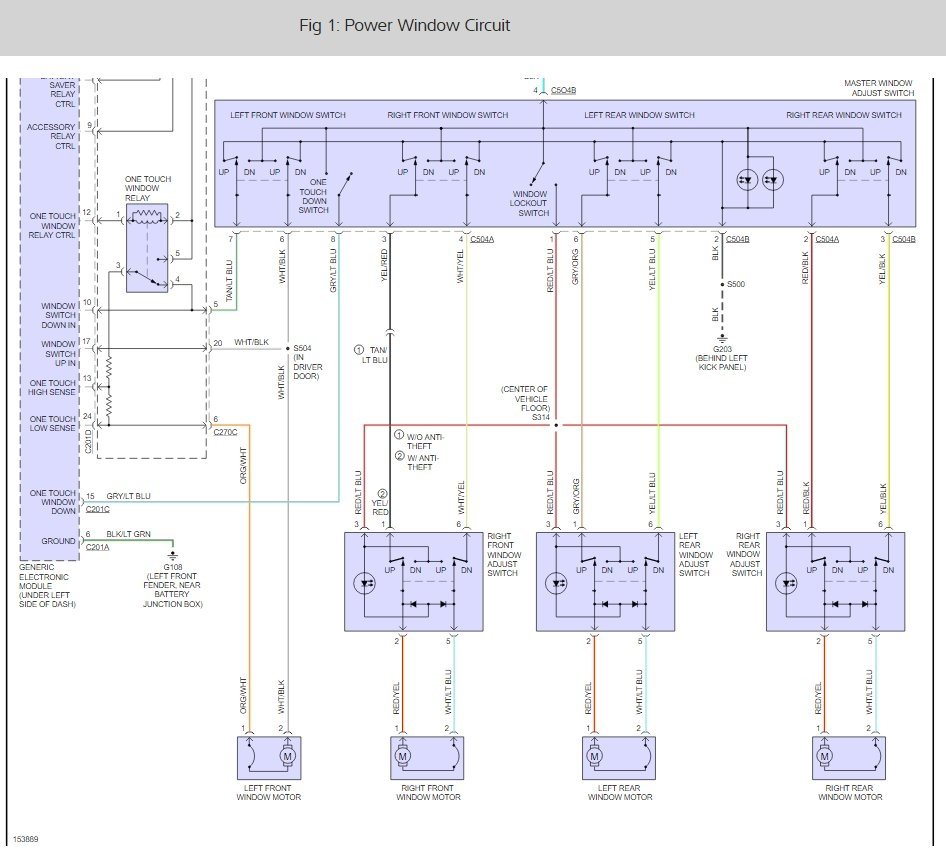
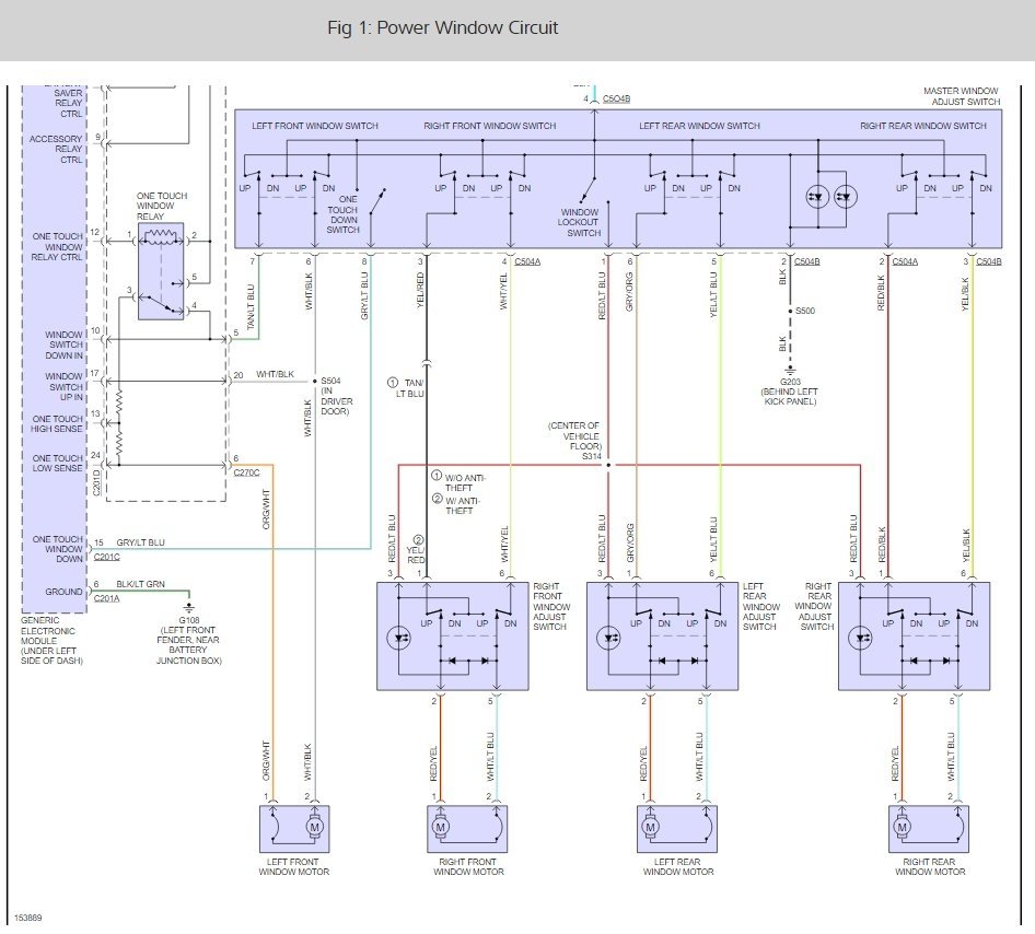
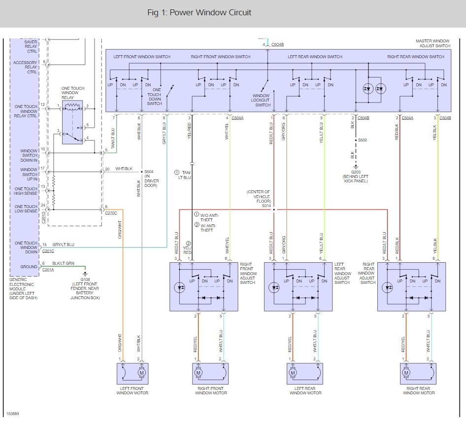
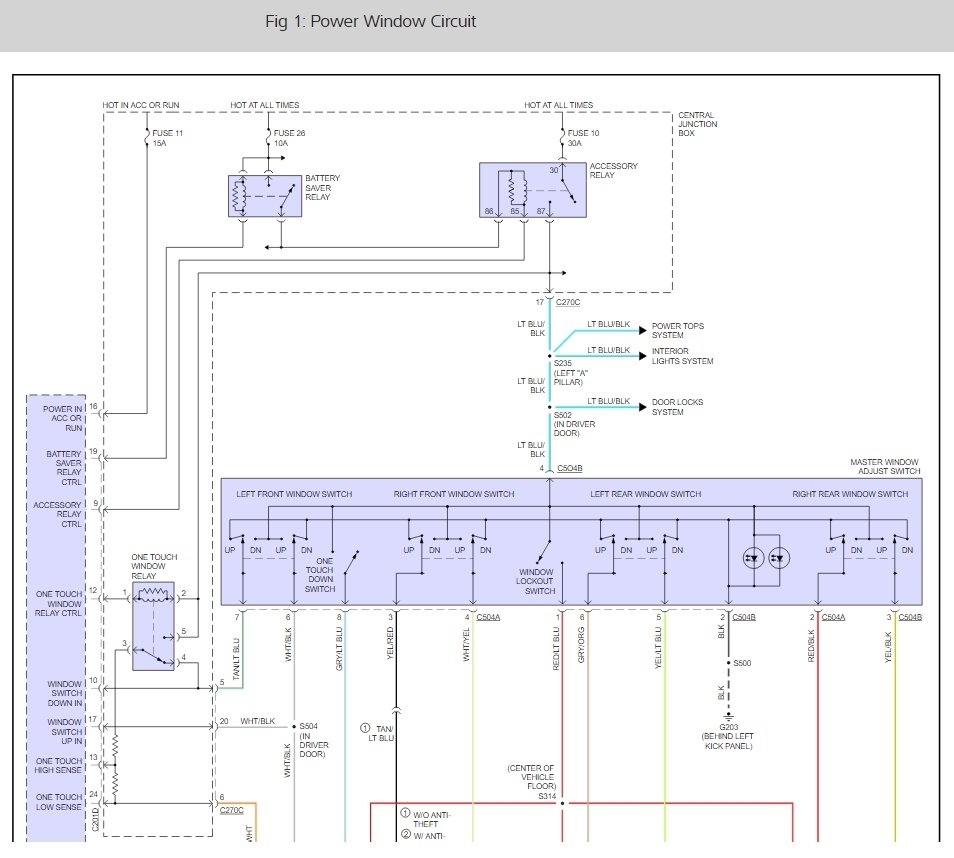
Windows none of them work at all, interior lights either. I replaced fuses, new switch, checked wires in door hinge. Now I bought a relay but not sure where it goes or if this could be problem. We even tried hot wiring to door locks that did not work, no sound under dash either. Please help.






