No vent control

Tiny
SLICK1080
  • MEMBER
  • 2004 KIA SORENTO
  • 3.5L
  • V6
  • 2WD
  • AUTOMATIC
  • 99,000 MILES
Cannot switch between defrost or floor stays on middle vent. Can this be heater door actuator and if so where is it located?
Thursday, October 19th, 2017 AT 6:32 PM

5 Replies

Tiny
STEVE W.
  • MECHANIC
  • 15,700 POSTS
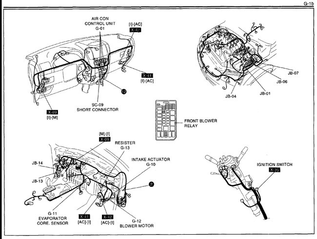
Sounds like a mode door actuator located on the HVAC case behind the case in line with the center console area.

However, other than these pictures there is no repair/replacement information showing up. Checked Alldata, Mitchell, and a paper copy of the 2004 service manual.
Was this
answer
helpful?
Yes
No
+1
Thursday, October 19th, 2017 AT 9:48 PM
Tiny
SLICK1080
  • MEMBER
  • 3 POSTS
Thanks for the help and that is what is was.
Was this
answer
helpful?
Yes
No
Saturday, October 21st, 2017 AT 1:38 PM
Tiny
STEVE W.
  • MECHANIC
  • 15,700 POSTS
Sorry we could not be more help. Kia/Hyundai seem to pick and choose what data they let out.
Glad to hear you can now select airflow.
Was this
answer
helpful?
Yes
No
Saturday, October 21st, 2017 AT 4:11 PM
Tiny
SLICK1080
  • MEMBER
  • 3 POSTS
Help me out alot and search all over the web trying to find out and even on the Kia forum. With no luck
Was this
answer
helpful?
Yes
No
Saturday, October 21st, 2017 AT 5:40 PM
Tiny
KEN L
  • MASTER CERTIFIED MECHANIC
  • 55,512 POSTS
Steve W is one of our best! Please use 2CarPros anytime we are here to help.

Cheers, Ken
Was this
answer
helpful?
Yes
No
Monday, October 23rd, 2017 AT 1:20 PM

Please login or register to post a reply.