Saturday, December 28th, 2024 AT 5:14 PM
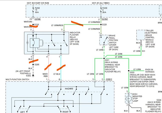
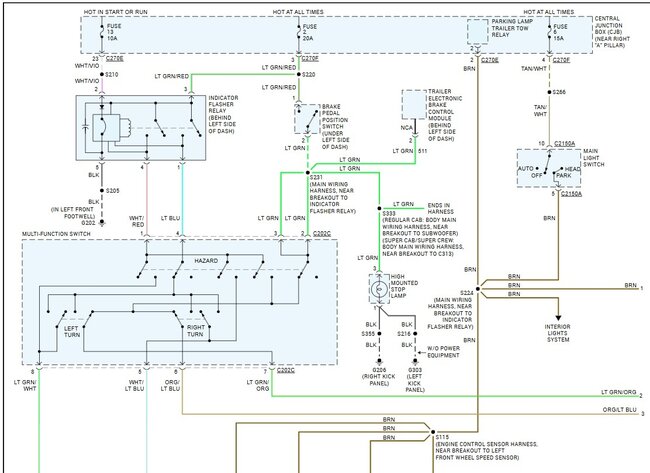
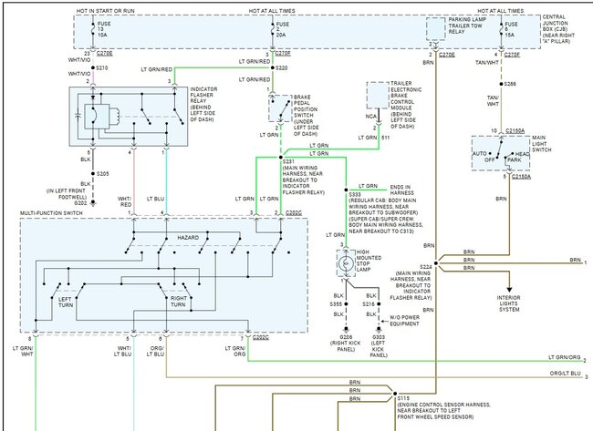
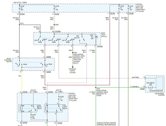
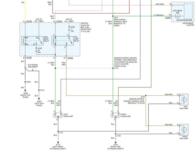
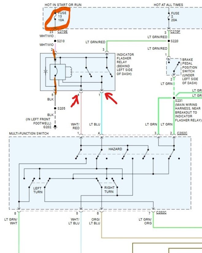
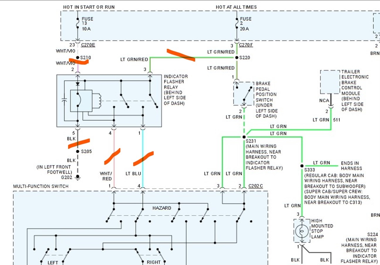
Turn signals don't work but both indicators light up when the key is on. Neither the front or rear signal lights work when manually operating the switch. All the bulbs are good. Hazards work but only when the ignition is off. Both the turn signal fuse, #2 and the flasher relay fuse, #13 are good. The flasher relay is good because the hazards work. Are we looking at the switch in the column? Possible ground issue? The fact that the hazards only work with the ignition off has me stumped.












