Monday, April 12th, 2021 AT 6:31 AM
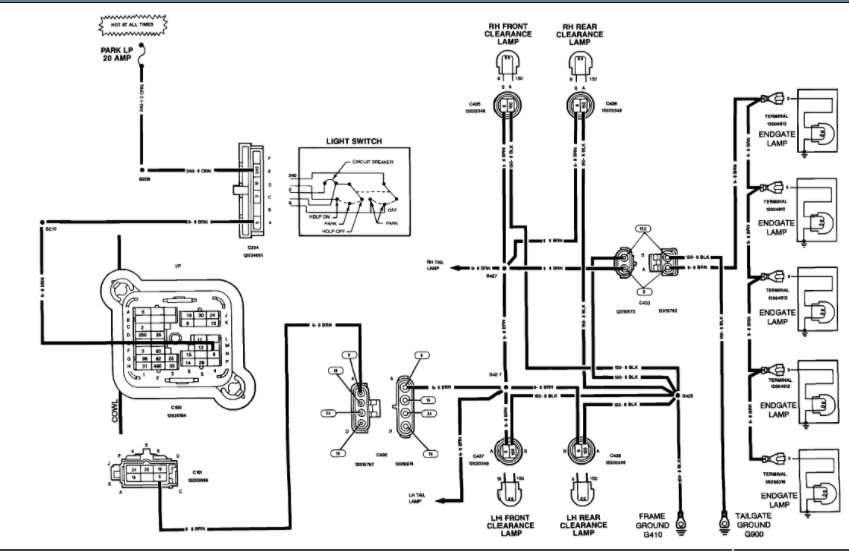
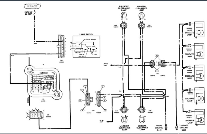
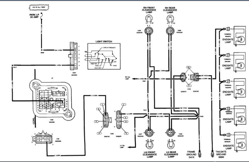
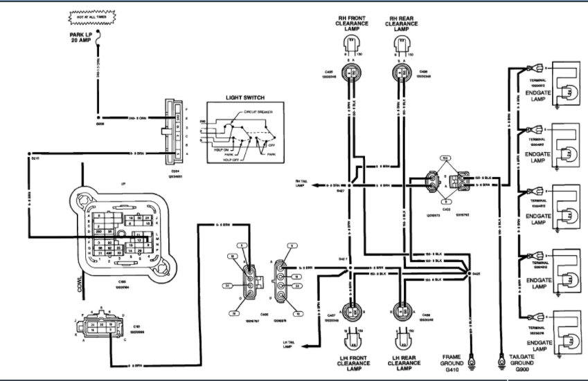
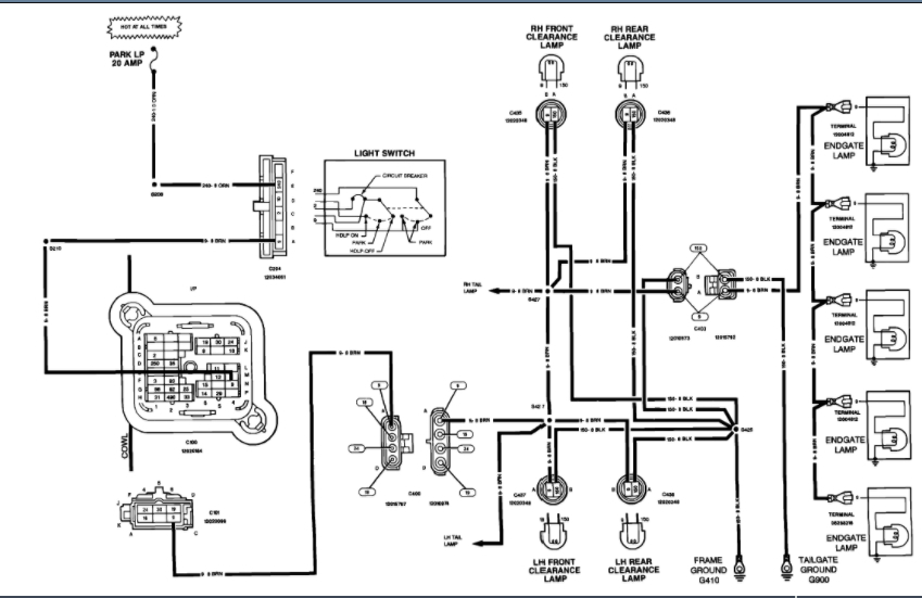
Have 1993 chevrolet k1500 4x4 5.7L with 145000 miles. Lights worked then they all stopped working at once. Checked fuse good checked bulbs good check the T harness and the brown wire is broke off. Would that take all the lights out in the rear?




