No start, no fuel, no spark

Tiny
DENNISDK78
  • MEMBER
  • 1999 CHEVROLET ASTRO
  • 4.3L
  • 6 CYL
  • 117,165 MILES
My van was hit by. Lightning I've replaced several blown fuses. And I have power everywhere, but it still acts like the crank sensor is bad.
Saturday, September 28th, 2019 AT 2:10 PM

4 Replies

Tiny
KASEKENNY
  • MECHANIC
  • 18,907 POSTS
Hi,

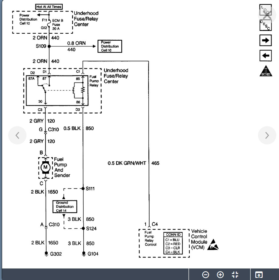
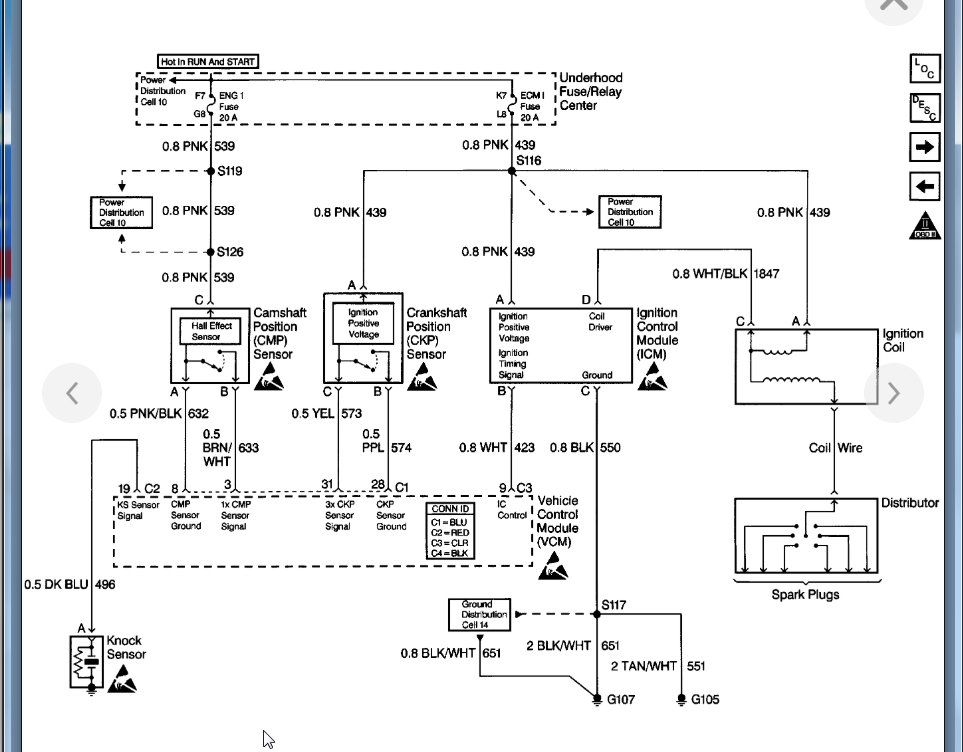
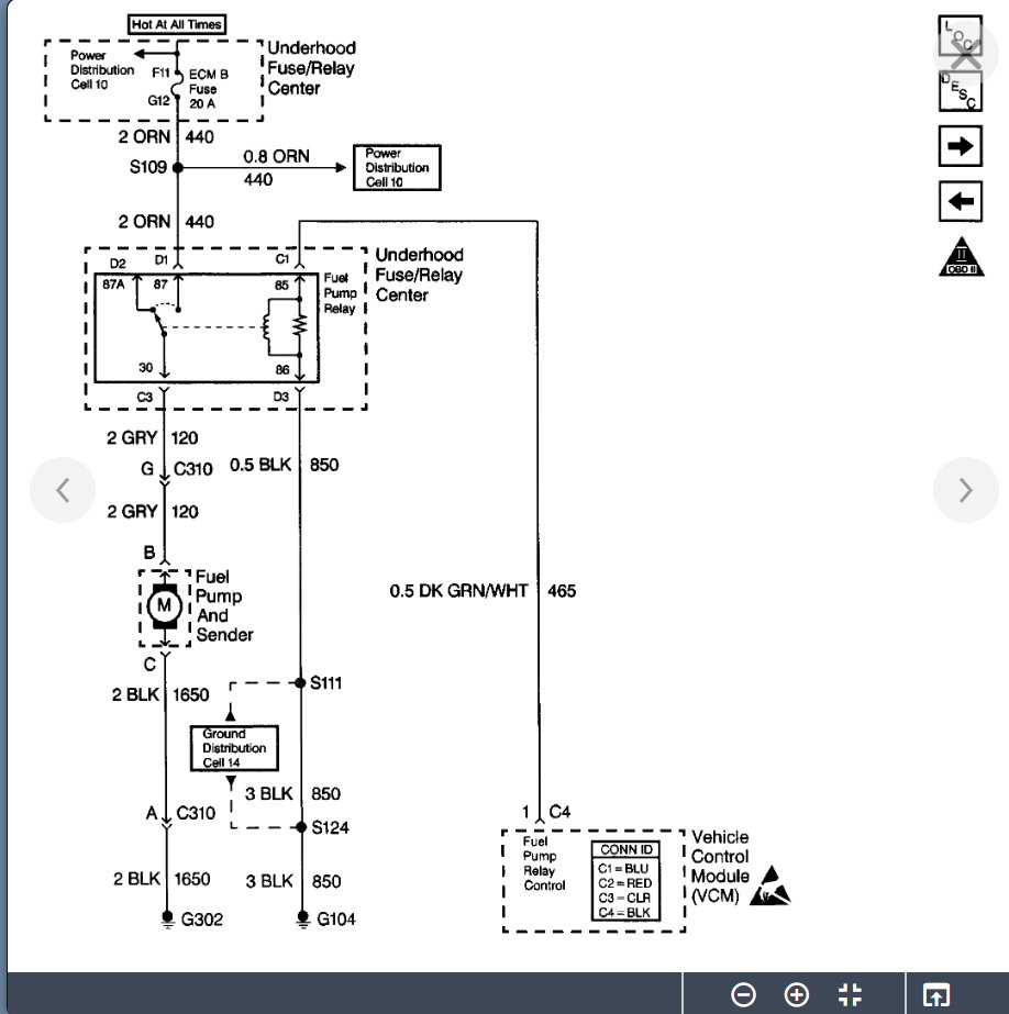
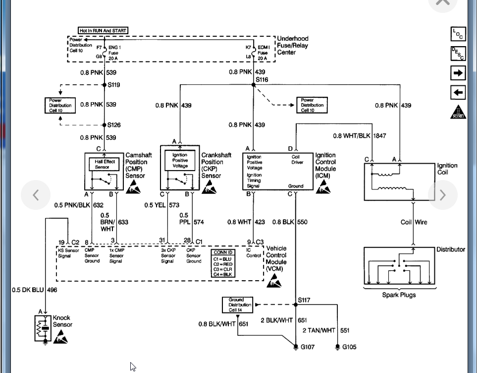
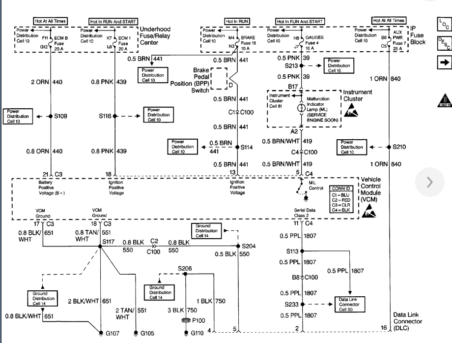
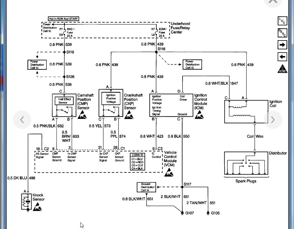
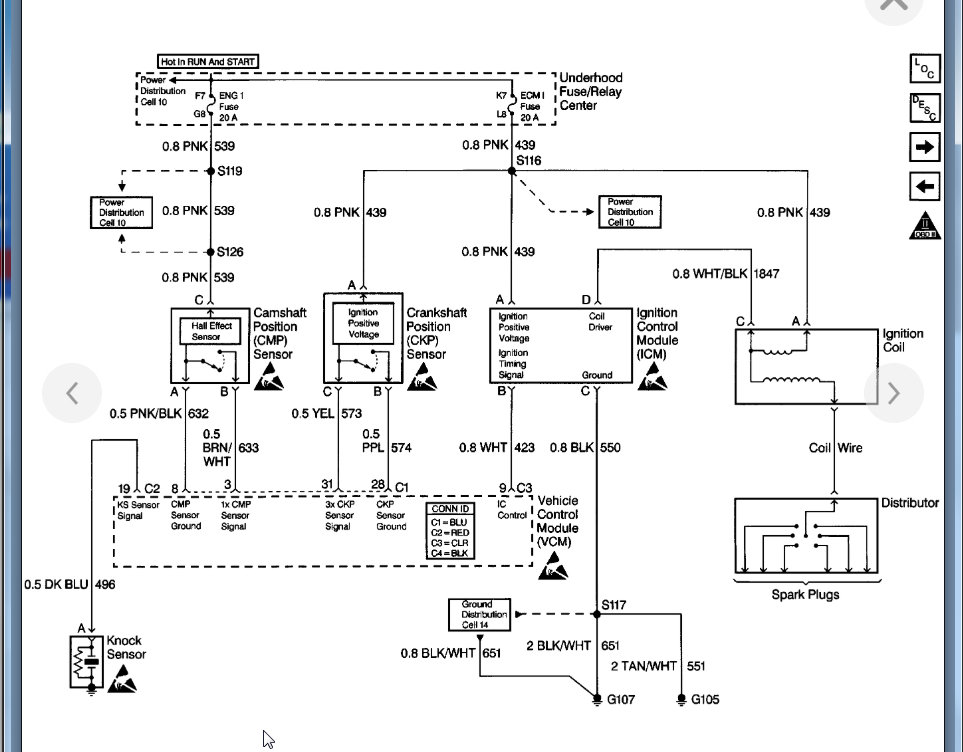
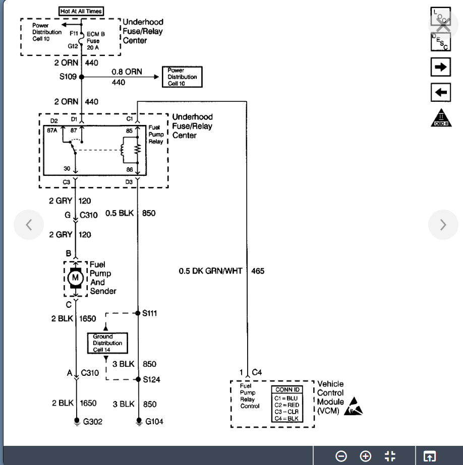
More than likely the engine control module (VCM in your case) has failed. Normally when the vehicle is struck by lightening it not only blows fuses but there is so much current that it will actually back-feed through different circuits and fry the circuit boards on various modules. The good thing is, your vehicle doesn't have many modules but the VCM/ECM is normally the first to go. This is why you don't have ignition or fuel because the VCM controls the coil and fuel pump.

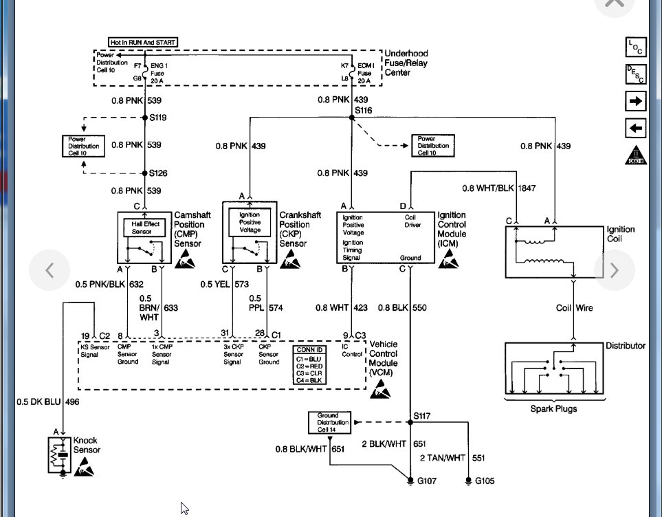
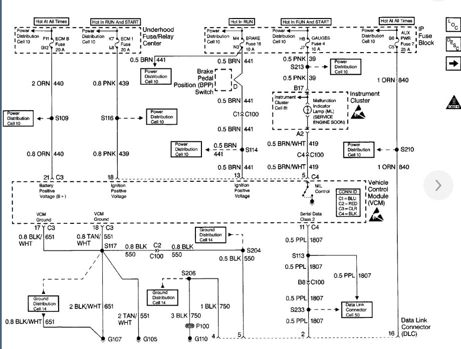
I attached the wiring diagram. Just make sure you have power and good ground for the VCM and if you do, I would replace it.

The only other thing that you need to look for is melted wiring. Normally the circuit boards are the first to go because they are the most sensitive which is why they have fuses to protect them but again, there is some much current that it just overloads the entire circuit.

Let me know what you find and we can go from there.
Was this
answer
helpful?
Yes
No
Sunday, September 29th, 2019 AT 2:22 PM
Tiny
DENNISDK78
  • MEMBER
  • 3 POSTS
I've got power to VCM I've replaced it still same. And other ideas. I've looked for faulty wiring but found none.
Was this
answer
helpful?
Yes
No
Monday, September 30th, 2019 AT 4:09 PM
Tiny
KASEKENNY
  • MECHANIC
  • 18,907 POSTS
Hate to say it but that makes things a bit harder. Have you checked each of the grounds for the VCM? When lightening enters the vehicle it passes through whatever is easiest path to ground. So a lot of times it will pass through the grounds of the modules and then enter back into the body or frame of the vehicle then exit through the wheels or exhaust, whichever is closest to the ground.

When this happens, it can damage even loosen the grounds of the modules. So you have power but there is no longer a path to ground or it so it doesn't work.

Best thing to do is check for continuity from the terminal of the module and the negative battery post. If it open or high resistance (more than half an ohm) then you have a ground issue.
Was this
answer
helpful?
Yes
No
Monday, September 30th, 2019 AT 7:27 PM
Tiny
DENNISDK78
  • MEMBER
  • 3 POSTS
Never mind. I forgot you sent me some, sorry.
Was this
answer
helpful?
Yes
No
Tuesday, October 1st, 2019 AT 4:31 PM

Please login or register to post a reply.