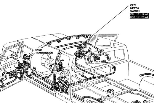
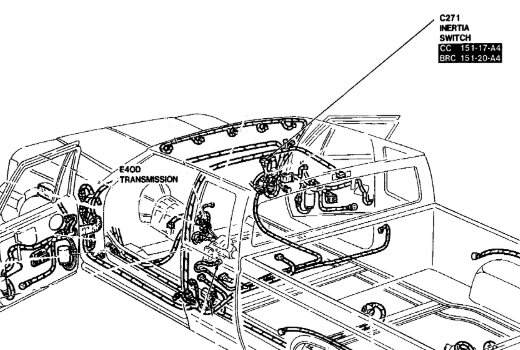
He was sure it was a fuel pump and ordered one. He took the bed off and I was able to test the power to the pump. I found it was getting about 6V to the pump any time the ignition was on and didn't get 12V at any time.
He swapped the PCM for a reman unit. Truck is still in a no start state. A wiring diagram would be very helpful. Any suggestions on what to test would be appreciated.
Friday, August 1st, 2025 AT 4:06 AM



