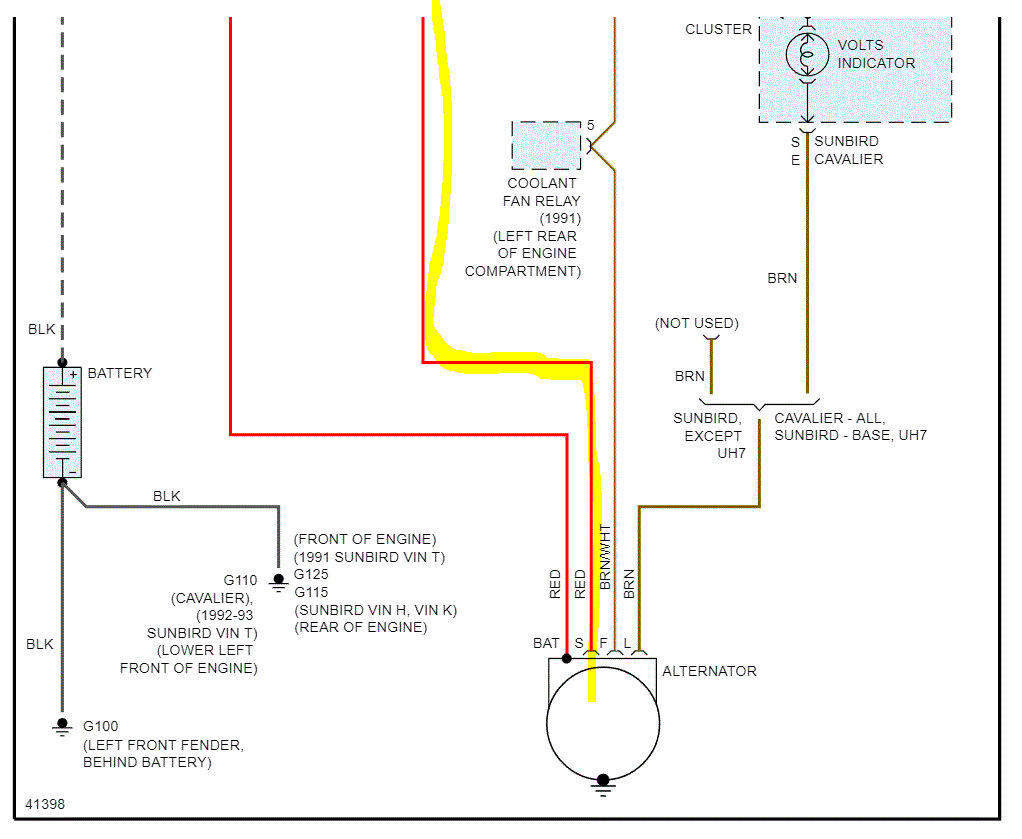
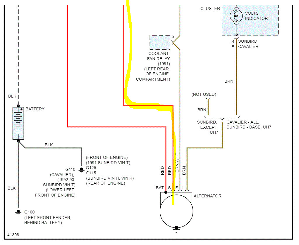
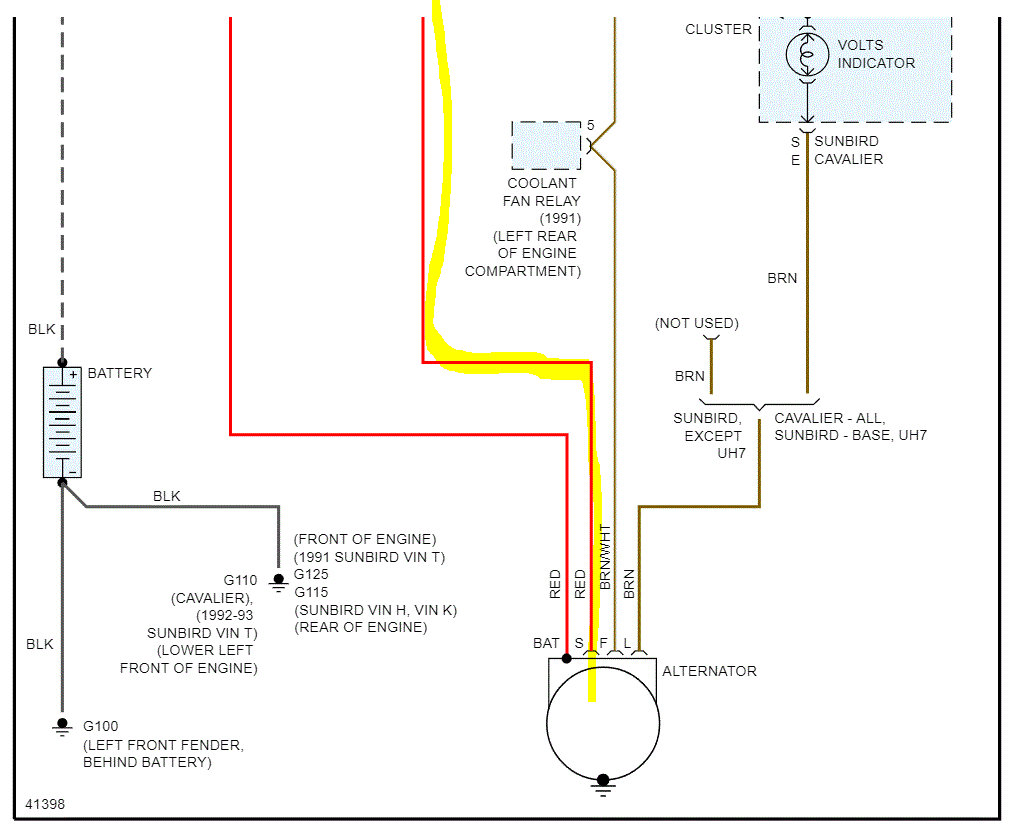
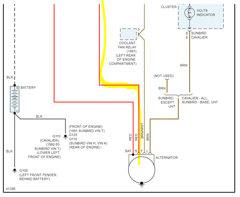
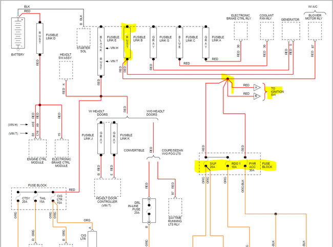
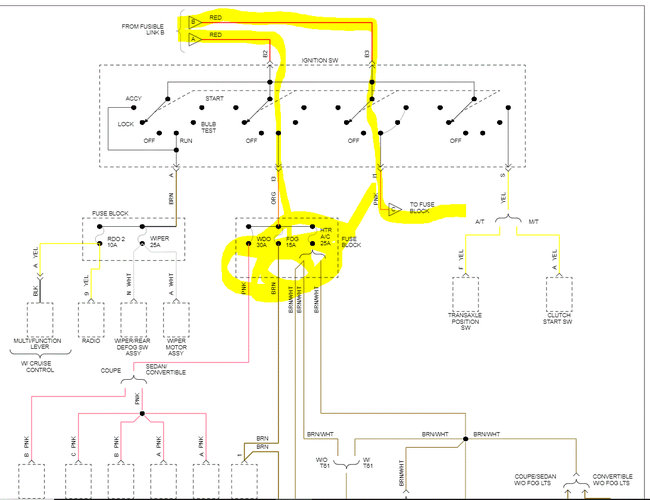
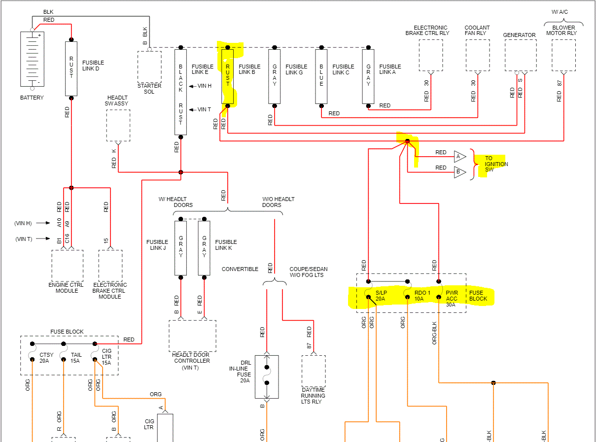
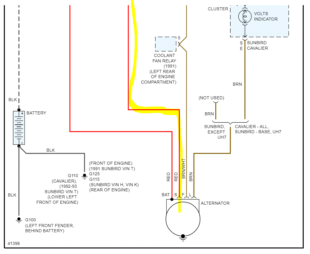
Tuesday, November 2nd, 2021 AT 12:55 PM
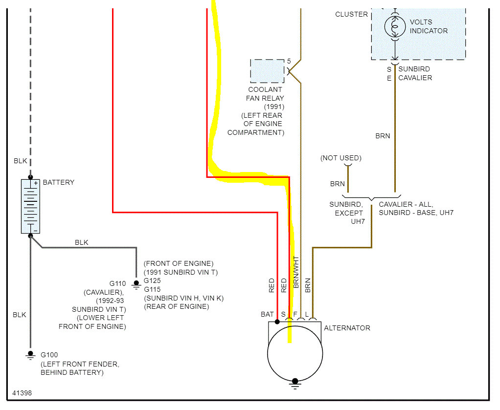
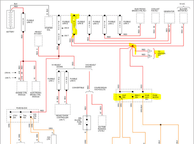
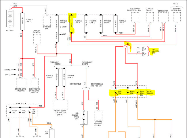
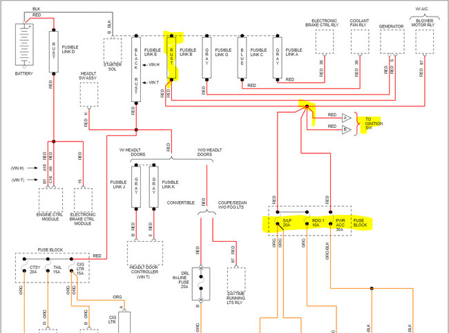
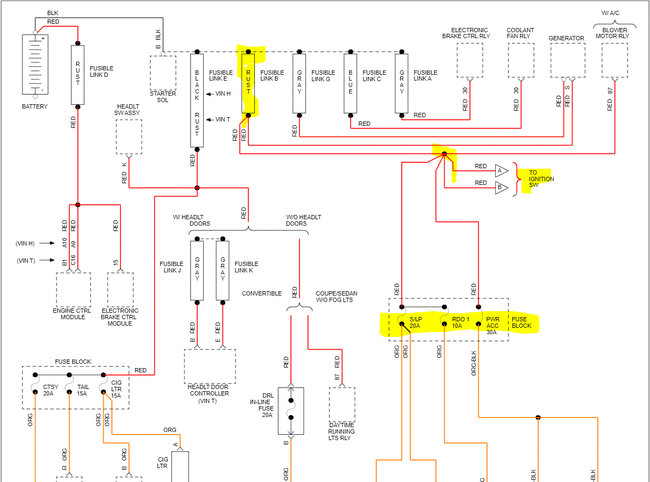
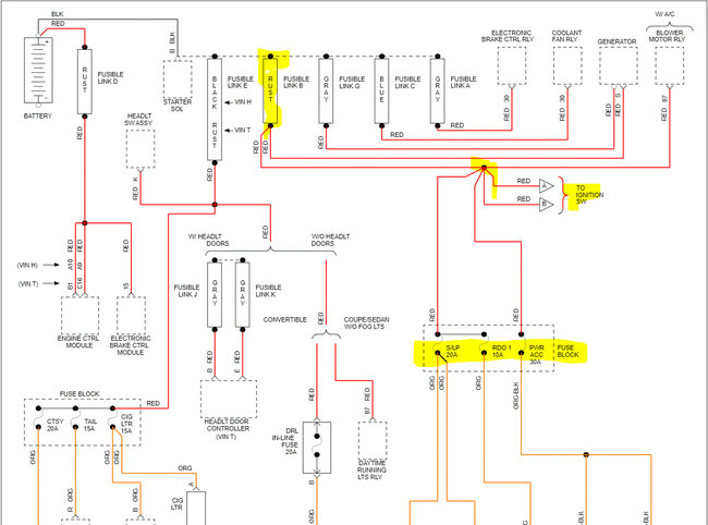
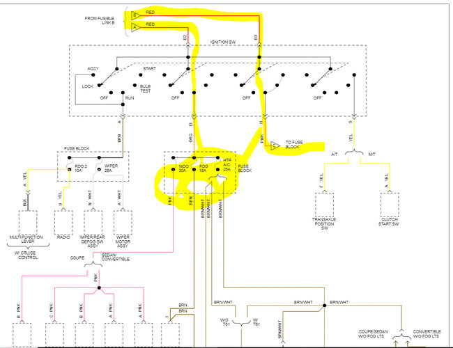
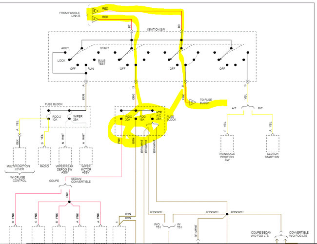
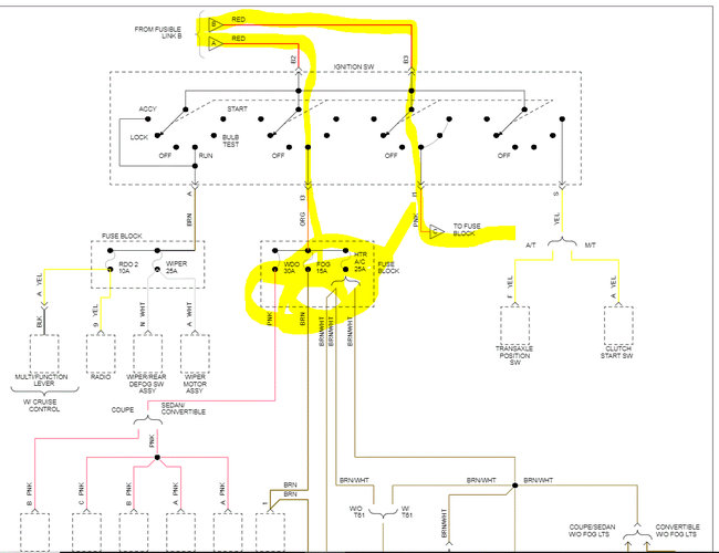
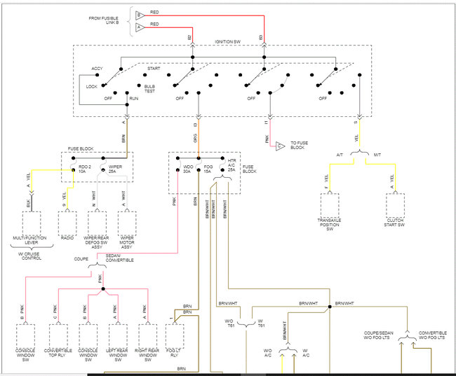
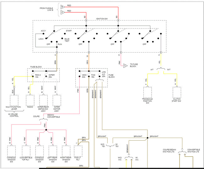
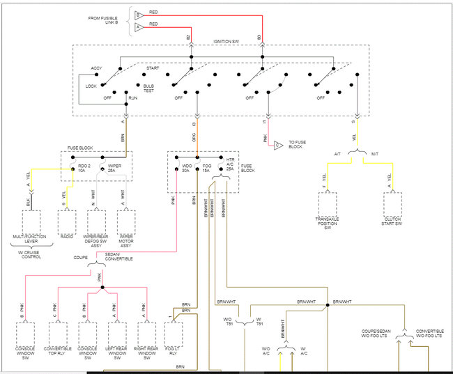
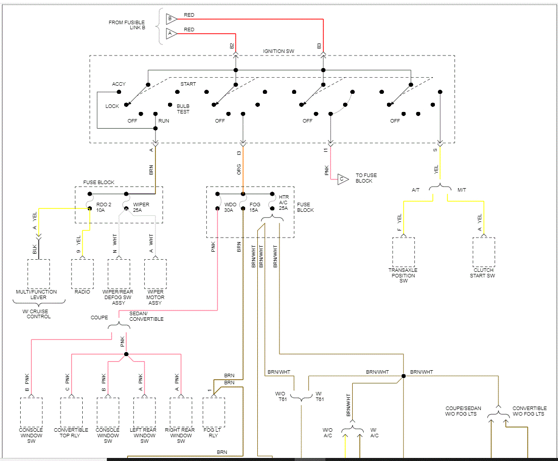
Drove car to store ran fine shut off went inside maybe 5 minutes came back out turned key to on no power window, no radio, no gauges moving, battery, ignition switch. All fuses in fuse box and relays under-hood checked out okay with multimeter. Any suggestions please?










