No start in cold weather

Tiny
SUMMER1933
  • MEMBER
  • 2007 BMW 530I
  • V6
  • 2WD
  • 192,000 MILES
In cold weather (anything below 50 degrees) car will crank normal but will not start. In warm weather car starts and runs perfect. Any ideas?
Saturday, November 30th, 2019 AT 4:45 AM

1 Reply

Tiny
KASEKENNY
  • MECHANIC
  • 18,907 POSTS
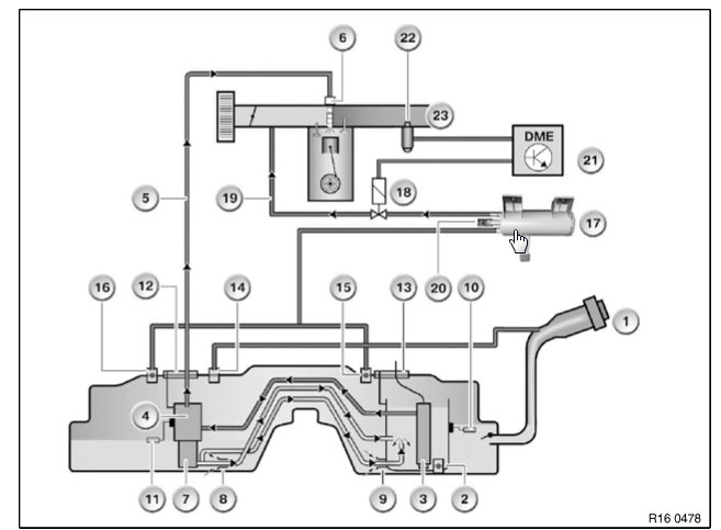
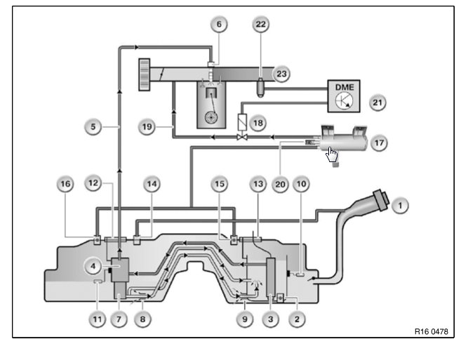
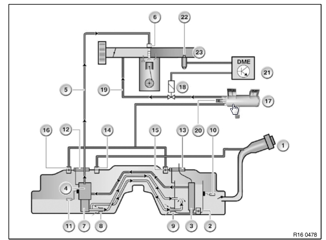
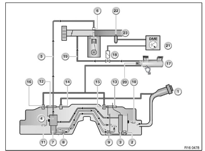
The only thing that really cares about the temp are the fluids. Usually the engine doesn't look at temp other than to adjust fuel to adapt to the conditions. So that means we either have a fuel pump issue not supplying enough fuel in the cold. Or we have a sensor issue that is telling the PCM that the temp is different than it really is and so the injectors are not delivering the proper amount of fuel.

The easiest way to test if this is fuel related is to spray a little starter fluid in the intake when this is acting up and see if it fires. If it does then we can dig further into the fuel system.
Was this
answer
helpful?
Yes
No
+1
Sunday, December 1st, 2019 AT 6:07 PM

Please login or register to post a reply.