No start

Tiny
JAMES OVERCOTT
  • MEMBER
  • 1996 FORD E-SERIES VAN
  • 5.8L
  • 244 MILES
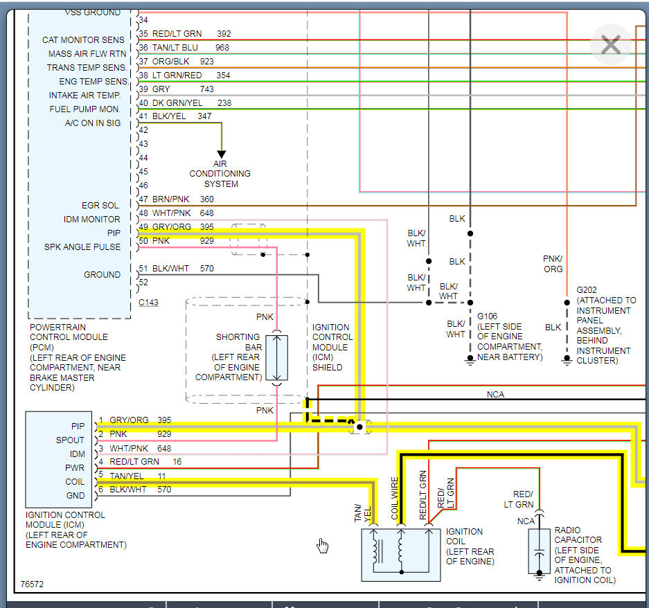
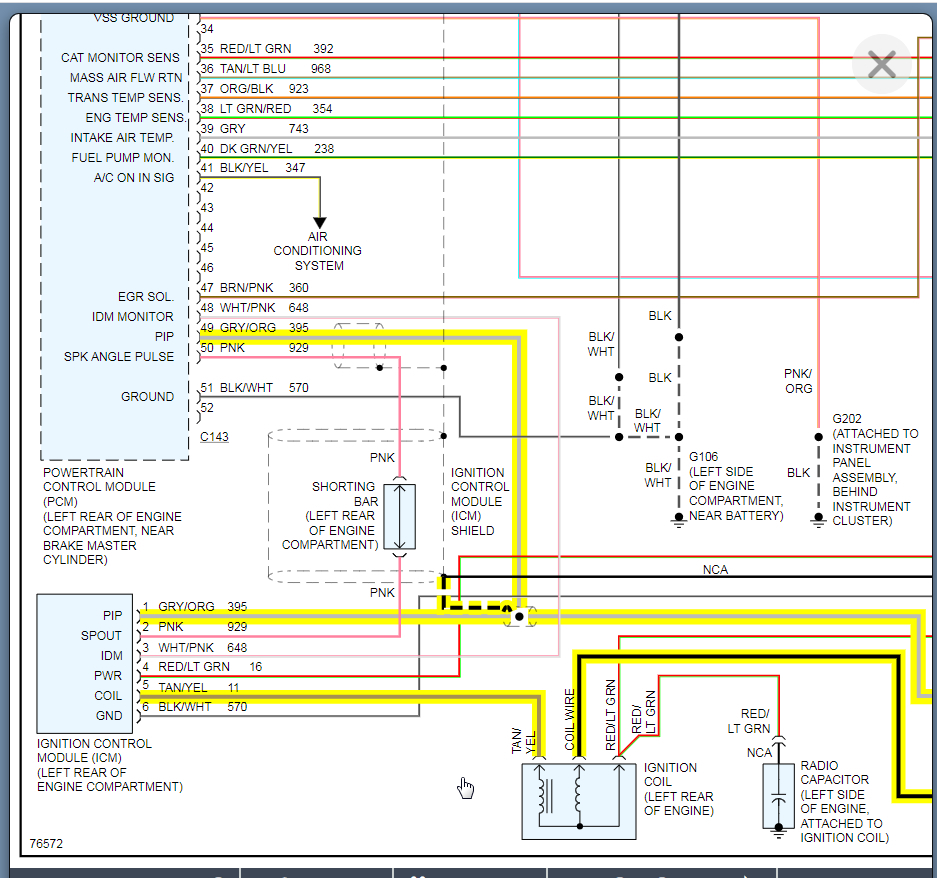
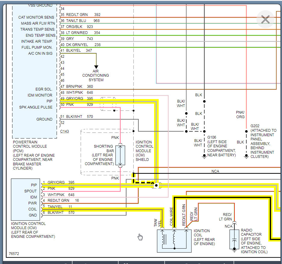
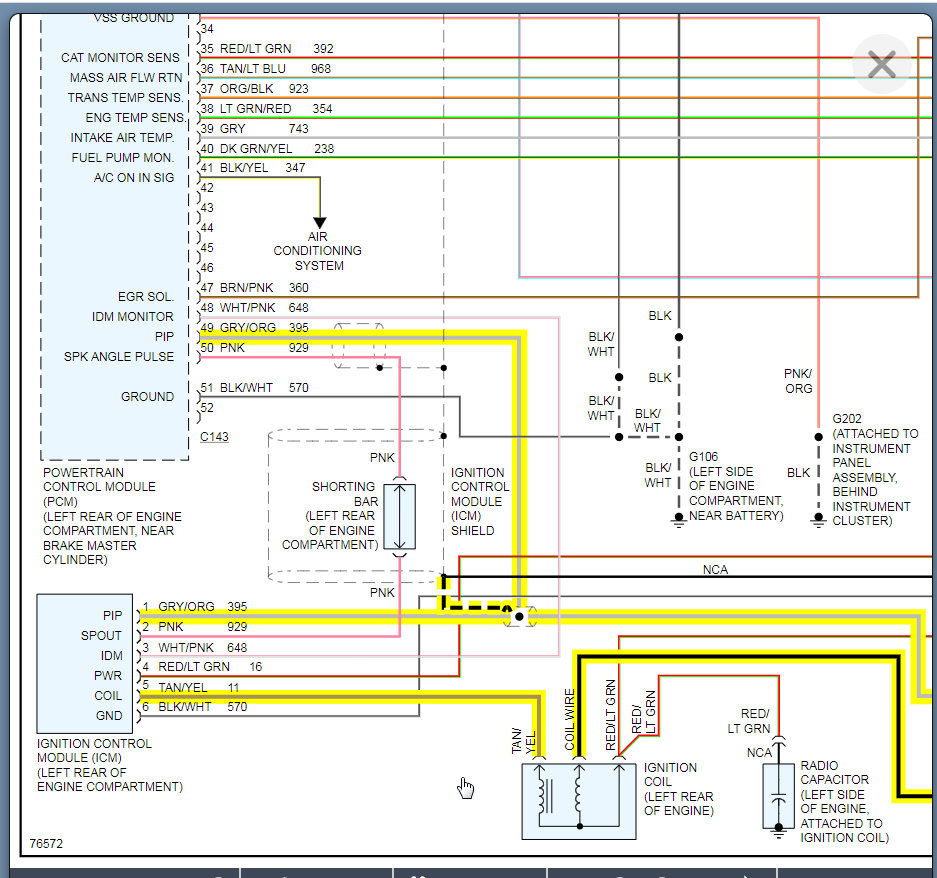
Had this warming in driveway and it just shut off. I sprayed some start fluid in the horn and it started 3 times that way, quit when fluid used up. So I changed the fuel pump. Now get gas, no spark. Replaced the distributor and the ECM and ICM, also coil. I did the test of the pip, shows a pulse at the number 6 wire at ICM, , but I get no pulse at coil. Says if pulse for pip shows? And no spark to coil then the ICM is bad, but I have replaced it with now 2 new ones.
There is power at coil, no pulse, also pulse from pip to ICM no pulse to coil.
Thursday, January 14th, 2021 AT 7:52 AM

1 Reply

Tiny
KASEKENNY
  • MECHANIC
  • 18,907 POSTS
Okay. Can we back up for just a minute and find out what terminal on the coil that you have power? I assume it is on the red/light green wire which is the 12 volt power wire. If this is the case then the ICM is what is used to ground the coil and then it interrupts the signal to create the voltage spike that goes out on the coil wire to the distributor.

When you say you are getting a pulse on terminal 6 of the ICM, what do you mean by a pulse? This is the ground wire for the distributor so it should have minimal voltage.

Take a look at the wiring diagram and tell me where you have power and what you mean by it pulsing. Thanks
Was this
answer
helpful?
Yes
No
Friday, January 15th, 2021 AT 5:38 PM

Please login or register to post a reply.