At first the car ran and drove, it ran rough, would “loop” at idle. I drove it around like that until it gave me a no start. The car will fire up, you’ll hear all 6 fire off and then it shuts off. If you give it fuel trying to start it, it won’t even try to start. I was able to get the car to start by pumping the peddle like a carb but now that doesn’t work anymore
It has fuel pressure (43psi) it’ll run off ether,
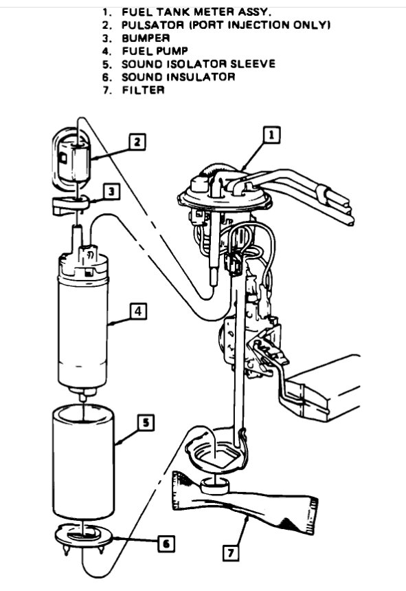
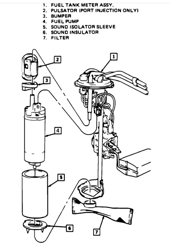
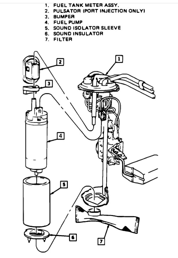
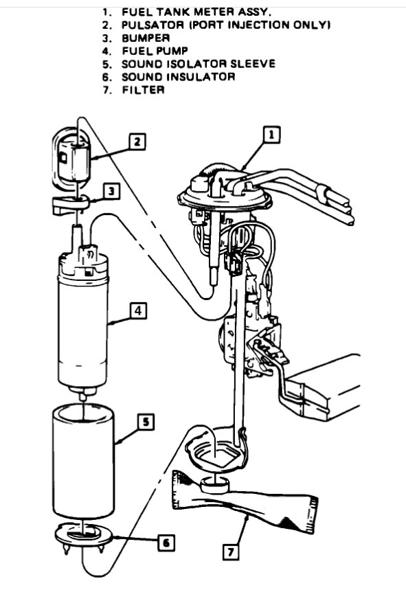
I’ve replaced ICM, ECM, Ignition coil packs, TPS, MAP, IAC Valve, CPS, Fuel filter. I’ve got a used throttle body coming in the mail for my next attempt. Any recommendations?
Friday, September 20th, 2024 AT 5:32 AM







