No crank no start issue

Tiny
MARLON 73
  • MEMBER
  • 2010 DODGE CHALLENGER
  • 3.5L
  • 6 CYL
  • 2WD
  • AUTOMATIC
  • 125,000 MILES
The car turns on the dash lights but the motor does not turn or run.
Tuesday, August 4th, 2020 AT 3:24 PM

1 Reply

Tiny
KASEKENNY
  • MECHANIC
  • 18,907 POSTS
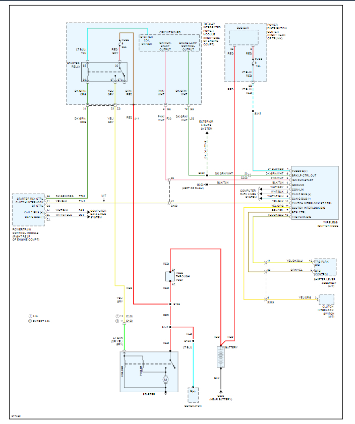
We need to start with going to the starter and checking power. Assuming we have no power on the control wire, we need to go back to the TIPM and check the relay. Remove the relay and jump 30 to 87 with the key on and see if the starter turns over. If it does then the relay is most likely the issue.

Let's start with that and go from there.
Was this
answer
helpful?
Yes
No
-1
Tuesday, August 4th, 2020 AT 4:23 PM

Please login or register to post a reply.