Friday, February 26th, 2021 AT 2:29 PM
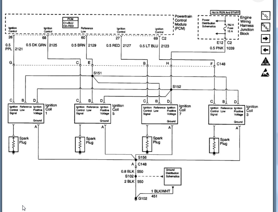
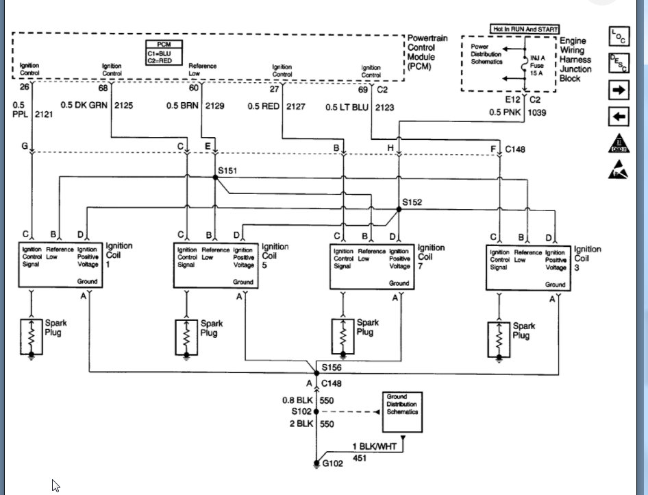
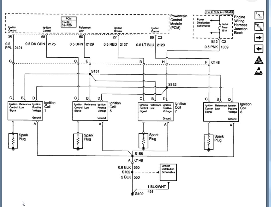
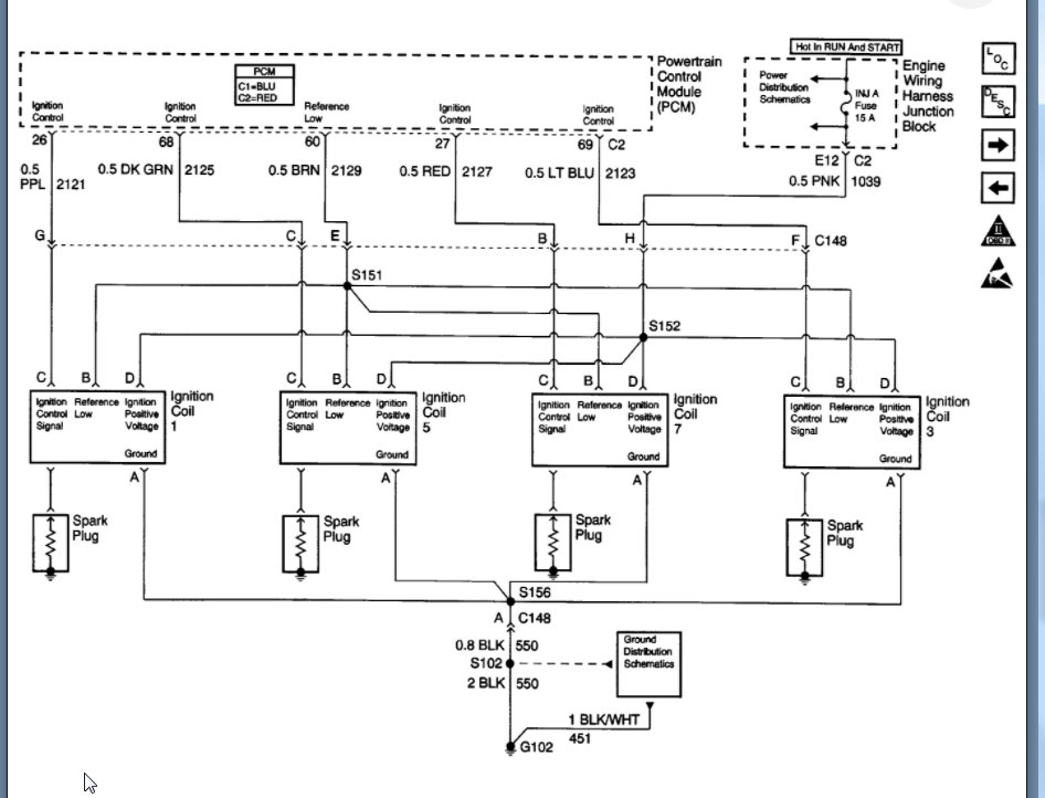
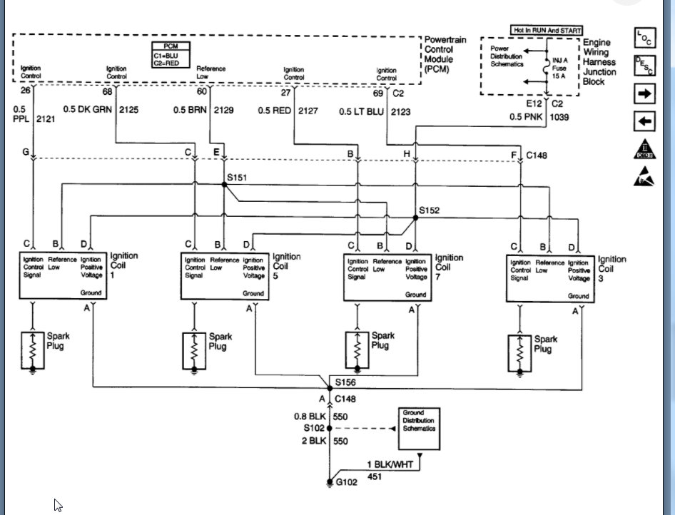
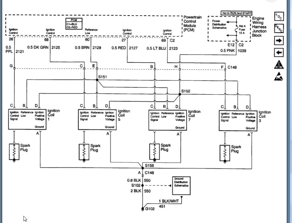
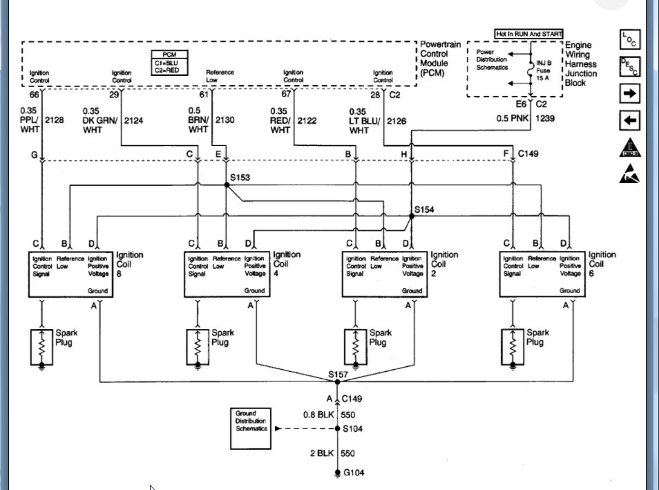
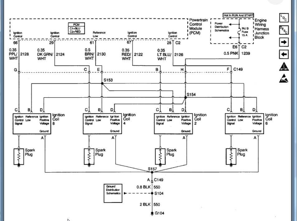
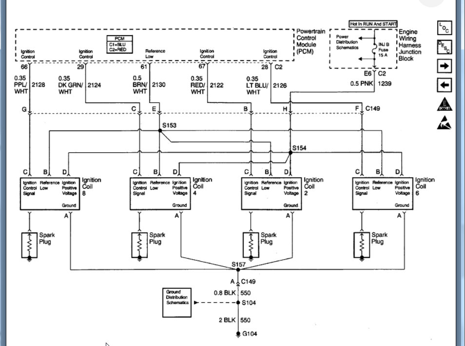
Stopped running while driving. Replaced cam and crank sensors, replaced battery, and checked for fuel delivery. Has good power and fuel but no spark what so ever or injector pulse, has power at the fuses while on run and crank position but no pulse at plug. Took it to a shop and they couldn't find the issue either, I have been dealing with this for 3 weeks now and still nothing. So i'm just looking for some answers or something that will help me out.







