No spark from coil

Tiny
16KLECAY
  • MEMBER
  • 1990 DODGE DAYTONA
  • 3.0L
  • V6
  • 2WD
  • MANUAL
  • 130,000 MILES
I am getting no power from the coil. I’ve replaced the coil itself as well as the ignition pickup. Does anyone know where the cam shaft sensor is located? Any other advice would also be greatly appreciated. I’m getting worried that it’s a wiring issue.
Sunday, May 29th, 2022 AT 5:26 PM

3 Replies

Tiny
STEVE W.
  • MECHANIC
  • 15,700 POSTS
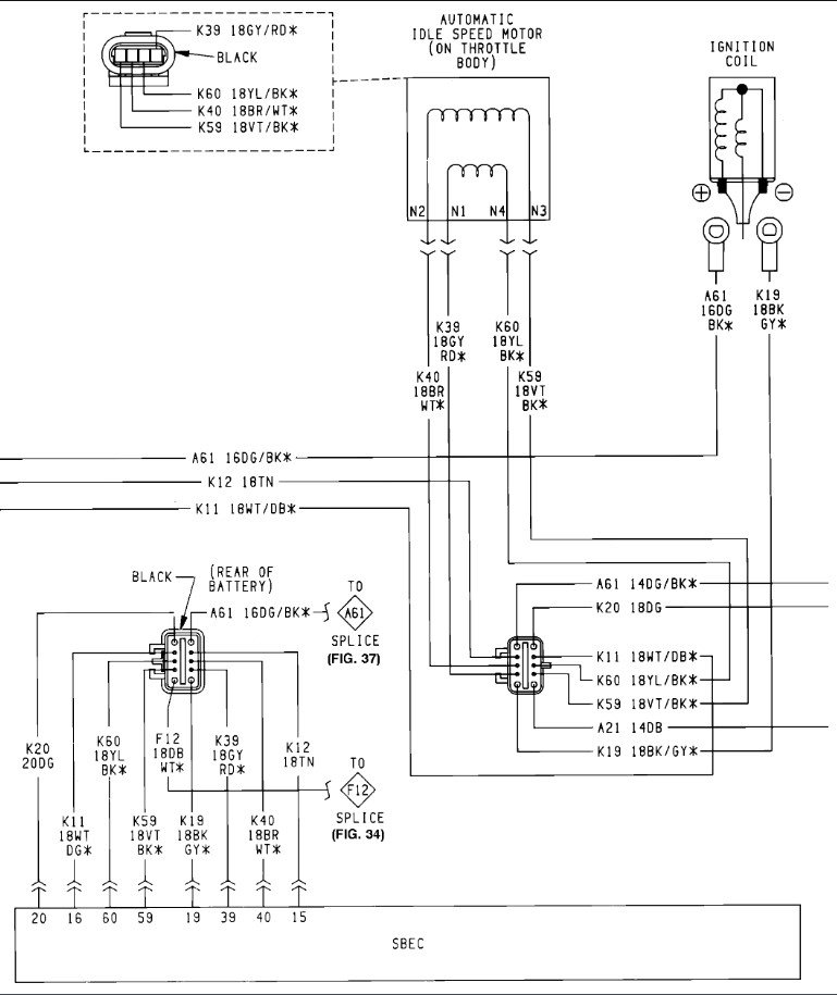
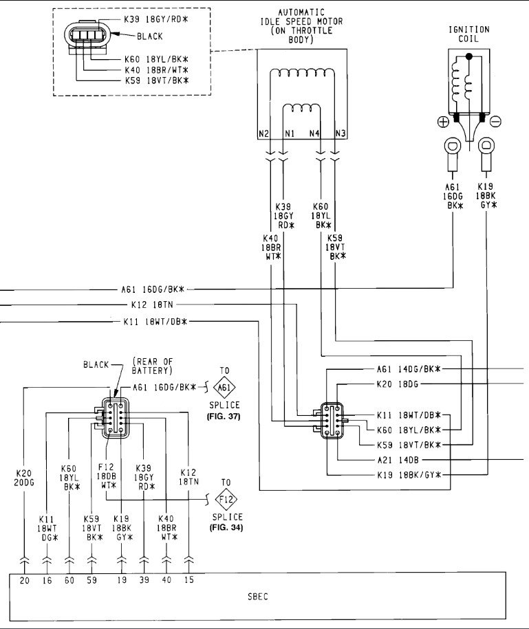
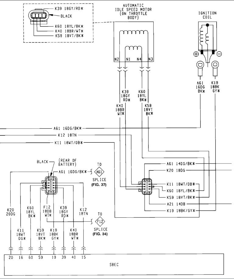
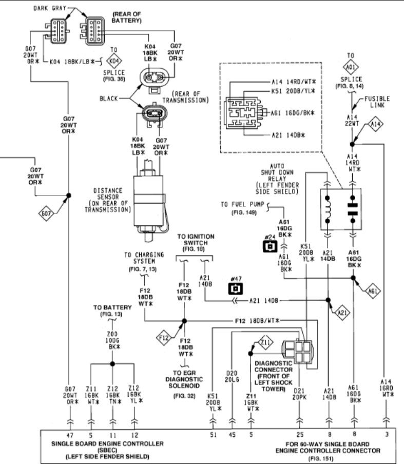
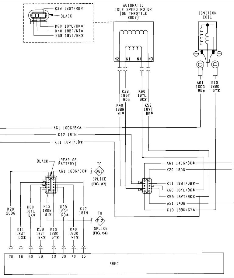
Okay, you are not getting spark correct? Here is a test, take a test light and connect it to a ground, now probe the positive side of the coil with the key on. It should light up. Now that you know you have a good ground, disconnect the negative wire (gray) from the coil. Touch the test light to the ground on the coil and watch for spark at one of the plugs when you remove it. That will tell you if the coil works. From there you will need to check the gray wire at the SBEC (control board) pin 19. Try tapping that pin with the grounded test light it should spark like it does at the coil. If it tests okay but still no spark check the auto shutdown relay to be sure it works. If those all check out, then the SBEC is likely faulty.
Was this
answer
helpful?
Yes
No
Sunday, May 29th, 2022 AT 6:37 PM
Tiny
16KLECAY
  • MEMBER
  • 2 POSTS
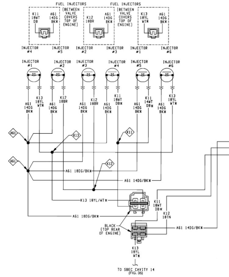
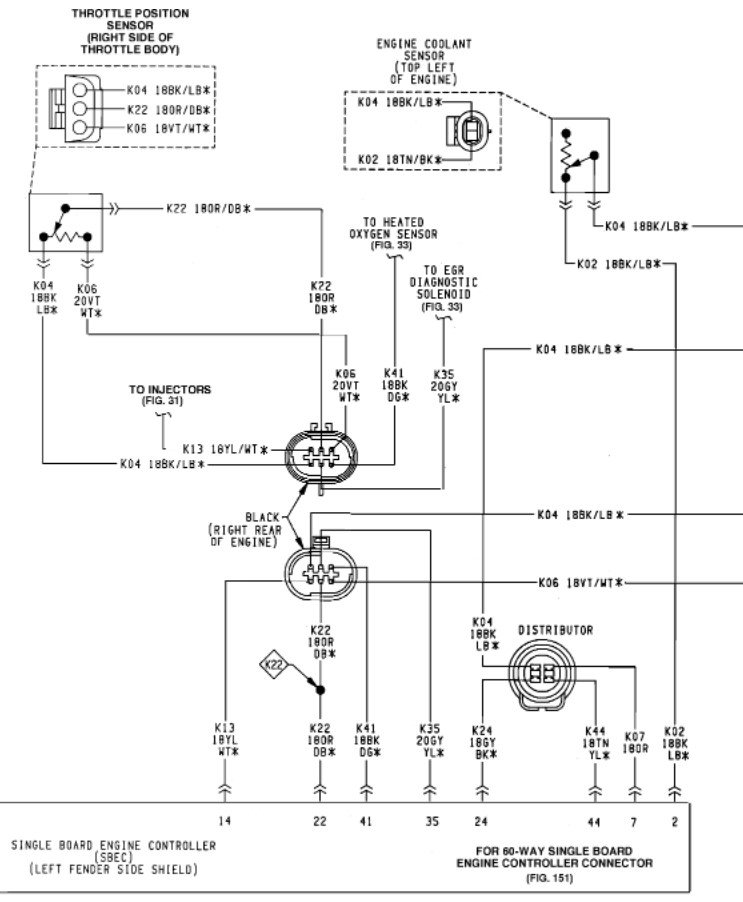
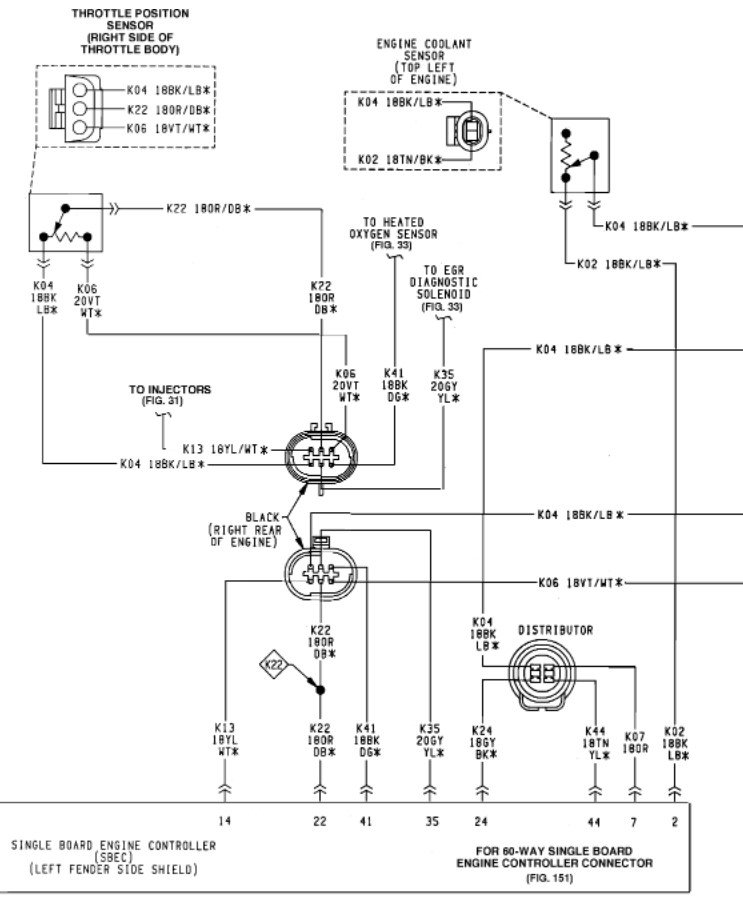
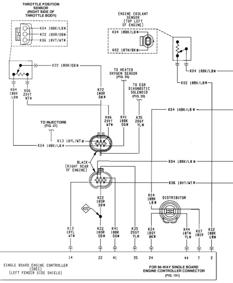
I’m getting no power to the coil or pin 19 (assuming I’m probing the right pin). In fact, none of the pins seem to have power to them, but if I probe the 60-wire connector (pictured) some of them have power. The grey wire that connects to pin 19 does not have power. Does this mean the SBEC is likely the culprit? I guess I am confused because I thought the part this connector plugs into is the SBEC? How could we know that’s the problem if it isn’t getting power in the first place?

Just to add a little bit of context the reason this car isn’t running is because it has been sitting for over 15 years. When I first got it, it needed a new battery and a new starter to crank. The fuel pump is working. The coil is working just not getting power.
Was this
answer
helpful?
Yes
No
Monday, May 30th, 2022 AT 2:00 PM
Tiny
STEVE W.
  • MECHANIC
  • 15,700 POSTS
It sounds more like you have a wiring issue where some parts are getting power. It could be a ground issue or power or more likely corrosion in the various connectors because it has been setting that long. As much of a mess that it is I would probably start by unplugging each connection I could find, spraying in some contact cleaner and then plugging it in out a few times. That should remove any corrosion.
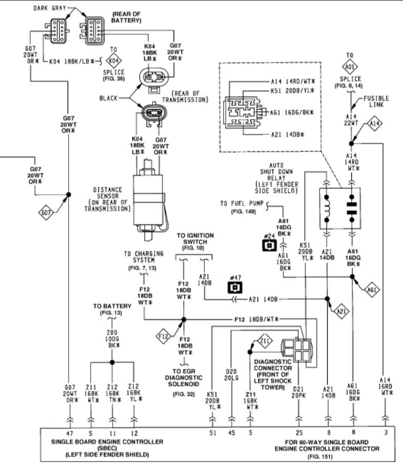
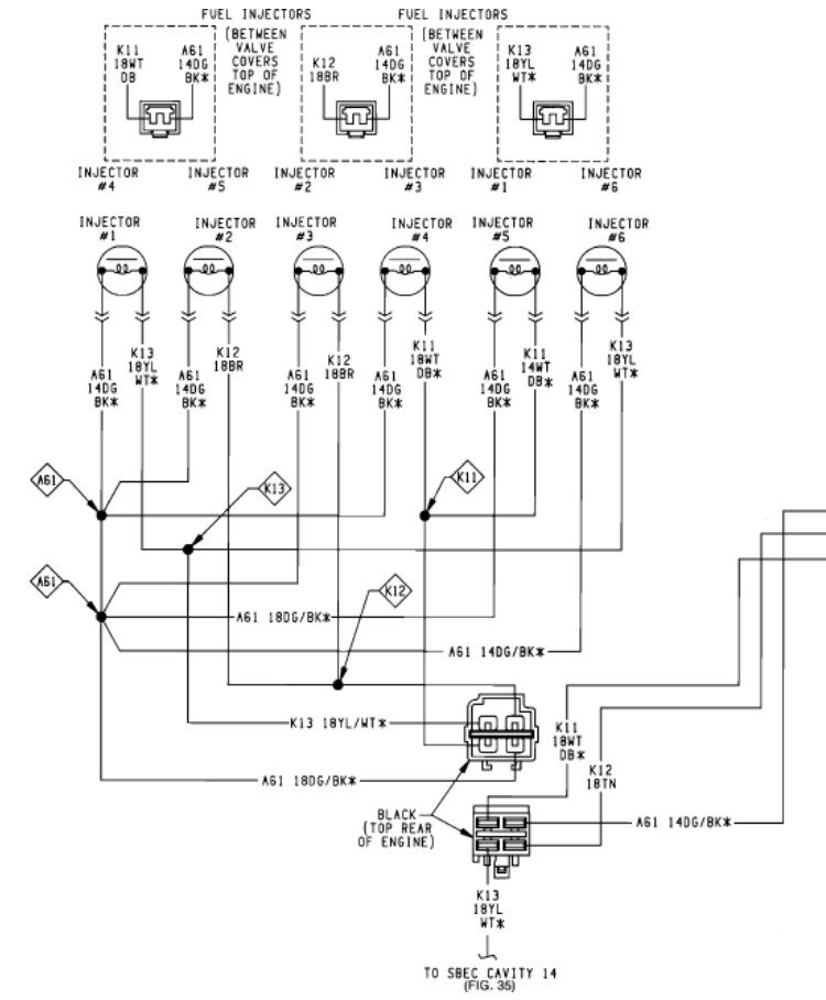
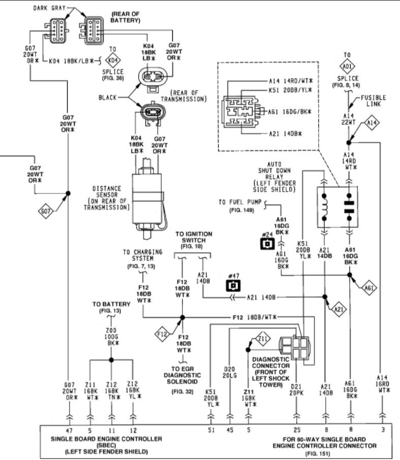
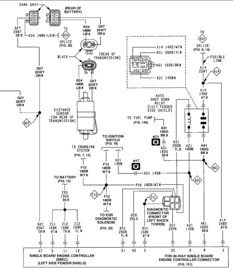
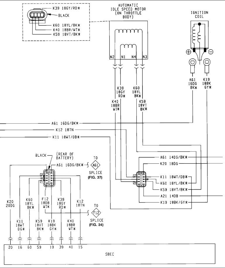
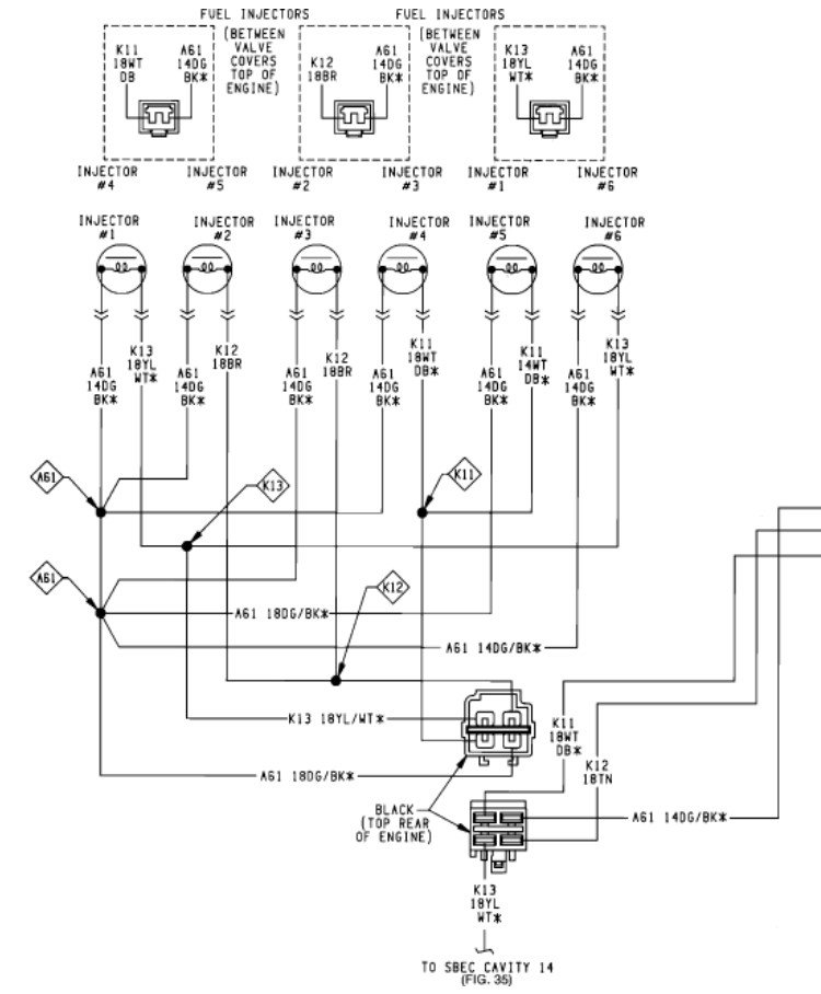
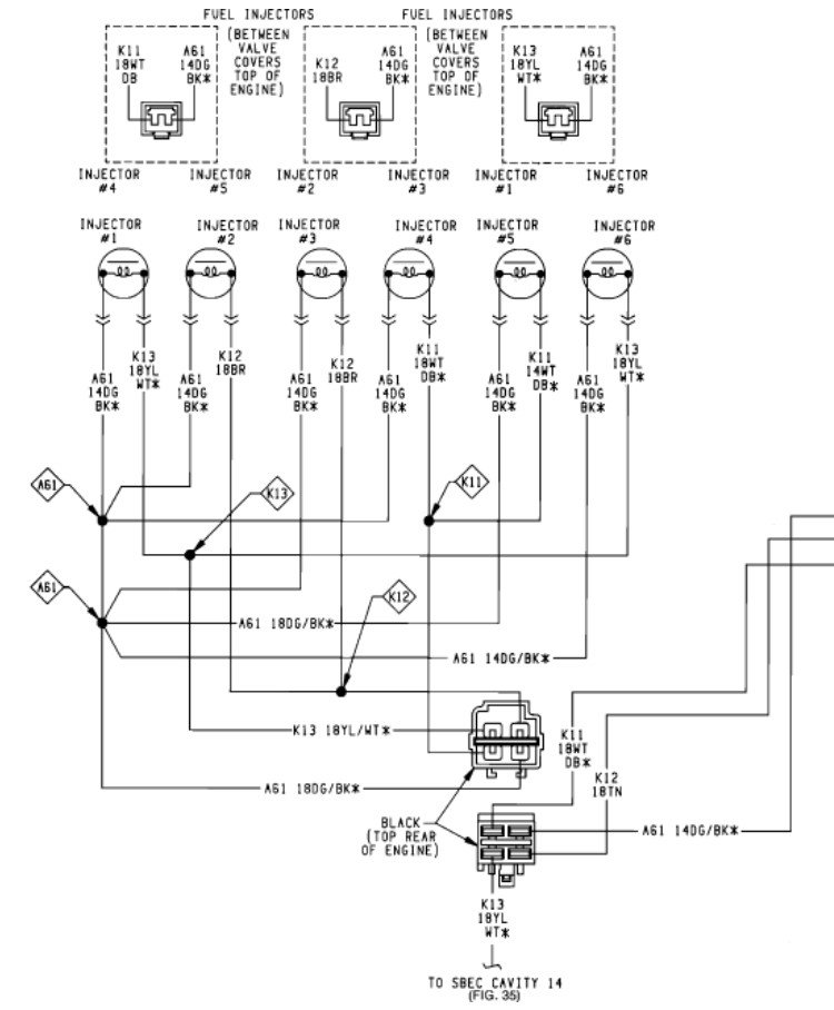
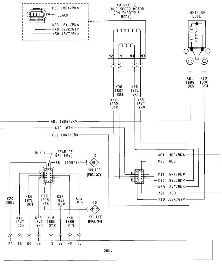
From there take a meter and check the power and ground connections at the SBEC. There are battery voltage, 5 volt and 8 volt feeds as shown in the pinout.
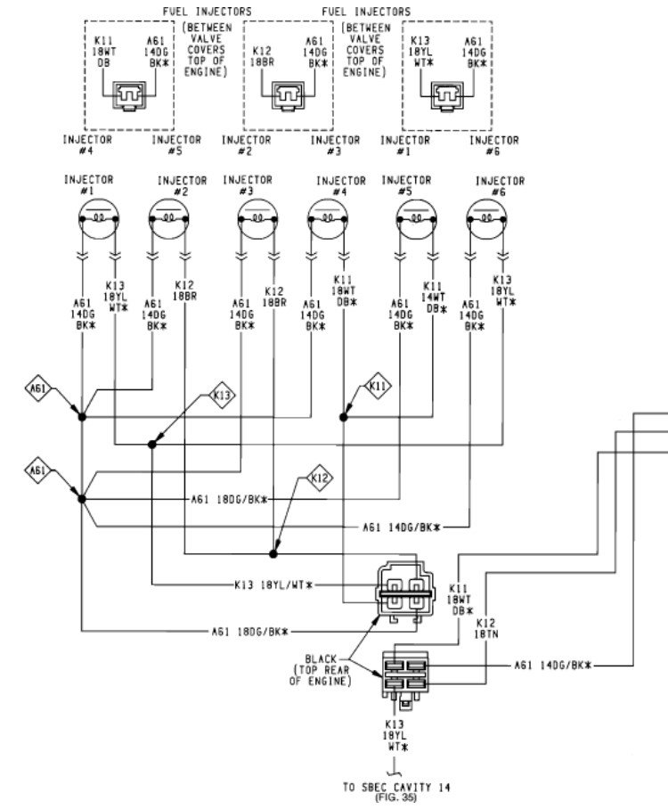
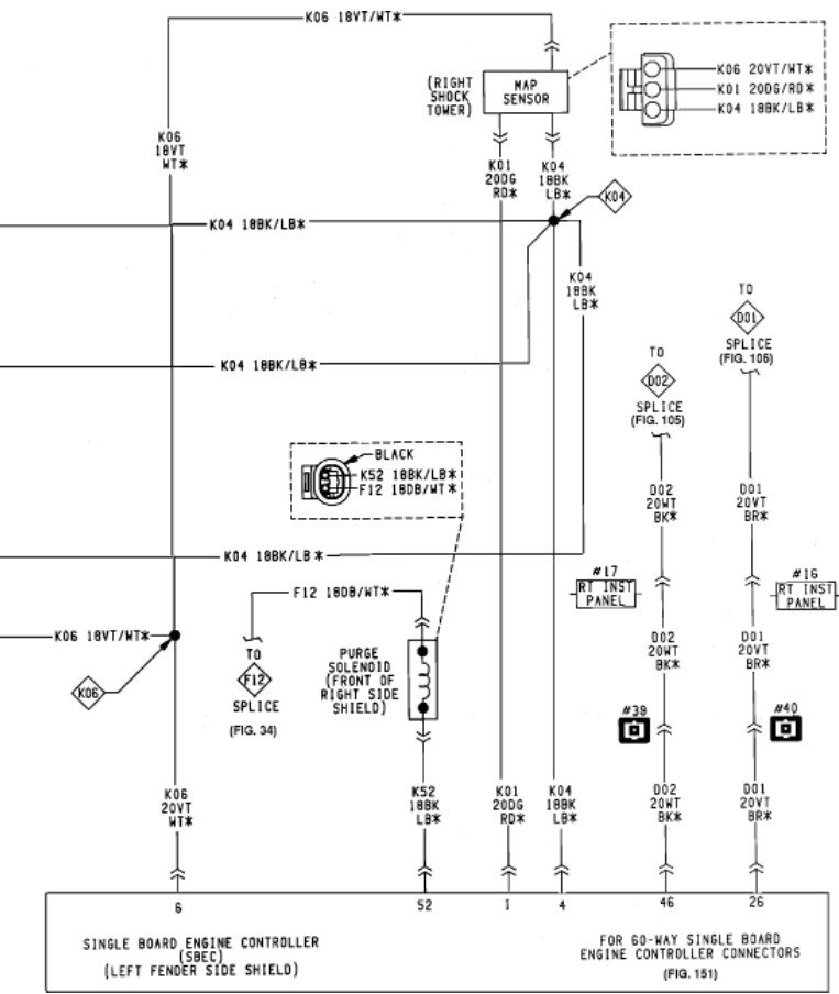
From those it will give you an idea of what you have. I would suspect corrosion may also have gotten into the SBEC and caused issues there. Also, the tech info on these is somewhat sparce, so I would look to see if you can find a real OEM service book on it that shows all of the wiring. Attached is what the info we have shows for the power train and it's missing a few things but it should help some.
Was this
answer
helpful?
Yes
No
Monday, May 30th, 2022 AT 3:13 PM

Please login or register to post a reply.